Портал для радиолюбителей
Статьи
Программы
Справочник
Соревнования
Журналы
История
Форум
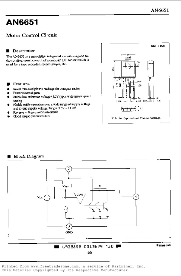
Просмотр технического описания на AN6651
Главная
->
Справочник
->
Не указан
-> Просмотр технического описания на AN6651
Поиск datasheet:
23383
файлов в базе данных
Datasheet AN6651:
Просмотреть файл
Загрузить файл
Размер файла: 96 Кб
© PavKo, 2007-2018
Обратная связь
Ссылки
views: 7594 -- users: 2163 -- web3