Портал для радиолюбителей
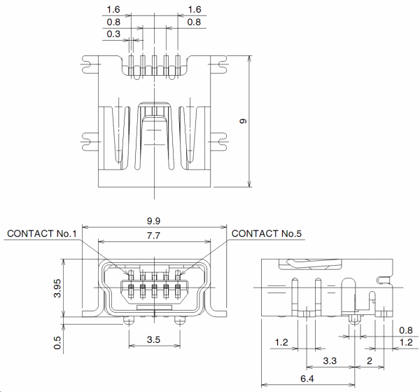
   UX60-MB-5ST – разъём mini-USB для планарного монтажа
    


UX60-MB-5ST – разъём mini-USB для планарного монтажа
<< Назад, к списку новостей    Дата: 2008-08-05

Не устраивает китайское качество разъёмов для новых и перспективных проектов? Обратите внимание на производителей с солидной репутацией. Например, известная японская компания Hirose предлагает UX60-MB-5ST – надёжный разъём mini-USB для планарного монтажа. Он полностью удовлетворяет всем требованиям стандарта USB 2.0 High-Speed (480Mbps), отличаясь от своего собрата UX60A-MB-5ST лишь наличием пластиковых штырей длиной 0.5mm для установки в отверстия платы. Высокая точность изготовления всех составных частей разъёма гарантирует минимальные отклонения при сочленении, а качественное покрытие контактов – лёгкую и надёжную пайку.

  • максимальный ток через контакты: 1A
  • номинальное напряжение: 5VAC
  • контактное сопротивление: 50mΩ (100mA)
  • сопротивление изоляции: 100MΩ (100VDC)
  • ёмкость: 2pF (1000 ±10Hz)
  • износоустойчивость: 5000 циклов сочленения

Разъёмы UX60-MB-5ST производятся для температурного диапазона −30°C…+75°C.


По материалам сайта Радио ДЕЛАНЕТ (http://radio.delanet.ru)



Комментарии:

Нет ни одного комментария. Ваш будет первым!


Добавить комментарий:

Ваше имя:
Комментарий:
Защита от автозаполнения:


    © PavKo, 2007-2018   Обратная связь   Ссылки views: 26123 -- users: 25290 -- web3   Яндекс.Метрика