Портал для радиолюбителей
   Модуль управления электроприводами замков
    Главная -> Статьи -> Автомобильная электроника -> Модуль управления электроприводами замков


<< Назад в раздел   Распечатать Дата добавления: 2008-05-16 | Просмотров: 7177

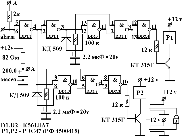
Схема

      Модуль управления эл. приводами замков. В состав многих дешевых автосигнализаций импортного производства не входят электроприводы замков и модуль управления электроприводами. Если электроприводы целесообразно приобрести в ближайшем магазине автоэлектроники, то модуль управления, при наличии некоторых навыков, можно изготовить самостоятельно. Ниже приводится описание аналогичного устройства. Достоинства - низкое энергопотребление, простота, надежность работы. Недостатки - нет функции "центрального замка" (одновременное запирание / отпирание всех замков при помощи нажатия на кнопку, расположенную на водительской двери). Функционально устройство состоит из узла согласования, 2-х одновибраторов и узла коммутации.
      Принцип работы: Сигнал управления с автосигнализации (например блокировка стартера) поступает на узел согласования, собранный на элементе DD1.2 (терминирует помехи и нормализует управляющий сигнал до логических уровней). С узла согласования управляющий сигнал запирания запускает одновибратор (DD1.3, DD2.2), формирующий импульс запирания. Через инвертор, собранный на элементе DD1.1, сигнал отпирания запускает одновибратор (DD1.4, DD2.1), формирующий импульс отпирания. На выходе каждого одновибратора установлен буфер, собранный на элементах DD2.4 и DD2.3. С выходов буферов сигнал усиливается по току каскадами на тразисторах до значения, достаточного для управления реле. Реле в свою очередь управляют включением двигателя и направлением его вращения. Таким образом, при изменении сигнала управления "alarm" двигатель привода включается на короткое время и начинает вращаться в определенном направлении в зависимости от перепада напряжения (с низкого на высокий - в одном направлении, с высокого на низкий - в противоположном). При подключении приводов следует учесть, что максимальный ток, коммутируемый реле, не превышает 2А. Рекомендуемые схемы подключения: - Для "мягких" замков все четыре привода соединяются последовательно. Такое включение кроме экономичности интересно еще и тем, что при срабатывании самого быстрого привода падение напряжения на нем уменьшается, тем самым ускоряется работа более медленных приводов. - Для "жестких" замков можно использовать дополнительные контакты реле, собрав на свободных группах контактов такой же узел коммутации и управлять 2-мя цепочками по два последовательно соединенных привода. - В крайнем соединение можно выполнить параллельно двумя цепочками по два последовательно соединенных привода. Проводку следует выполнить проводом возможно большего сечения, по кратчайшему маршруту (для предупреждения большого падения напряжения на проводах) При исправных радиодеталях и правильной сборке, настройки схема не требует и начинает работу сразу (в исключительных случаях может понадобиться увеличить длительность отпирающего или запирающего импульса заменой конденсаторов номиналом 2.2 мкф на конденсаторы большей емкости, но лучше разобрать и смазать замки :-) ).
     Печатная плата. Печатная плата устройства размещается в пластмассовом корпусе, выводы маркируются ярлыком: Модуль управления электроприводами замков проходил испытания в течение 3-х лет в различных погодных условиях, совместно с автосигнализацией "FBI Car Alarm". За все время эксплуатации сбоев в работе устройства замечено не было (даже при значительном снижении напряжения питания в результате разряда АКБ). Если Вы мечтаете оснастить автомобиль электростеклоподъемниками то, немного доработав схему, можно ввести функцию подъема стекол при постановке автомобиля на охрану. Рубцов Александр



Добавил:  Павел (Admin)  
Автор:  Рубцов Александр 

Вас может заинтересовать:

  1. Схема электропроводки автомобиля ВАЗ-21213
  2. Сигнализатор уровня воды в радиаторе
  3. Автомобильный стробоскоп для выставления УОЗ
  4. Стабилизированный блок электронного зажигания
  5. Схема электропроводки автомобиля ВАЗ 2106, 21061, 21063, 21065 (1988-2001)


    © PavKo, 2007-2018   Обратная связь   Ссылки views: 5504 -- users: 5304 -- web3   Яндекс.Метрика