Портал для радиолюбителей
   Антирадар
    Главная -> Статьи -> Автомобильная электроника -> Антирадар


<< Назад в раздел   Распечатать Дата добавления: 2008-05-16 | Просмотров: 11629

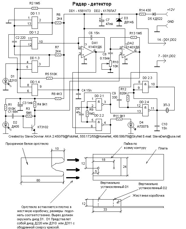
Схема антирадара (радар-детектор)


Добавил:  Павел (Admin)  
Автор:  Неизвестно 

Вас может заинтересовать:

  1. Плавное выключение дальнего света
  2. Блок электронного зажигания на тиристоре для автомобиля - 2
  3. Схема электропроводки автомобиля ВАЗ 2106, 21061, 21063, 21065 (1988-2001)
  4. Бортовая система контроля с речевым выводом информации
  5. Сигнализатор уровня воды в радиаторе


    © PavKo, 2007-2018   Обратная связь   Ссылки views: 13903 -- users: 13179 -- web3   Яндекс.Метрика