Портал для радиолюбителей
   Устройство и метод лечения заикания
    Главная -> Статьи -> Разное -> Устройство и метод лечения заикания


<< Назад в раздел   Распечатать Дата добавления: 2008-07-16 | Просмотров: 8069

Автор: Novikov.P.I.
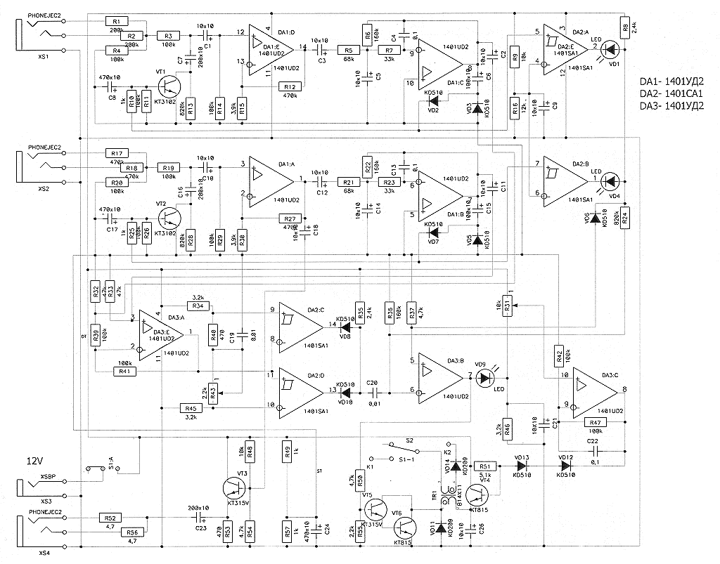
  • Принципиальная схема
    Скачать: (GIF, 70Кб)

Хочу сразу предупредить, что метод и устройство несколько садистские, но для тех, кто все попробовал и результат "ноль", может это последняя возможность заговорить нормально. Все основано на внедрении в подсознание боязни говорить неправильно. Страх - наилучший стимулятор, а в сочетании с аутотренингом обеспечивает максимальную эффективность. При разработке приоритетом была простота, и доступность деталей. Все смонтировано на одной печатной плате с выносным блоком питания 12В. Использовать устройство можно совместно с любым источником аудиосигнала (плеер, магнитофон, компьютер) 100-200 мВ.

Устройство содержит два канала усиления аудиосигнала с эффективной АРУ и ФНЧ с частотой среза 2,4 Гц для выделения фонемов речевого сигнала, схемы контроля амплитуды аудиосигнала, схемы выделения разностного сигнала, схемы контроля уровня допустимой ошибки, формирователя стимулирующих импульсов.

На вход XS1 подают речевой сигнал с микрофона пациента, на вход XS2 - речевой сигнал "эталон" с выхода магнитофона, предварительно записанный кем-то с приблизительно таким же тембром голоса (мужской, женский, детский). Пройдя через УНЧ на DA1:D,DA1:A и ФНЧ на DA1:C,DA1:B, сигнал пациента и "эталон" поступают на схему выделения разностного сигнала на DA3:A, амплитуда которого контролируется схемой контроля уровня допустимой ошибки на DA2:C,DA2:D. Если уровень входных сигналов достаточен для нормальной работы, схема контроля амплитуды аудиосигнала на DA2:A,DA2:B включает формирователь стимулирующих импульсов на DA3:B и индикаторы каналов VD1,VD4. VD9 индикатор ошибки, ток протекающий через VD9 заряжает C21 и автоматически увеличивает амплитуду стимулирующих импульсов при повторяющейся ошибке. Постоянная времени RC цепи C20R36 определяет длительность стимулирующих импульсов (около 1,5мСек), которые формируются на VT5,VT6,TR1, и через VD14, S2 и K1,K2 поступают на электроды, закрепленные на шее пациента позади и ниже ушей на мышцах.Потенциометром R43 устанавливают уровень допустимой ошибки, R31 определяет начальную амплитуду стимулирующих импульсов. К XS4 подключают наушники через которые пациент слышит эталонный сигнал. Наушники, микрофон и электроды можно конструктивно объединить.

Пациент должен видеть текст (с листа или с экрана монитора) слышать тот же текст в наушниках и произносить его синхронно с эталоном.

Начинать лучше со стихов (оптимально А.С.Пушкин, сказки), установив максимальный уровень допустимой ошибки (R43), и минимальную амплитуду стимулирующих импульсов (R31), после предварительной тренировки и установки уровня входных сигналов с выключеным S2. После нескольких сеансов и приобретения определенных навыков пациент сам должен устанавливать уровень допустимой ошибки и амплитуду стимулирующих импульсов, постепенно уменьшая первое и увеличивая второе.

Предлагаемая схема - опытный и пока единственный экземпляр, поэтому печатную плату не посылаю, но если кому понадобится, обращайтесь, печать имеется. Схему можно изменять (она пока еще сырая), главное сохранить суть и не навредить пациенту, особенно детям. Пробовал на себе, на максимальной амплитуде очень больно.

TR1 на горшке Б14Х11 2000HM обмотка1 - 15 витков ПЭВ-2 0,55, обмотка2 - 100 витков ПЭВ-2 0,15.

Электроды должны иметь площадь контакта с кожей около 5мм кв.

Желаю удачи и будьте осторожны, никто из врачей ничего путного про все это не сказал, схема и метод создавались по просьбе и с согласия пациента (моего знакомого, который попробовал все, гипноз, иглоукалывание, медпрепараты).


Добавил:  Павел (Admin)  
Автор:  Novikov.P.I. 

Вас может заинтересовать:

  1. Прошивка топливораздаточной колонки «SK 700-II» программой «LapTop Tool.Net»
  2. Усилитель и тюнер в одном флаконе!
  3. "Грубый" способ дешифровки команд пульта ДУ
  4. Самодельный низковольтный паяльник
  5. Электронно-механическая мышеловка


    © PavKo, 2007-2018   Обратная связь   Ссылки views: 362 -- users: 232 -- web3   Яндекс.Метрика