Маломощный двухполярный стабилизатор


Много говорить не буду, сразу к делу. Смотрим схему:

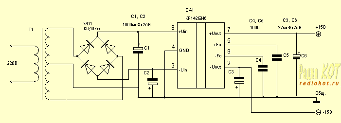
Схема маломощного двуполярного стабилизатора

Стабилизатор выполнен на интегральной микросхеме КР142ЕН6. Микросхема представляет собой двухполярный стабилизатор напряжения с выходным напряжением +/-15 В.
Ток нагрузки составляет 200 мА. Маловато, конечно, но вполне достаточно, например, для питания предварительных усилителей или предварительных каскадов усилителей мощности.

Диодный мост - любой из серии КЦ407, КЦ405, КЦ402.

Трансформатор с двумя вторичными обмотками,напряжение на каждой - 16В.

Источник: www.radiokot.ru


Добавил:  Павел (Admin)  webmaster@radioman-portal.ru | 

Автор:   http://www.radiokot.ru/ Рейтинг@Mail.ru