Портал для радиолюбителей
   Преобразователь однополярного напряжения в двухполярное
    Главная -> Статьи -> Блоки питания, зарядные устройства -> Преобразователь однополярного напряжения в двухполярное


<< Назад в раздел   Распечатать Дата добавления: 2008-08-23 | Просмотров: 10581

Всем привет!
Надеюсь, никто не будет оспаривать частую необходимость двухполярного питания? А также частую невозможность получить его стандартными средствами, типа трансформатора с выводом от середины обмотки? Делитель из резисторов? Да, можно, только вот в этом случае никто не гарантирует вам симметричности напряжений в плечах, а соответственно и симметричности выходного сигнала, если речь идет об усилителе с двухполярным питанием. Так что смотрим на схему и вникаем.

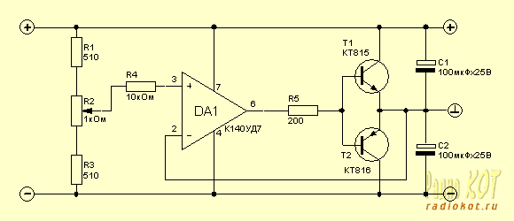
Схема преобразователя

Максимальное входное напряжение для этой схемы составляет 30 вольт. Таким образом, на выходе, мы получаем +/-15 вольт.
Ток нагрузки - .

Принцип действия преобразователя похож на работу компенсационного стабилизатора напряжения. Микросхема DA1 сравнивает образцовое напряжение, подаваемое на неинвертирующий вход с резистивного делителя R1-R3 с напряжением, поступающим на инвертирующий вход с выхода устройства. В соответствии с этим корректируется выходной сигнал, регулирующий отпирание/запирание выходных транзисторов. Максимальное напряжение ограничено только напряжением питания операционного усилителя. А выходной ток - установленными выходными транзисторами. Такая вот полезная штука.

Табличка с элементами, чуть не забыл.

Обозначение на схеме

Номинал

C1

100мкФх25В

C2

100мкФх25В

R1

510

R3

510

R2

1кОм

R5

200

R4

10кОм

T1

КТ815

T2

КТ816

DA1

К140УД7

Источник: www.radiokot.ru


Добавил:  Павел (Admin)  
Автор:   

Вас может заинтересовать:

  1. Улучшенные стабилизаторы параллельного типа (аналоги мощного стабилитрона)
  2. Зарядное устройство для стартерных аккумуляторных батарей
  3. Основные типы и критерии выбора источников питания для радиоэлектронной аппаратуры
  4. Простейший аналог стабилитрона
  5. Использование маломощных высокочастотных транзисторов в качестве стабилитронов (4..9В)


    © PavKo, 2007-2018   Обратная связь   Ссылки views: 14253 -- users: 13425 -- web3   Яндекс.Метрика