Портал для радиолюбителей
   Усилитель мощности для СДУ
    Главная -> Статьи -> Цветомузыкальные установки -> Усилитель мощности для СДУ


<< Назад в раздел   Распечатать Дата добавления: 2007-10-07 | Просмотров: 7718

Усилители мощности современных светодинамических установок (СДУ) выполняют либо на тринисторах, либо на транзисторах. И то, и другое решение имеет свои достоинства и недостатки, однако при суммарной мощности ламп в экранном устройстве до 100 Вт предпочтение следует отдать транзисторным усилителям, так как они проще в налаживании, не требуют дефицитных деталей и безопасны в эксплуатации, так как работают при относительно низком напряжении.
Поскольку выходные транзисторы усилителя мощности СДУ работают обычно в линейном режиме, на их коллекторе выделяется значительная мощность, соизмеримая с максимальной мощностью ламп. Это вызывает необходимость применения мощных транзисторов, оснащенных радиаторами, что усложняет конструкцию.

Широтно-импульсный усилитель мощности на транзисторах, описанный ниже, свободен от многих недостатков обычных усилителей. Он хорошо согласуется с остальными узлами традиционных СДУ: его вход можно подключать непосредственно к выходу детектора. Принцип действия такого усилителя заключается в регулировании мощности, выделяющейся в нагрузке, путем изменения скважности питающих импульсов под действием управляющего сигнала.
Усилитель (см. схему на рис. 1) представляет собой разновидность несимметричного мультивибратора, выполненного на транзисторах одной структуры. Управляющий сигнал отрицательной полярности с выхода детектора СДУ поступает на базу транзистора М2 через резистор R5, сопротивление которого определяет эквивалентное входное сопротивление усилителя.

Широтно-импульсный усилитель мощности

При отсутствии входного сигнала транзисторы V2, VЗ закрыты, генерация отсутствует, мощность в нагрузке равна нулю. При напряжении на входе более 0,3 В мультивибратор начинает генерировать импульсы, длительность которых зависит от параметров цепи С2R2. Длительность паузы между импульсами (она зависит от параметров цепи С1R5 и напряжения на коллекторе транзистора V1 в режиме отсечки) уменьшается с увеличением входного напряжения, из-за чего среднее значение тока в нагрузке соответственно повышается. Закон изменения выходной мощности в зависимости от входного напряжения близок к логарифмическому, что позволяет обойтись без дополнительного компрессирующего устройства.
Для регулирования чувствительности мультивибратора служит переменный резистор R2, который позволяет изменять напряжение на коллекторе транзистора V1 в режиме отсечки. В среднем положении движка резистора R2 чувствительность усилителя равна 4...5 В (при максимальной мощности в нагрузке). Максимальная чувствительность 1,5...2 В соответствует нижнему положению движка.
Частота генерации мультивибратора при средней мощности в нагрузке (скважность импульсов 2) равна примерно 1 кГц; максимальная частота, соответствующая максимальной мощности, — около 2 кГц.

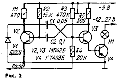
Широтно-импульсный усилитель мощности, второй вариант

В другом варианте усилителя (рис. 2) для повышения чувствительности до 1...1.5 В включен кремниевый диод V1, входящий в параметрический стабилизатор напряжения 0,8...1 В на коллекторе закрытого транзистора V2. При низком коллекторном напряжении транзистора V2, необходимом для получения высокой чувствительности, такое схемное решение обеспечивает более высокую устойчивость генерации и крутизну фронта импульсов, чем в первом варианте усилителя.
В этом варианте предусмотрена возможность регулирования уровня начального свечения ламп. Такой режим питания ламп уменьшает резкие броски тока, обусловленные малым сопротивлением холодной нити лампы (и, кроме того, дает возможность в некоторых случаях отказаться от отдельного канала паузной подсветки).

  • В режиме фоновой подсветки имеет место нагрев транзистора V4. Так как в усилителе реализован принцип широтно-импульсного регулирования мощности, который предполагает работу выходного транзистора в ключевом режиме, то в идеальном случае мощность на нем не рассеивается вообще. Но в реальных условиях вследствие неидеальности характеристик электронных элементов, на транзисторе V4 выделяется некоторая мощность, причем наиболее сильно транзистор нагревается при некотором среднем значении мощности в нагрузке. Основная причина этого явления - работа силового транзистора в ненасыщенном режиме и малая крутизна фронтов импульсов.
    Нагрев транзистора V4 в режиме фоновой подсветки можно уменьшить, если подобрать транзисторы VЗ, V4 с возможно большим коэффициентом передачи тока, отключить конденсатор С2 от коллектора VЗ и присоединить его к коллектору транзистора V4 (при этом параллельно цепи питания ламп желательно подключить оксидный конденсатор емкостью 500... 1000 мкФ, рассчитанный на напряжение не ниже 16 В), уменьшить сопротивление резисторов R2, R4, R5 в 3...4 раза, увеличив во столько же раз емкость конденсаторов С1, С2. Также желательно исключить резистор RЗ и использовать для регулировки начального уровня свечения ламп регулировочный резистор ППБ-15 с максимальным сопротивлением 100...200 Ом, включив его между коллектором и эмиттером транзистора V4.
    При повышенной температуре корпуса транзистора V4 рекомендуется включить между его базой к эмиттером (то есть параллельно базо-эмиттерному переходу) постоянный резистор с сопротивлением 0,3...1,0 кОм любой мощности

Максимальный ток нагрузки для указанных на схеме транзисторов равен 1,2 А. При этом высокий КПД усилителя, достигающий 90%, позволяет при мощности ламп до 15 Вт вообще отказаться от радиаторов. Если требуется большая мощность, нужно использовать вместо ГТ403Б транзисторы из серий П213—П217 с любым буквенным индексом также без радиаторов. Транзисторы МП42Б можно заменить любыми маломощными германиевыми транзисторами с коэффициентом h21Э не менее 50.

Схема блока питания

Цепи питания мультивибратора и ламп разделены, что позволяет питать лампы непосредственно от выпрямителя, а для питания мультивибратора использовать маломощный стабилизатор, рассчитанный на ток до 50мА, причем и лампы, и стабилизатор можно питать от одной вторичной обмотки сетевого трансформатора. Схема блока питания показана на рис. 3. Трансформатор Т1 выполнен на магнитопроводе сечением 19х38, сетевая обмотка содержит 1400 витков провода ПЭЛ 0,27, вторичная — 100 витков провода ПЭЛ 1,0. При этом в каждом канале трехканальной СДУ можно использовать до шести ламп МН13,5— 0,16, включенных параллельно.

А. БЕЛОУСОВ
Радио 2/84

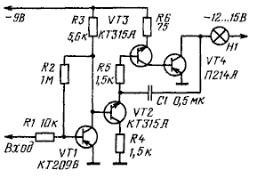
Еще один вариант усилителя предложил В. В. Чернявский (см. рисунок ниже) Чувствительность этого усилителя 0,1...0,2 В, что позволяет подключить его к линейному выходу магнитофона или проигрывателя. Рабочее напряжение лампы Н1 12В, мощность 30 Вт.

Вариант усилителя


Добавил:  Павел (Admin)  
Автор:  Неизвестно 

Вас может заинтересовать:

  1. Светомузыкальная установка на симисторах
  2. Мигающие огни
  3. Цветомузыкальная установка с числоимпульсным управлением тринисторами
  4. Автомат световых эффектов на К556РТ4
  5. Цветомузыкальная установка с фазоимпульсным управлением


    © PavKo, 2007-2018   Обратная связь   Ссылки views: 5692 -- users: 5161 -- web3   Яндекс.Метрика