Портал для радиолюбителей
   Радиопередатчик с высокой стабильнлстью несущей частоты
    Главная -> Статьи -> Шпионские штучки -> Радиопередатчик с высокой стабильнлстью несущей частоты


<< Назад в раздел   Распечатать Дата добавления: 2010-08-08 | Просмотров: 6858

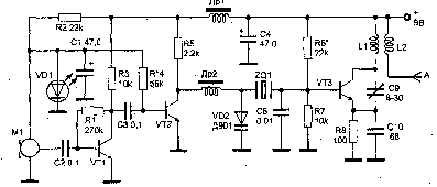
При использовании кварцевого резонатора с высокой частотой появля-ется возможность создать простой ра-диомикрофон с высокой стабильнос-тью несущей частоты. Ниже приведено описание подобного устройства. Радио-микрофон работает в диапазоне 61-74 МГц с частотной модуляцией. Принципиальная схема передатчика радиопередатчика приведена на рис. 1. Сигнал с микрофона Ml типа МКЭ-3 усиливается двухкаскадным усилителем на транзисторах VT1, VT2 типа КТ315. Задающий генератор выполнен на транзисторе VT3 типа КТ368. Частотная модуляция несу-щей частоты обес-печивается варикапом VD2. Резисторы R6 и R7 в базо-вой цепи транзистора VT3 определяют его режим по постоян-ному току. Конденсатор С9 устанавливает необходимый режим генерации, обес-печивая положительную обратную связь. Стабильность частоты генератора зависит в основном от напряжения питания. Чтобы ее повысить, необходи-мо использовать стабилизатор на 6-9 В, что приведет к усложнению схемы. Стабилизировать частоту можно и другим способом. Если быть точным, то причина нестабильности несу-щей частоты определяется в основном колебаниями рабочей точки тран-зистора VT2 усилителя звуковой частоты при изменении напряжения питания. Положение этой рабочей точки определяет напряжение обрат-ного смещения на варикапе VD2 , а значит, и его начальную емкость. Для стабилизации рабочей точки усилителя на транзисторе VT2 в его базовую цепь включен резистор R4, напряжение на который поступает с параметрического стабилизатора, собранного на резисторе R2, светодиоде VD1 и конденсаторе С1. В устройстве использованы постоянные ре-зисторы МЛТ-0,125, конденсаторы типов К50-16 и КМ.

Дроссели Др1, Др2 можно использовать стандартные, например, типа Д-0,1, с индуктивностью 15-30 мкГн или изготовить самостоя-тельно. Дроссели наматываются на резисторах МЛТ-0,25 сопротивле-нием более 100 кОм и содержат 50-60 витков провода ПЭВ 0,1 мм. Контурная катушка L1 намотана на каркасе диаметром 8 мм и содер-жит 6 витков провода ПЭВ 0,8 мм. Катушка L2 намотана на том же каркасе и тем же проводом, что и катушка L1. Катушка L2 .содержит 3 витка, размещенных на расстоянии 1 мм от витков катушки L1. Антенна выполнена следующим образом: отрезок 50-омного кабеля длиной 10-12 см зачищается от изоляции и удаляется центральная жила. По всей длине отрезка кабеля наматывается виток к витку про-вод ПЭВ-0,6 - антенна готова. В крайнем случае в качестве антенны можно использовать провод длиной 30-50 см. Настройку начинают с усилителя звуковой частоты. Изменением со-противления резистора R4 устанавливают напряжение на коллекторе транзистора VT2, равное половине напряжения источника питания. Емкость конденсатора С9 необходимо подобрать по максимуму тока, потребляемому генератором, а затем резистором R6 установить этот ток около 10 мА.


Добавил:  Павел (Admin)  
Автор:  Неизвестно 

Вас может заинтересовать:

  1. Радиопередатчик большой мощности с кварцевой стабилизацией частоты
  2. Жучок с высоким КПД
  3. Радиомикрофон на rfPIC 12F 675 F
  4. Радиомикрофоны и передатчики
  5. Телефонный жучок с частотной модуляцией


    © PavKo, 2007-2018   Обратная связь   Ссылки views: 14111 -- users: 13314 -- web3   Яндекс.Метрика