Портал для радиолюбителей
   Телефонный радиоретранслятор с ЧМ на одном транзисторе
    Главная -> Статьи -> Шпионские штучки -> Телефонный радиоретранслятор с ЧМ на одном транзисторе


<< Назад в раздел   Распечатать Дата добавления: 2010-08-08 | Просмотров: 5673

В этой схеме частотная модуляция осуществляется путем изменения параметров транзистора в зависимости от протекающего тока. Радиоретранслятор работает в диапазоне частот 65-108 МГц и обеспечивает дальность передачи до 200 м.

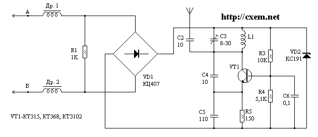
Схема

Задающий генератор выполнен на транзисторе VT1 типа КТ315.Частота генератора определяется пареметрами колебательного контура-индуктивностью катушки L1 и емкостью конденсатора С3. Конденсатор С4 обеспечивает оптимальные условия возбуждения генератора. Дроссели Др1 и Др2 разделяют ВЧ и НЧ сигналы. С коллектора транзистора VT1 сигнал через конденсатор С2 поступает в антенну. В качестве антенны используется отрезок монтажного провода.

В качестве антенны можно использовать и саму линию связи (рис.2). Для этого ВЧ сигнал с коллектора транзистора VT1 через конденсаторы С7 и С8 поступает в точки А и В схемы, соответственно. Конденсатор С2 при этом из схемы исключается. Вместо VD1 можно использовать четыре диода типа КД102, КД510, КД522 и др.

Транзистор КТ315 можно заменить на КТ3102, КТ368 и другие высокочастотные. Катушка L1 намотанна на корпусе конденсатора С3 и содержит 4 витка провода ПЭВ 0,5 мм. Дроссели любые с индуктивностью 50-100 мкГн.


Добавил:  Павел (Admin)  
Автор:  Неизвестно 

Вас может заинтересовать:

  1. Радиомикрофон с автовключеним по голосу
  2. Радиопередатчик повышенной мощности
  3. Простой РМ на 144 MHz мощностью 20 мВт
  4. Кварцевый ЧМ передатчик с высоким КПД на 418,8 MHz
  5. Радиомикрофоны и передатчики


    © PavKo, 2007-2018   Обратная связь   Ссылки views: 15327 -- users: 15090 -- web3   Яндекс.Метрика