Портал для радиолюбителей
   Радиопередатчик большой мощности с кварцевой стабилизацией частоты
    Главная -> Статьи -> Шпионские штучки -> Радиопередатчик большой мощности с кварцевой стабилизацией частоты


<< Назад в раздел   Распечатать Дата добавления: 2010-08-11 | Просмотров: 7520

Основные технические характеристики радиопередатчика следующие:

- выходная мощность передатчика ............................. 0,5 Вт;

- диапазон звуковых частот по уровню -3 дБ ............ 300-3000 Гц;

- ширина полосы излучения по уровню -30 дБ, не более ................ 11 кГц;

- девиация частоты при максимальной модуляции около......................... 2,5 кГц;

- ток потребления, не более ................................. 90 мА;

- напряжение источника питания ............................ 9 В

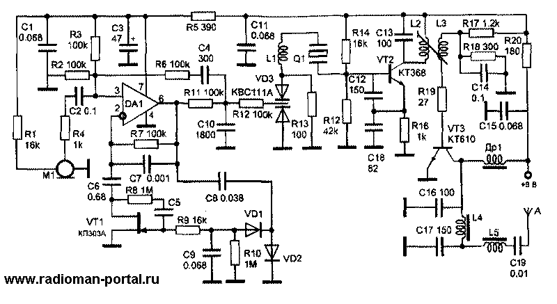
Сигнал от конденсаторного микрофона со встроенным усилителем (Ml) поступает на прямой вход операционного усилителя DA1. К этому входу подключен делитель напряжения на резисторах R2 и R3, который создает половину напряжения питания на этом входе, и таким образом позволяет ОУ работать с однополярным питанием. Между инвертирующим входом и выходом включена цепь R7, С5, С6, которая создает нужный коэффициент усиления и частотную характеристику усилителя. Этот усилитель работает как компрессор речевого сигнала,сжимая его динамический диапазон за счет каскада на транзисторе VT1.Выходное напряжение 3Ч усилителя детектируется диодами VD1 и VD2 в постоянное напряжение, отрицательное, которое воздействует на затвор транзистора VT1 и с увеличением уровня звукового сигнала увеличивает сопротивление канала этого транзистора.

Схема

В результате шунтирования инвертирующего входа конденсатором С6 изменяется коэффициент отрицательной обратной связи, что приводит к изменению коэффициента усиления ОУ. Выходное напряжение ОУ, равное половине напряжения питания, поступает через резисторы R11 и R12 на катоды варикапов VD3. Модулирующее напряжение 34 изменяется на катоде варикапов относительно этого напряжения смещения.Варикапная матрица VD3 включена между кварцевым резонатором и общим проводом. Изменение емкости варикапа приводит к некоторому изменению частоты резонатора. В этом процессе играет роль и индуктивность катушки L1.На транзисторе VT2 выполнен задающий генератор, частота в коллекторном контуре которого определяется включенным резонатором,индуктивностью L1 и емкостью VD3. Контур L2, С 13 в коллекторной цепи этого транзистора настроен на середину выбранного диапазона, и на нем выделяется частотно-модулированное напряжение ВЧ с частотой резонатора Q1. Это напряжение через катушку связи L3 поступает на выходной каскад, выполненный на транзисторе VT3.Катушка включена в цепь смещения базы этого транзистора - R17,R18, которая создает рабочую точку выходного каскада. Усиленное и модулированное по частоте напряжение ВЧ выделяется на коллекторе VT3. Затем через ФНЧ и удлинительную катушку это напряжение поступает в антенну. ФНЧ на катушке L4 и конденсаторах С16 и С 17 служит для подавления гармоник и согласования выходного сопротивления каскада на транзисторе VT3 с входным сопротивлением антенны, катушка L5 вводит дополнительную индуктивность в цепь антенны и таким образом увеличивает ее эквивалентную длину, приближая к четвертьволновой. В результате отдача сигнала в антенну увеличивается. Конденсатор С19 исключает выход из строя транзистора VT3 от случайного замыкания антенны с общим проводом или цепью питания.

Все высокочастотные катушки передатчика выполнены на одинаковых каркасах диаметром 7 мм с сердечниками из феррита 100ВЧ диаметром 2,8 мм. Катушка передатчика L2 имеет 6 витков, L3 - 3 витка, L4 - 8 витков, L5 - 20 витков провода ПЭВ 0,2. Катушка L1 - дроссель ДМ-0,06 16 мкГн. Настройку передатчика производят традиционным способом, контролируя вырабатываемую им напряженность поля при помощи волномера или ВЧ осциллографа с проволочной рамкой на входе.



Добавил:  Павел (Admin)  
Автор:  Неизвестно 

Вас может заинтересовать:

  1. УКВ микропередатчик для телефонного аппарата
  2. Микрофон для тамады
  3. Радиомикрофоны и передатчики
  4. Приемник на ПАВ резонаторе для работы с жучками
  5. Радиопередатчик с ЧМ в УКВ диапазоне частот 61-73 МГц


    © PavKo, 2007-2018   Обратная связь   Ссылки views: 20945 -- users: 19815 -- web3   Яндекс.Метрика