Портал для радиолюбителей
   Микропередатчик со стабилизацией тока
    Главная -> Статьи -> Шпионские штучки -> Микропередатчик со стабилизацией тока


<< Назад в раздел   Распечатать Дата добавления: 2010-08-11 | Просмотров: 6906

Схема предлагаемого миниатюрного передатчика проста в настройке и изготовлении, позволяет изменять частоту задающего генератора в широких пределах. Устройство сохраняет работоспособность при величине питающего напряжения выше 1 В.

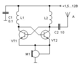
Схема

Генератор высокой частоты собран по схеме мультивибратора с индуктивной нагрузкой. Изменение частоты колебаний высокой частоты происходит при изменении тока, протекающего через транзисторы VT1, VT2 типа КТ368.При изменении тока изменяются параметры проводимости транзисторов и их иффузионные емкости, что позволяет варьировать частоту такого генератора в широких пределах без изменения частотозадающих элементов - катушек L1 и L2.Для повышения стабильности частоты и для возможности управления генератором с целью получения частотной модуляции питание последнего осуществляется через стабилизатор тока. Стабилизатор и модулирующий усилитель выполнены на электретном микрофоне Ml типа МКЭ-3, М1-Б2 "Сосна" и им подобным. При использовании кондиционных деталей уход несущей частоты при изменении напряжения питания с 1,5 до12 В не превышает 150 кГц (при средней частоте генератора равной 100 МГц).

В схеме используются бескаркасные катушки L1 и L2 диаметром 2,5 мм. Для диапазона 65-108 МГц катушки содержат по 15 витков провода ПЭВ 0,3. Настройка заключается в подгонке частоты путем изменения индуктивности катушек L1 и L2 (сжатием или растяжением). Рассматриваемый генератор может работать на частотах до 2 ГГц,при использовании транзисторов типа КТ386, КТ3101, КТ3124 и им подобных и при изменении конструкции контурных катушек.


Добавил:  Павел (Admin)  
Автор:  Неизвестно 

Вас может заинтересовать:

  1. УКВ передатчик малой мощности
  2. Высокочастотная часть УКВ ЧМ радиомикрофона
  3. Кварцевый FM-передатчик на одном транзисторе
  4. УКВ микропередатчик для телефонного аппарата
  5. Радиопередатчик с узкополосной ЧМ в диапазоне частот 140-150 МГц


    © PavKo, 2007-2018   Обратная связь   Ссылки views: 8690 -- users: 8034 -- web3   Яндекс.Метрика