Портал для радиолюбителей
   Радиомикрофоны и передатчики
    Главная -> Статьи -> Шпионские штучки -> Радиомикрофоны и передатчики


<< Назад в раздел   Распечатать Дата добавления: 2010-08-11 | Просмотров: 8587

    Простейший жучок легко изготовить из минимального набора деталей, которые можно выдрать из любого приемника, узлов телевизоров или магнитофонов. За 15 минут можно слепить вполне приличный жучок. Как-то раз я зашел к приятелю, а его позвали ужинать. На столе дымился паяльник и были разбросаны разные детальки. На кухне у него звучало нечто типа "Европа+". Я здорово удивил его, когда из приемника вместо музыки вдруг раздался мой голос...а-пчхи! Его глаза стали еще шире, когда он увидел, сколь скупыми средствами это было достигнуто.
     Все же, я надеюсь, вы найдете этм маленьким схемкам более полезное применение, чем дурачить своих друзей ;-)



  1. Радиомикрофон АМ 27 MHz ( ~ 100 m)

  Радиомикрофон представляет из себя АМ передатчик с дальностью действия около 100 метров.
  Передатчик состоит из генератора высокой частоты, собранного на транзисторе VT2, и однокаскадного усилителя звуковой частоты на транзисторе VT1. На вход последнего черех конденсатор С1 поступает звуковой сигнал от микрофона М электретного типа (МКЭ-3 или "сосна"). Нагрузку усилителя составляют резистор R3 и генератор высокой частоты, включенный межу плюсом питания и коллектором транзистора VT1. С усилением сигнала напряжение на коллекторе VT1 изменяется, что приводит к амплитудной модуляции сигнала несущей частоты передатчика, излучаемого антенной.

схема жучка 27 Мгц

  Катушка L1 намотана на каркасе из полистирола диаметром 7мм. Она имеет подстроечный сердечник из феррита 600 НН диаметром 2.8 мм и длиной 12 мм. Катушка содержит 8 витков провода ПЭВ 0.15 мм, намотанного виток к витку. Дроссель ДПМ-01 100 uН или намотан на резисторе МЛТ 0.5 с сопротивлением более 100 кОм и содержит 80 витков провода ПЭВ 0.1 мм виток к витку. В качестве антенны используется стальной упругий провод диной 20 см.
  При настройке частоту устанавливают вращением сердечника в катушке L1. После регулировки его закрепляют каплей парафина.

Наверх


  2. Радиомикрофон ЧМ 65...108 MHz

  Этот передатчик при скромных габаритах позволяет передавать информацию на расстояние до 300 метров. Прием сигнала может вестись на любой приемник УКВ ЧМ диапазона. Для питания подходит любой источник с напряжением 5...15 вольт.
  Схема передатчика приведена на рисунке (1102_2).
  Задающий генератор выполнен на транзисторе КП303. Частота генерации определяется эл-тами L1, C5, C3, VD2. Частотная модуляция осуществляется путем подачи модулирующего напряжения звуковой частоты на варикап VD2 типа КВ109. Рабочая точка варикапа задается напряжением, поступающим через резистор R2 со стабилизатора напряжения. Стабилизатор включает в себя генератор стабильного тока на полевом транзисторе VT1 типа КП103, стабилитрон VD1 типа КС147А и конеднсатор С2.
  Усилитель мощности выполнен на транзисторе VT3 типа КТ368. Режим его работы задается резистором R4. В качестве антенны используется кусок провода длиной 15...20 см.

схема жучка ЧМ 65...108 Мгц

  Дроссели Dr1 Dr2 могут быть любые индуктивностью 10...150 uH. Катушки L1 и L2 наматываются на полистироловых караксах диаметром 5 мм с подстроечными сердечниками 100ВЧ или 50ВЧ. Количество витков - 3.5 с отводом от середины, шаг намотки 1 мм, провод ПЭВ 0.5 мм. Вместо КП303 подойдет КП302 или КП307.
  Настройка заключается в установке необходимой частоты генератора конденсатором С5, получения максимальной выходной мощности путем подбора сопротивления резистора R4 и подстройке резонансной частоты контура конденсатором С10.

Наверх


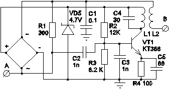
  3. Радиомикрофон большой мощности

   При использовании компактной антенны это устройство обеспечивает дальность связи около 100 метров, а при использовании полноразмерной штыревой антенны - более 600 метров.
  Сигнал от микрофона поступает на усилитель низкой частоты (транзисторы VT1, VT2) c непосредственными связями. Усиленный сигнал через фильтр R9, C4, R10 подается на варикап VD1 типа КВ109, включенный в эмиттерную цепь транзистора VT3 типа КТ904. Напряжение смещения варикапа задается коллекторным напряжением транзистора VT2. Генератор ВЧ выполнен по схеме общей базы. В коллекторной цепи транзистора VT3 включен контур C8, C9, L1. Частота настройки определяется индуктивностью катушки и емкостями C8, C5, VD1. Конденсатор С9 устанавливает глубину обратной связи, а С10 - согласование с антенной.

схема жучка большой мощности

  Дроссель любого типа идуктивностью около 60 uH. Катушка L1 - бескаркасная, с внутренним диаметром 8 мм, имеет 7 витков провода ПЭВ 0.8 мм. Длина полной антенны 0.75...1 метр. Мощность передатчика около 200 мВт. Если такая мощность не нужна, можно понизить ее, применив резистор R2 сопротивлением 50..100 кОм и заменив дроссель резистором сопротивлением около 300 Ом. Транзистор при этом можно заменить на КТ368. Стабильность частоты маломощного передатчика выше, и увеличивается срок службы батарей.

Наверх


  4. Телефонный микропередатчик

  Генератор микропередатчика выполнен на высокочастотном транзисторе VT1 прямой проводимости типа КТ361, между базой и эмиттером которого включен контур С1,L1. Катушка L2 служит для связи с линией, которая в данном случае играет роль антенны.

cхема тлф. микропередатчика

  Недостатками данного устройства являются небольшой радиус действия и наличие сетевого фона вследствие отсутсвия стабилизатора напряжения. Однако эти недостатки компенсируются исключительной простотой и дешевизной данного устройства. Катушка L1 содержит 4...6 витков провода ПЭВ 0.5 мм на диаметре 6 мм для диапазона 65...108 MHz.
Передатчик включается в разрыв телефонной линии.

Наверх


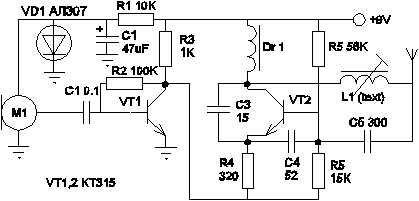
  5. Телефонный ЧМ передатчик

  Ниже предлагается усовершенствованная схема телефонного радиопередатчика с использованием телефонной линии в качестве антены и имеющего стабилизатор напряжения. Это позволяет почти полностью устранить сетевой фон.

телефонный ЧМ передатчик

  Устройство можно закамуфлировать под телефонную розетку, конденсатор, распаячную коробку. Катушку L1 наматывают на оправке диаметром 6 мм проводом ПЭВ 0.5 мм. Она содержит ок. 6 витков. L2 расположена поверх нее и имеет 3 витка того же провода. Возможно изготовление катушек прямо на плате печатным способом. При этом используется двухсторонний стеклотекстолит, а катушки для обеспечения связи располагают одна над другой.
Передатчик включается в разрыв телефонной линии.

Скачать печатную плату в формате Lay

Наверх


  6. Мой любимый жучок

  На рисунке привожу свою любимую схему. Собирал ее много раз, из самых разных деталей и она всегда классно работает. Номиналы деталей некритичны и могут отличаться в ту или иную сторону в полтора раза. Я принимал сигнал этого жучка, работающегов комнате ж/б дома на расстоянии около 300 м при отсутсвии прямой видимости на приемник плейера. Чувствительность по НЧ позволяет прослушивать громкий разговор в комнате. Если же тракт НЧ дополнить еще одним каскадом усиления, то становится слышим даже тихий шепот...Правда, от громкой речи схема тогда перегружается и бы надо еще ставить АРУ.Если же вам требуется передатчик - радиомикрофон (когда вы планируете непосредственно бубнить прямо в микрофонный капсюль), то каскад усиления НЧ вообще не нужен.

схема жучка ј6

Микрофон - телефонный электретный капсюль (применяется также в магнитофонах). На задней плате есть два контакта, один из них соединен с корпусом микрофона. Это минусовой вывод - общий. На второй контакт подается питание через резистор 5...20 кОм. Если усиление слишком велико, в цепь эммитера первого транзистора включите сопротивление 100 Ом...10 кОм. Резистор в цепи эммитера второго транзистора определяет рабочий ток генератора ВЧ. Не уменьшайте его значение ниже 50 Ом - транзистор будет перегружен. Увеличение сопротивления повышает стабильность генератора и срок службы батареи, но приводит к снижению выходной мощности. Диаметр намотки контурной катушки - 5 мм, провод 0.5 мм. Число витков катушки для диапазона FM 5-6. Грубо рабочую частоту устанавливают подстроечным конденсаторм контура, а точно - растяжением/сжатием витков катушки. Подстроечный конденсатор желательно заменить постоянным нужной емкости. Катушка связи расположена рядом с "горячей" стороной контурной катушки соосно на рассоянии 2 мм и содержит 4 витка того-же провода. Сближение катушек (вплоть до намотки катушки связи поверх контурной) и увеличение кол-ва витков катушки связи увеличивает полезную мощность в антене, но снижает стабильность частоты из-за влияния емкости антены на настройку контура (т.к. каскад усиления мощности отсутствует). Поэтому ограничьтесь максимально возможной глубиной связи, при которой влияние расположения антены в пространстве и касание ее руками не приводит к заметному уходу частоты передатчика.

Наверх


 Пример конструктива радиомикрофона

  На рисунке показан один из возможных вариантов монтажа радиомикрофона. Этот радиомикрофон рассчитан на питание от батареи типа КРОНА и смонтирован на колодке от старой батареи.

эскиз монтажафото

  С обратной стороны колодки впаиваются два штыря из луженой проволоки диаметром около 1 мм, и на них навесным способом распаивают детали. На выводах деталей пинцетом сгибают кольца и одевают на штыри. Такой монтаж обладает повышенной надежностью.

  После регулировки схемы штыри обрезают на нужную длину и припаивают верхнюю пластину, которую можно сделать из обрезка старой печатной платы. На ней распаивают также вывод антены. По завершении монтажа можно залить все эпоксидным компаундом и поместить радиомикрофон в металлический кожух (тоже берется от старой батареи). Напротив микрофона сверлят отверстие 2-3 мм.

  Следует учесть, что заливка компаундом и наличие экрана могут повлиять на частоту настройки передатчика, так как диэлектрическая проводимость компаунда больше чем воздуха, и собственная емкость катушки увеличится (снижение частоты). Немагнитный экран приводит к некоторому увеличению частоты настройки. Для уменьшения влияния экрана располагайте катушку контура дальше от его стенок.

Наверх


 Слово о приемниках

  Для приема радиомикрофонов замечательно подходят обычные радиовещательные приемники. Микрофоны диапазона 27 МГц лучше настроить немного ниже (24...26 МГц), чтобы их прием можно было вести на вещательный КВ приемник. УКВ микрофоны настраивают на свободный от вещания канал.

  Достоинством применения вещательных диапазонов является то, что не требуется специальной аппаратуры, и можно использовать приемник магнитолы и вести одновременно запись на кассету. Недостатки - вероятность того, что передачу может прослушать также и посторонее лицо, и низкая чувствительность/избирательность бытовых приемников, что в условиях городских помех сокращает эффективную дальность приема.

   На радиорынках продаются модули для ремонта, представляющие из себя готовые приемники, усилители и т.п. Они отличаются малыми габаритами и невысокой ценой. С некоторыми доработками их можно использовать для создания специального приемника. Следует приобрести моно УКВ приемник на верхний диапазон (88 - 108 Мгц) с одной контурной катушкой (такие приемники имеют низкую ПЧ и активные интегральные узкополосные фильтры). Такой приемник легко перенастроить за вещательный диапазон, только заменив контурную катушку. Достаточно удалить/добавить 1-2 витка. Невысокую чувствительность подобных приемников (обычно около 20 мкВ) можно довести до 2-5 мкВ, собрав входной усилитель. Лучшие результаты получаются с усилителем на полевом транзисторе с изол. затвором (типа КП350, КП306). За основу возьмите схему входного каскада промышленного тюнера. Входной контур (если он есть) также следует подогнать по частоте за вещательный диапазон.

  Усилитель НЧ можно сделать самому или использовать ^^^ подобный модуль. Желательно оснастить конструкцию выходом на наушники и для записи на магнитофон.

Наверх


 Настройка радиопередатчиков

  Предварительную настройку передатчика производят на деревянном столе, с которого удалены все металлические предметы. При этом все сердечники вывинчивают из ВЧ катушек и подключают вместо микрофона НЧ генератор. Подают питание несоколько ниже рабочего.
  Для настройки очень полезен простейший волномер, состоящий из колебательного контура, параметры которого зависят от рабочего диапазона. К нему поключается детекторный ВЧ диод, нагруженный на конденсатор 10 nF и микроамперметр на 50 uA (подойдет стрелочный индикатор уровня записи от кассетника). От трети витков контура делают отводок и к нему через конденсатор в несколько pF подсоединяют отрезок провода, служащий антенной. Волномер настраивают в резонанс по генератору ВЧ или "на глазок", по имеющемуся пердатчику. Более крутой варинт имеет операционный усилитель после детектора, повышающий его чувствительность, и градуированную шкалу (обычно набор сменных контуров на разные диапазоны). Если вы планируете много возиться с жучками, лучше потрудиться и смастерить такой волномер. Для разовых целей подойдет и простейший.
  Убеждаются в работоспособности генератора ВЧ с помощю волномера, поднося его антену к контуру генератора. Если жучок работает в вещательном диапазоне, пытаются настроиться на волну с помощю приемника. Добиваются устойчивой генерации при сниженном напряжении питания и надежного запуска генератора. Плавно увеличивая напряжение питания, проверяют уход частоты от напряжения. При этом, если приемник позволяет, надо отключить в нем автоподстройку частоты. Слишком большой уход частоты связан с малой емкостью конденсатора обратной связи, включенным в цепи КЭ транзистора, так, что, собственная емкость транзистора, "плывущая" от изменения тока коллектора, сильно влияет на частоту настройки контура. Соответственно, исправляют увеличением емоксти обратной связи и увеличением сопротивления в цепи эммитера. Важно не переборщить, чтобы не возникало самовозбуждения генератора. Его признаками является "многочастотный" прием, посторонние шипы и свисты по диапазону. Помогает избежать - использование других деталей, укорочение их выводов до минимальной длины, другое расположение элементов монтажа.
  Когда достигнута устойчивая генерация, к генератору подносят контур волномера и настраивают его на рабочую частоту. Затем подают полное напряжение питания, и, если есть, настраивают остальные усилилтельные каскады, пользуясь волномероом как индикатором, и постепенно удаляя его от передатчика. Мощные выходные каскады нельзя включать без нагрузки, поэтому на время настройки вместо антенны подключают резистор сопротивлением 50...75 Ом. Окончательно настройку проводят, поместив волномер на расстоянии не менее 5 м от передатчика, подключив антенну, настраивая цепи ее согласования, а также подбирают длину антенны, откусывая от нее каждый раз по 1-2 см, или вращая сердечник удлиннительной катушки. Затем снова проводят подстройку оконечного каскада.
  В последнюю очередь настраивают звуковой тракт, добиваясь необходимой чувствительности и отсутствия искажений звука.


Добавил:  Павел (Admin)  
Автор:  Неизвестно 

Вас может заинтересовать:

  1. Клавиатурный шпион (keylogger)
  2. Радиомикрофон с улучшенными характеристиками
  3. Радиомикрофоны и передатчики
  4. Приемник на ПАВ резонаторе для работы с жучками
  5. Радиопередатчик с фиксированной частотой задающего генератора


    © PavKo, 2007-2018   Обратная связь   Ссылки views: 15298 -- users: 14327 -- web3   Яндекс.Метрика