Питание К157УД2 от однополярного источника


Такая необходимость может возникнуть. Например, вам нужно собрать качественный усилитель для телефонов и установить его в таком головном устройстве, где нет источника двухполярного питания. Что делать? Просмотрев материалы на данную тему в сети, вы скорее всего найдете схему подобную этой:

Все выглядит просто замечательно : источник + 5В, немного деталей для обвески и устройство готово к работе. Тем не менее имеется ряд сомнений:
Если эти 5 вольт разделятся пополам между плечами усилителя, то на каждое из них будет приходится 2,5 вольта, а производитель указывает минимальный предел по питанию в + / - 3 вольта. Естественно, для устойчивой работы усилителя его необходимо питать от источника с напряжением не менее + / - 5 вольт. Плюс, картину портят эти переходные электролитические конденсаторы, хотя при работе на наушники этот факт не представляется существенным.
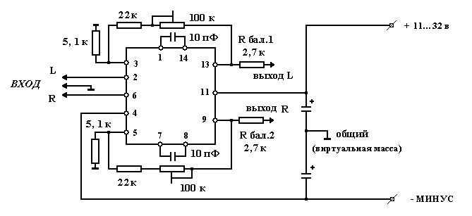
А теперь о самом печальном, схема на рисунке вверху - не работает! Я специально проверял, из любопытства. Неужели нет никакого выхода? Есть, причем он очень простой - надо всего то предоставить микросхеме "виртуальную массу", то как это делается, показано на следующем рисунке.

[b]НЕМНОГО НАСТРОЙКИ[/b]

Основное звено ООС составляют цепи из постоянных резисторов на 22 Ком и подстроечных, на 100 Ком. В том случае, когда подстроечные находятся в положении минимального сопротивления уровень усиления оптимален для подключения к линейному выходу большинства аудиоустройств. Дополнительных мер по согласованию с источником сигнала не требуется. При желании, можно увеличить уровень усиления, вращением подстроечных резисторов до требуемого предела. При работе на наушники балансные резисторы на 2,7 Ком исключать из схемы нельзя, об этом уже говорилось подробнее в первой части этой статьи.
Любителям легкого акцента на ВЧ могу рекомендовать подключить параллельно этим резисторам керамические конденсаторы емкостью 0,022...0,033 мкФ - точное значение зависит от сопротивления ваших телефонов, их индуктивности и вашего вкуса, поэкспериментируйте сами.
Какова емкость электролитов, образующих "виртуальную массу"? Вполне достаточно 10 мкФ, что бы все работало как надо, но я рекомендую увеличить их емкость до 330 мкФ что бы не допустить просадок при пиках сигнала.


Добавил:  Павел (Admin)  webmaster@radioman-portal.ru | 

Автор:  Юрий http://yooree.narod.ru/ Рейтинг@Mail.ru