Шифратор речевых сообщений


Данная схема не претендует на абсолютную защиту, но поскольку такой принцип пока еще нигде не применялся, то определенную защиту от любителей послушать обеспечивает вполне надежно. Поскольку схема имеет определенную коммерческую ценность, приводится она не полностью, а как отправная точка для дальнейших разработок. Несмотря на видимую незавершенность, это вполне "боевой" вариант. Некоторые номиналы не указаны специально, чтобы люди непосвященные в эти дела не лезли. Принцип работы данного устройства довольно оригинален и в то-же время очень прост. Кратко это выглядит примерно так. Входной сигнал разбивается со скважностью 2. Постоянное напряжение верхушек прямоугольников заменяется на напряжение звуковой частоты входа. Причем одно из них инвертируется по напряжению. И всё! В линию идут такие квазипрямоугольники, которые при прослушивании воспринимаются как искаженная тональная частота с шумами. Преобразование в звуковой сигнал дешифратором производится в обратном порядке. Причем следует заметить, что никакой кварцовки и синхронизаций не требуется. Некоторые сбои в работе в связи с помехами в линии, в питании схемы и т.п. некритичны и кполному сбою в декодировании не приводят. Ниже приводится схема устройства.
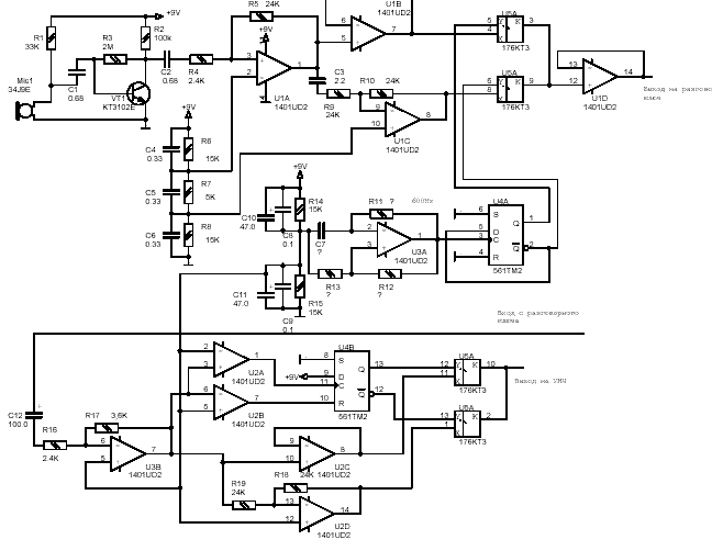
Схема шифратора речевых сообщений
Субъективно можно добавить, что работает "пароход" куда как надежнее, чем приевшаяся схема на инверсии спектра из РАДИОЛЮБИТЕЛЯ прошлых лет, которая в Инете лежит на каждом углу и причем с ошибками. Данная схема рассчитана на применение по обычным линиям со стандартной полосой пропускания 0,3-3,4 кГц. Каких либо требований к линиям связи не предъявляется. Питание схемы однополярное, с искусственно сформированной средней точкой.
Работа дешифратора
Входной микрофонный усилитель рассчитан на работу с электретным микрофоном из-за его небольших габаритов. В телефонной трубке как известно, места мало. Цепь R6-R7-R8 формирует смещение напряжений средних точек для операционных усилителей U1A и U1C, чтобы при большой величине звуковогосигнала, его нижние полуволны не переходили значения средней точки. В принципе это не страшно, но внесет в сигнал при раскодировании некоторую неразборчивость. Входной сигнал после VT1 усиливается со смещением вверх U1A, далее он повторяется U1B и со смещением вниз инвертируется U1C. Задающий генератор на U3A выполнен по стандартной схеме, причем форма выходного сигнала не критична. Каскад на R14 и R15 формирует искусственную точку для генератора и декодера. Делитель на U4A формирует прямоугольники со скважностью 2 и частотой 300 Гц, который управляет ключами 176КТ3. Ключи осуществляют выборку и смешивание звукового сигнала из прямого смещенного вверх и инвертированного смещенного вниз. В результате на выходах ключей шифратора и получается закодированная последовательность, которая усиливается по току и в дальнейшем используется по назначению.
Работа дешифратора
Входной сигнал с противоместной схемы телефонного аппарата усиливается U3B и разбивается на два направления. Одно идет на компараторы напряжения U2A и U2B, выделяющие импульсы управления из входного сигнала. Второе направление сигнала поступает на операционные усилители U2C и U2D. Одини из которых просто повторяет сигнал и является развязкой от входного, а второй его инвертирует. Далее сигнал с этих операционных усилителей поступает на управляемые U4B U5 на 176КТ3, которые формируют сигнал по тем же законам, что и в шифраторе. Сигнал на выходах коммутаторов суммируется и поступает на на УНЧ динамика или головного телефона. Нужно заметить, что входное сопротивление дальнейшего усилительного каскада должно быть не менее 100 кОм, согласно параметров работы 176КТ3.

Данная схема обеспечивает разборчивость до 95% и особых нареканий со стороны клиентов не вызывала.


Добавил:  Павел (Admin)  webmaster@radioman-portal.ru | 

Автор:  Неизвестно  Рейтинг@Mail.ru