Портал для радиолюбителей
   Беглый светодиодный огонь (вариант последний)
    Главная -> Статьи -> Цветомузыкальные установки -> Беглый светодиодный огонь (вариант последний)


<< Назад в раздел   Распечатать Дата добавления: 2007-10-08 | Просмотров: 9597

Итак, дорогие товарищи и товарки, хочу открыть вам секрет: скоро Новый Год! Ф-фу, ну все, открыл… легче стало…


Новый год – это одна большая головная боль… Нет, вы меня не правильно поняли!

Дело не в тех ощущениях, которые являются нам утром 1-го января. Все начинается гораздо раньше: в процессе подготовки. Ведь подготовить надо много, а времени, денег и сил – как правило, несоизмеримо меньше. Во-первых, нужно затариться подарками: для родных и близких, для неродных и близких, а также для до боли родных и не близких… Во-общем – много для кого. Кроме того – нужно закупить кучу продуктов для праздничного стола: как минимум, канистру шампанского и соответствующее количество ингредиентов салата «Оливье». И в завершении всех мучений – надо где-то спилить елочку, притащить ее домой и как-то хотя бы украсить. Негоже, знаете ли, когда елка неукрашенная стоит…

Поскольку готовить салаты при помощи паяльника довольно затруднительно, мы займемся именно эстетическим вопросом новогоднего торжества. А именно – елочными украшательствами. Сегодня мы изготовим звездочку, которую можно нацепить на макушку вашей йолочки и тем самым привнести оригинальность в оформление праздничного интерьера. Оригинальность? – спросите вы. А не слишком ли громко сказано?

Да да, я понимаю: красная звездочка на макушке елки как таковая – далеко не последнее слово моды. Но ведь на то нам и фантазия, чтобы сделать из обычного – необычное. Итак, что нам понадобится для изготовления йолочной игрушки «Звездочка»:


  1. Желание
  2. Фантазия
  3. Две руки + одна голова, желательно, принадлежащие одному и тому же человеку – вам то есть
  4. Кусок макетки размером 27 х 25 дырок
  5. Кусок макетки размером 13х13 дырок
  6. 35 двуцветных светодиодов (например, красно-зеленых). Если с двуцветными напряженка – можно поставить и одноцветные. Красные или желтые или какие вам больше нравятся :)
  7. Кусок монтажного провода (лучше - МГТФ).
  8. Микроконтроллер у которого есть 11 свободных каналов ввода/вывода, например, наш любимый AT90S2313 (Attiny 2313).
  9. Дешифратор на 10 выходов, например 155 ИД10
  10. 10 транзисторов PNP проводимости, например КТ502 или КТ361
  11. Ну и еще немного мелочевки, которая, думаю, найдется, если как следует порыться в ящике стола.

Ну чего, поехали!

Сначала берем двуцветные светодиоды (они выглядят примерно так):


И кусок макетки 25х27, который выглядит как кусок макетки.

Устанавливаем на нем светодиоды в примерно следующем порядке:

Чтобы вам было легче устанавливать – вот чертеж. Черным обозначены те дырки, в которые просовываются лапки светодиодов:

Выводы светодиодов расположены так: в середине общий (катод) по краям – аноды.

Устанавляваем диоды так, чтобы у всех диодов аноды одного цвета были сверху, другого – снизу, что избавит нас от лишней головной боли при их соединении. Это легко сделать, поскольку выводы имеют различную длину (не просто так, а для того чтобы их различать). Кроме того, если присмотреться, можно заметить различия у основания выводов.

Ну значит, устанавливаем, лишнее откусываем, запаиваем. Получается что-то вроде:

теперь скручиваем три жилки монтажного провода МГТФ, залуживаем его и проводим соединения согласно чертежу (ну или придумайте свой):

ВИД СНИЗУ
BOTTOM VIEW

Сделали - промываем спиртиком или ацетончиком, проверяем. Берем снова монтажный провод, только теперь не размочаливаем его на жилки – а юзаем целиковый. Соединяем то что еще не соединили. На следующем чертеже показаны точки соединения. Они также пронумерованы на схеме.

Все. Звездочка готова.

Еще раз моем ее в ацетоне. Затем отпиливаем лишнее, чтобы получилось нечто, похожее на пятиконечную советскую звезду. Отпиливаем аккуратно – чтобы не убить монтаж и светодиоды. Обрабатываем напильником. Должно получиться где-то наподобие:

Теперь надо сделать схему управления.

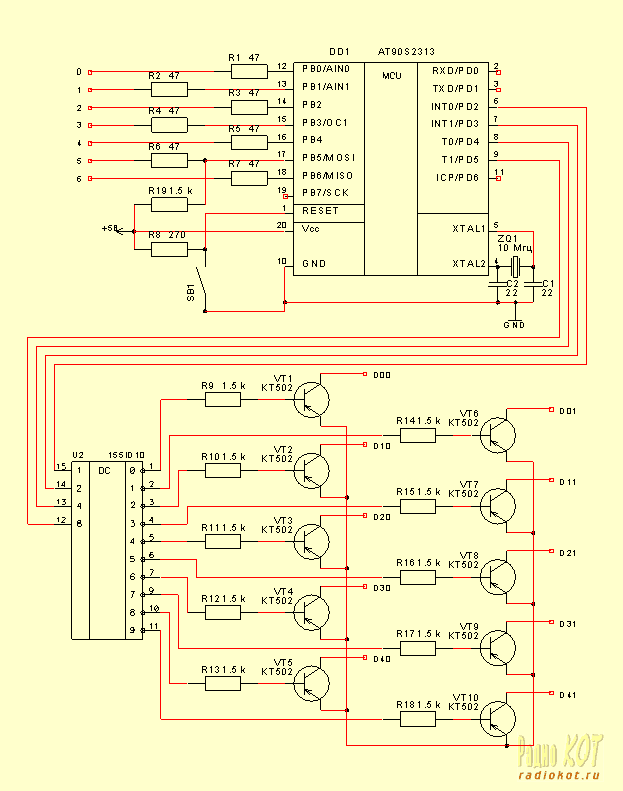
Схема управления

Вдумчиво читаем схему. Что непонятно?

Поясняю: точки 0…6 – это точки подсоединения общих катодов. Они совпадают с соответствующими точками чертежа платы звездочки.

Точки D 00… D 41 подключаются к группам анодов лучей звезды. Первая цифра означает номер луча, вторая – группу анодов. Смотрим чертеж, чтоб понять:

Кроме того, на схеме не изображен разъем программирования, который подключается к выводам контроллера: MOSI , MISO , SCK , Reset . На плате этот разъем есть, он обозначен X 1.

Ну все, можем продолжать!

Да, кстати, список того, что нам нужно на данном этапе (вначале уже об этом говорили вскользь, сейчас – поконкретнее):


Индекс

Корпус

Номинал

     

Конденсаторы

   

C1, C2

SMD 0805

22 пФ

     

Микросхемы

   

DD1

DIP-20

AT90S2313 (ATtiny2313)

DD2

DIP-16

К155ИД10

     

Кнопки

   

SB1

 

Микрокнопка 6х6 мм

( Tact switch )

     

Резисторы

   

R1-R7

SMD 0805

47 Ом

R 8

SMD 0805

270 Ом

R9-R19

SMD 0805

1,8 кОм

     

Разъем

   

X1

 

PLD-40

     

Транзисторы

   

VT1-VT10

 

КТ502Г




Ну а теперь – берем второй кусок макетки, который 13х13. Вываливаем на стол детали. Устанавливаем:

Устанавливаем. Запаиваем. Запаяли? Сверяемся:

Моем, проводим жилками соединения, а также впаиваем SMD -резисторы и конденсаторы. Резисторы показаны рыженьким, конденсаторы – синеньким. Лучше всего брать SMD -компоненты типоразмера 0805, ну или на худой конец 0603. На 1206 не соглашайтесь – они не влезают между двух пятачков макетки. Смотрим чертеж, паяем.

Моем, тянем проводочки (обозначены красным):

Ну вот и все! У вас должно получиться приблизительно так:

Осталось только соединить соответствующие точки на двух платах – и можно делать первое включение.

Правда при первом включении светодиоды не зажгутся: у нас же еще контроллер не прошит. Так что, покамест мы можем только проверить девайс с точки зрения «не греется ли чаво».

Хотя… Ладно, так и быть – вот вам тестовая программа прошивки. Если все правильно работает – звездочка должна светиться вот так:

Пока все. Как только напишется софт – будет продолжение.

Кстати – как вы поняли, все это безобразие управляется контроллером. А это дает возможность реализовать самые сумасшедшие идеи в области светодинамики. У меня конечно есть своя фантазия… точнее – генератор бредовых идей. Но я бы хотел услышать также мнение общественности. А именно – реализацию каких эффектов общественность хотела бы получить в этом девайсе.

Источник: www.radiokot.ru


Добавил:  Павел (Admin)  
Автор:   

Вас может заинтересовать:

  1. Цветомузыкальное устройство на лампах дневного света
  2. Простейшая 3-х канальная цветомузыкальная установка
  3. Беглый светодиодный огонь (вариант2)
  4. Концертный стробоскоп
  5. Еще одна цветомузыкальная установка


    © PavKo, 2007-2018   Обратная связь   Ссылки views: 623 -- users: 512 -- web3   Яндекс.Метрика