Управление приборами через USB-порт компьютера.
П. ВЫСОЧАНСКИЙ, г. Рыбница, Приднестровье, Молдавия
Устройство компьютерного управления различными приборами, схема которого показана на рис. 1, функционально подобно описанному в [1], но подключается к USB-порту компьютера, который (в отличие от СОМ-порта) сегодня есть в каждом из них. Единственная микросхема устройства — распространенный микроконтроллер ATmega8. Он необходим для организации связи по шине USB. Хотя в нем и отсутствует специализированный аппаратный модуль, эта функция выполняется программно.

Резистор R1, подключенный между положительным выводом источника питания и линией D-шины USB, переводит ее в низкоскоростной режим LS со скоростью обмена 1,5 Мбит/с, что и позволяет расшифровывать посылки компьютера программным способом. Резисторы R4 и R5 устраняют переходные процессы, возникающие при обмене информацией, что увеличивает стабильность работы. Конденсатор С1 блокирует импульсные помехи в цепи питания, что также улучшает стабильность работы устройства. Диоды VD1 и VD2 служат для понижения напряжения питания микроконтроллера приблизительно до 3,6 В — это требуется для согласования уровней с шиной USB. Сигналы управления приборами формируются на выходах РВО—РВ5 и РСО, РС1 микроконтроллера. Высокий логический уровень — напряжение около 3,4 В. Напряжение низкого уровня близко к нулю. К выходам можно подключать приборы, потребляющие ток не более 10 мА (от каждого выхода). Если требуются большие значения тока или напряжения, то следует использовать узлы согласования, показанные в [1] на рис. 5 и 6.

Устройство собрано на макетной плате, печатная не разрабатывалась. Применены резисторы МЛТ, конденсаторы С2 и СЗ — керамические высокочастотные, С1 — К50-35 или аналогичный импортный. Диоды кремниевые с падением напряжения на переходе около 0,7 В.
Программа для микроконтроллера разработана в среде Bascom-AVR версии 1.12.0.0. Для работы с шиной USB использована библиотека swusb.LBX, которая выполняет программное декодирование сигналов USB в режиме реального времени. Полученный в результате компиляции код программы из файла с расширением HEX следует загрузить во FLASH-память микроконтроллера. Для этого был использован программатор [2] совместно со встроенной в Bascom-AVR утилитой. Состояние разрядов конфигурации микроконтроллера должно соответствовать показанному на рис. 2.
При первом подключении устройства к компьютеру операционная система обнаружит новое USB HID совместимое устройство с именем "uniUSB" и установит необходимые драйверы. Через несколько секунд устройство настроено и готово к использованию. Для работы с ним была создана программа UniUSB. Она представлена в двух вариантах: для 32-разрядных (х86) и 64-разрядных (х64) операционных систем семейства Windows. Работа 32-разрядной версии проверена в операционных системах Windows 98, Windows XP, Windows 7, а 64-разрядной — только в Windows ХРх64.
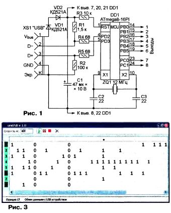
Программа UniUSB написана на языке PureBasic (версия 4.31) с использованием библиотеки пользовательских функций HIDJJb, поддерживающей работу с USB HID устройствами. Внешний вид окна программы показан на рис. 3.
В одной папке с ее исполняемым файлом должен находиться файл, называющийся UniUSB_KOfl.txt или UniCOM_KOfl.txt. Последний вариант необходим для совместимости с программой UniCOM, предложенной в [1]. В этом файле хранится сценарий управления внешними приборами. При запуске программы данные из файла загружаются в таблицу, расположенную в главном окне, а при завершении работы сохраняются в файле. Щелчок левой кнопкой мыши по ячейкам таблицы позволяет изменять их состояние: 1 — высокий логический уровень, 0 или пусто — низкий логический уровень.
Для добавления или удаления столбца таблицы нужно по ней щелкнуть правой кнопкой мыши и в появившемся меню выбрать требуемое действие.
При подключении устройства к USB-порту программа обнаружит его и активирует кнопку > , расположенную в верхней части окна на панели инструментов. Нажатием на эту кнопку запускают процесс перебора столбцов таблицы и установки указанных в них состояний выходов. Для большей наглядности слева от таблицы подсвечиваются номера выходов, на которых в данный момент установлен высокий логический уровень. Скорость перебора (время в миллисекундах между переходами от столбца к столбцу) задают в поле "Скорость, мс".
Учтите, операционная система Windows — многозадачная! Это означает, что процессорное время делится между множеством иногда скрытых от пользователя процессов, которые выполняются по очереди с учетом установленных в системе приоритетов. Поэтому не стоит ожидать большой точности выдерживания интервалов времени менее 100 мс.
Для кратковременной остановки перебора столбцов используйте кнопку JB. Повторное нажатие на нее продолжит перебор с места остановки. Кнопка ■ полностью прекращает перебор столбцов таблицы. Если в процессе обмена информацией между компьютером и устройством произойдет сбой либо устройство будет отключено от разъема USB компьютера, программа сообщит об ошибке, выведя в строке состояния соответствующее сообщение.
ЛИТЕРАТУРА
1. Носов Т. Управление приборами через СОМ-порт компьютера. — Радио, 2007, № 11,0.61,62.
2. Рыжков А. US-программатор микроконтроллеров AVR и AT89S, совместимый с AVR910. — Радио, 2008, № 7, с. 28, 29.
От редакции
Программы для микроконтроллера и компьютера находятся на нашем FTP-сервере по адресу <ftp://ftp.radio.ru/pub/2011/02/uniUSB.zip>.