Нетиповое применение стабилизаторов серий КР142ЕН8, КР142ЕН5.
Микросхемные стабилизаторы фиксированного напряжения постоянного тока КР142ЕН8А—КР142ЕН8Е, КР142ЕН5А— КР142ЕН5Г были популярны в радиолюбительских и промышленных конструкциях 10—25 лет назад. Сейчас эти стабилизаторы устарели, уступив место экономичным импульсным или линейным с малым собственным падением напряжения.
Если у радиолюбителя оказалось много старых стабилизаторов и не всем в ближайшем будущем суждено дождаться применения по своему прямому назначению, то можно попробовать реализовать на них что-то иное.
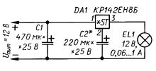
На рисунке представлена в качестве примера схема генератора световых импульсов, собранного на микросхеме КР142ЕН8Б. Этот стабилизатор рассчитан на фиксированное выходное напряжение 12 В и ток нагрузки 1,5 А, максимальная рассеиваемая мощность — 9 Вт. Как видно из схемы, генератор отличается предельной простотой. Оксидный конденсатор С2 — частотозадающий, лампа накаливания EL1 служит нагрузкой стабилизатора. Конденсатор С1 — блокировочный по цепи питания; его роль может выполнять конденсатор, установленный на выходе мостового выпрямителя в сетевом адаптере, который удобно использовать в качестве источника питания генератора.
Генератор работает с частотой около 0,8 Гц, скважность — около 5. Лампа светит в режиме — короткая пауза, сравнительно долгая вспышка.
При включении питания начинает заряжаться конденсатор С2, лампа накаливания светит в полный накал. Когда напряжение на его выводах достигает
10 В, лампа погасает, конденсатор разряжается, после чего цикл повторяется.
При напряжении питания 12 В и токе нагрузки 0,3 А напряжение на лампе во время вспышки равно 10,5 В, а во время паузы понижается до 2 В. То, что в паузе лампа не обесточивается полностью, значительно увеличивает срок ее службы. Генератор работоспособен при снижении напряжения питания до 3 В.
Для проверки работоспособности генераторов, построенных на микросхемных неуправляемых стабилизаторах на фиксированное напряжение, было проверено около полусотни отечественных и импортных микросхем серий КР142ЕН8, КР142ЕН5, 78, 78М. Почти все импортные микросхемы "генерировать" отказались — после подачи питания лампа резко включалась, а через несколько секунд напряжение на выходе понижалось на 1.5...3 В и более не изменялось. Так же вели себя микросхемы КР142ЕН5А, выпущенные после 1995 г. Стабилизаторы серии КР142ЕН8 работали в генераторном режиме все, с оговоркой, что микросхемы выпуска до 1991 г. при генерации имели меньший перепад выходного напряжения.
Среди импортных нашлись лишь две микросхемы, оказавшиеся отличными от остальных. Первая — OTI7805 — стабилизатор на фиксированное выходное напряжение 5 В. При включении его по рассмотренной схеме он стал генерировать с частотой 5 Гц и скважностью около 2 Для понижения частоты колебаний можно выбрать конденсатор С2 большей емкости.

Вторая — TL780-05C — также на фиксированное напряжение 5 В. При подаче питания лампа накаливания включалась в полный накал, а через три секунды полностью погасала, напряжение на лампе понижалось до 50 мВ. Такой своеобразный од-новибратор можно использовать, например, как сигнализатор включения питания или как узел обнуления для цифровых микросхем.
Работу генераторов я проверял с лампами накаливания с потребляемым током от 0,06 до 1 А. Если в качестве нагрузки использовать све-тодиоды, то выход стабилизатора следует дополнительно нагрузить резистором сопротивлением 150 Ом и мощностью 1 Вт. Чтобы лампы накаливания вспыхивали на полную мощность, напряжение питания генератора можно увеличить до 13,5... 15 В.
Отечественные микросхемы серии КР142, обладая хорошими электрическими параметрами, к сожалению, показали себя малонадежными "механически" — из-за тепловых деформаций монтажной платы или неаккуратной ручной формовки выводов часто нарушалось соединение выводов с кристаллом внутри корпуса. Поэтому при работе с этими микросхемами необходимо исключить существенные нагрузки между выводами и корпусом, а установленную на теплоотвод микросхему соединять с монтажной платой короткими отрезками гибкого провода.