Портал для радиолюбителей
   Электронный стетоскоп
    Главная -> Статьи -> Разное -> Электронный стетоскоп


<< Назад в раздел   Распечатать Дата добавления: 2011-04-09 | Просмотров: 19023

Н. ФАЛАЛЕЕВ, г. Луганск, Украина

История создания этого устройства началась с появившейся у автора необходимости многократно измерять артериальное давление. Внешние мешающие шумы, пониженное давление, а также слабый тонус кровеносных сосудов значительно затрудняли прослушивание пульса обычным стетоскопом, особенно если он невысокого качества. Изрядно намучившись с измерениями, автор пришел к выводу, что необходим прибор, который помог бы услышать пульсацию крови даже в условиях постороннего шума.

Попытка решить проблему в лоб — сделать простой усилитель звука для стандартного стетоскопа — сразу потерпела неудачу, поскольку прямое усиление сигнала приводило к самовозбуждению в петле обратной связи, образованной микрофоном, усилителем и телефоном. Подавление же возбуждения электронным способом неизбежно приводило к значительному усложнению всего устройства.

Для решения задачи был исследован частотный спектр сигнала пульса. В результате обнаружено, что с момента начала прохождения крови по артерии и до достижения нижнего значения артериального давления в сигнале присутствуют колебания частотой около 33 Гц. Поскольку эта частота лежит на границе чувствительности человеческого уха, возникла идея перенести колебания частотой 33 Гц в ту частотную область, где ухо обладает наибольшей чувствительностью. После нескольких опытов было разработано устройство, наиболее полно отвечающее требованиям надежности, простоты и качества, которое и предлагается вниманию читателей.

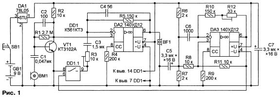
Схема прибора изображена на рис. 1. Предварительный усилитель, собранный на транзисторе VT1, усиливает сигнал акустического датчика (микрофона) ВМ1 — обычного пье-зоизлучателя от электронного будильника. Основное усиление обеспечивает усилитель-модулятор, собранный на ОУ DA2. Он имеет два фиксированных значения коэффициента усиления, переключаемых с помощью электронного ключа DD1.1. При замкнутом ключе усиление равно 1+R5/R3, а при разомкнутом — единице. В результате усиленный сигнал на выходе ОУ промодулирован импульсами частотой около 2,5 кГц, поданными на управляющий вход ключа от генератора, собранного на ОУ DA3. С выхода ОУ DA2 сигнал поступает на пьезоизлучатель звука BF1, аналогичный излучателю, использованному как микрофон.

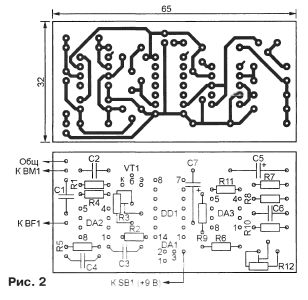
Прибор собран на печатной плате, изображенной на рис. 2. Микросхемы 140УД12 можно заменить на К140УД12, КР140УД12 или на К1407УД2 с соответствующей корректировкой печатной платы. Вместо интегрального стабилизатора 78L05 подойдет и любой другой с напряжением стабилизации 5 В. в том числе и более мощный КР142ЕН5А. В последнем случае габариты прибора придется увеличить. Практика показала, что стетоскоп нормально работает при изменении напряжения питания микросхем в довольно широких пределах. Поэтому можно обойтись и без стабилизатора, соединив на печатной плате перемычкой контактные площадки его входа (вывод 3) и выхода (вывод 1). Замена транзистора КТ3102А - любой той же серии или серии КТ342. Автор использовал оксидные конденсаторы К53-14, но могут быть применены подобные конденсаторы и другого типа. Остальные конденсаторы — керамические, серии КМ. Питается прибор от гальванической батареи GB1, например "Крона".

Внешний вид прибора со снятой крышкой корпуса показан на рис. 3. Подбирая для него корпус, нужно помнить, что пьезоизлучатель BF1 должен быть расположен так, чтобы его излучающая поверхность не была закрыта корпусом и звук проходил свободно. В данном случае он находится под платой над имеющимися в корпусе отверстиями.

Микрофон ВМ1 соединяют с прибором тонким экранированным, обязательно и гибким проводом длиной около 0,5...0,6 м. Очень хорошо подходит для этой цели импортный экранированный кабель, используемый в аудиотехнике. Кнопку SB1 следует закрепить на корпусе прибора в месте, удобном для пользования. Этой кнопкой подают питание на прибор во время измерения. В авторском варианте применена кнопка от компьютерной мыши, имеющая малые размеры и требующая небольшого усилия для нажатия

Подав на готовый стетоскоп напряжение питания, подборкой резистора R1 установите между коллектором и эмиттером транзистора VT1 приблизительно половину этого напряжения. Затем подстроечным резистором R12

настройте генератор на ОУ DA3 на частоту резонанса пьезоизлучателя BF1. Определив момент резонанса на слух, нужно уменьшить (либо увеличить) частоту генератора на 100...200 Гц. Это необходимо, чтобы исключить "смазывание" полезного сигнала.

Далее наденьте манжету для измерения кровяного давления на руку помощника. Нижний край манжеты должен находиться на локтевом сгибе. Под нее заложите микрофон ВМ1 таким образом, чтобы центр его чувствительной поверхности пришелся на вену, в которую обычно делают внутривенные уколы. При этом нужно учитывать, что наиболее чувствительна одна из сторон пьезомикрофона. Ее необходимо определить опытным путем.

Движок подстроечного резистора R3 сначала установите в положение, при котором обеспечивается максимальное усиление без самовозбуждения усили-

теля Накачав воздух в манжету, включите питание прибора и, постепенно снижая давление контролируйте на слух моменты появления и пропадания сигнала. Затем, изменяя сопротивление подстроечного резистора, проведите несколько пробных измерений, добиваясь наиболее четкого восприятия моментов появления и спада сигнала.

Следует помнить, что настройка генератора на частоту, слишком близкую к резонансу пьезоизлучателя BF1, либо чрезмерное усиление приводят к значительному "смазыванию" звука или к самовозбуждению устройства.

Проведя несколько измерений давления с помощью электронного стетоскопа и сравнивая результаты с полученными обычным методом, можно научиться довольно точно определять артериальное давление даже в условиях небольшого шума.


Добавил:  Павел (Admin)  
Автор:  Н. ФАЛАЛЕЕВ, г. Луганск (Радио №4, 2011 г.) 

Вас может заинтересовать:

  1. Программа Spectrum Laboratory
  2. Диагностирование и ремонт адаптера на микросхеме STR-E1414 для питания ноутбука
  3. Электронный стетоскоп
  4. Струйно-диффузионный способ изготовления печатных плат.
  5. Регулятор температуры жала электропаяльника


    © PavKo, 2007-2018   Обратная связь   Ссылки views: 1326 -- users: 846 -- web3   Яндекс.Метрика