Портал для радиолюбителей
   Гидроионизатор
    Главная -> Статьи -> Медицинская техника -> Гидроионизатор


<< Назад в раздел   Распечатать Дата добавления: 2011-10-27 | Просмотров: 8727

Целебные свойства воздуха лесов, гор, альпийских лугов, моря человечеству известны давно. Еще древнегреческий врач Гиппократ заметил, что горный и морской воздух действуют на человека благотворно, исцеляя от многих болезней. Природу благоприятного воздействия такого воздуха открыли ученые И. Эльстер и Г. Гейтель. Они установили, что целебными свойствами обладают ионы газов воздуха - аэроионы, как их позднее назвал А. Чижевский. Ионизация воздуха происходит под влиянием радиоактивного излучения почвы и воды, ультрафиолетового излучения Солнца, космических лучей, электрических разрядов в атмосфере (молний, разрядов на вершинах гор, иглах хвойных деревьев и т.д.), а также при дроблении воды и ее распылении при шторме, дожде, у водопадов. Аэроионы имеют отрицательный или положительный заряд. Отрицательные аэроионы представлены кислородом, который легко захватывает извне свободные электроны. Положительные аэроионы - углекислым газом и азотом, если они лишаются одного из электронов. Отрицательные и положительные аэроионы действуют на организм человека и животных неодинаково. Чижевский в своих опытах выяснил, что отрицательные аэроионы продлевают жизнь, а положительные, наоборот, сокращают жизнь. Но еще пагубнее влиял на животных воздух, лишенный всех аэроионов. Воздух с избытком аэроионов кислорода стабилизирует артериальное давление, делает дыхание более глубоким, повышает аппетит и улучшает пищеварение. Аэроионы влияют на физико-химические свойства крови: скорость оседания эритроцитов, концентрацию сахара и холестерина. В хвойном лесу в солнечный день количество аэроионов достигает 10 тыс. в 1 см3 воздуха, в горах до 20 тыс., у водопадов - до 100 тыс. Построив дома, человек практически лишил себя возможности дышать ионизированным воздухом. В жилом помещении количество отрицательных аэроионов не превышает 100...200 см3. В служебных помещениях в конце рабочего дня количество отрицательных аэроионов падает до 25...50 в см3. Отрицательные аэроионы практически отсутствуют вблизи телевизоров, мониторов, оргтехники, в помещениях с кондиционерами и приточной вентиляцией. В таких помещениях в основном присутствуют положительные аэроионы, оказывающие на человека негативное влияние. Практически во всех типах ионизаторов используется эффлювиальный способ ионизации воздуха. Он заключается в следующем. Если на острие иглы подать высокое напряжение ([минусk на иглу, а [плюсk - на землю), то с острия будут [стекатьk электроны ([эффлювийk - по-гречески [истечениеk). Движущиеся электроны на своем пути [прилипаютk к молекулам кислорода, образуя отрицательные аэроионы. А. Чижевский выработал ряд требований к ионизаторам воздуха, особо важно, чтобы ионизатор не вырабатывал озона и азотистых соединений. Так как озон и диоксиды азота являются сильными окислителями. Радиолюбители конструируют [люстры Чижевскогоk, в которых используется эффлювиальный способ ионизации. Но так как любительские конструкции сильно отличаются от той конструкции, которую предложил Чижевский, то либо низка эффективность аэроионизаторов, либо они вырабатывают озон и окислы азота. Так, большинство конструкций, представляет высоковольтный блок на базе доработанного выходного строчного трансформатора телевизионного приемника с умножением напряжения. Конструкции излучателя электронов должного внимания не уделяется. Приборов для измерения количества аэроионов в 1 см3 воздуха пока нет. Такие конструкции хорошо выполняют функции очистки воздуха, но как аэроионизаторы - малоэффективны, поскольку необходимая для человека концентрация аэроионов создается в них на малом расстоянии -в зоне образования озона. Но существуют конструкции, позволяющие генерировать отрицательные аэроионы без высокого напряжения, за счет баллоэффекта (распыления воды). Это так называемые гидроионизаторы. Существуют механические и электронные гидроионизаторы. Распыление воды производится с помощью ультразвуковых колебаний пьезоэлектрической вогнутой пластины, помещенной на дне емкости. Электрическая схема генератора ультразвуковых колебаний показана на рис.1.

Схема гидроионизатора

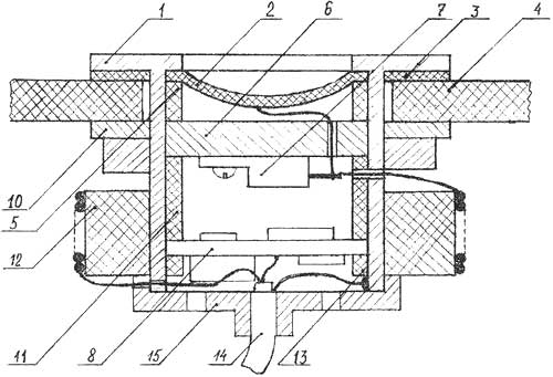
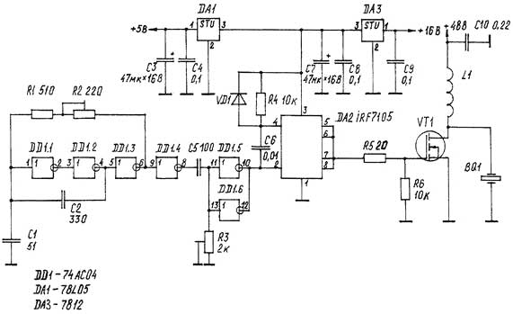
На элементах DD1.1-DD1.3 собран генератор прямоугольных импульсов на частоту 1,8...2,0 МГц. Микросхема DD1 типа 74АС04 на комплементарных полевых транзисторах со структурой металл-окисел-полупроводник, являющаяся вариантом широко распространенной серии транзисторно-транзисторной логики SN74, позволила получить крутые фронты импульсов, малый ток потребления, небольшие номиналы частотно-задающих элементов по сравнению с генератором, выполненном на микросхеме SN7404 (К155ЛН1). Элемент DD1.4 - буферный. С выхода DD1.4 импульсы поступают на дифференцирующую цепь C5R3. Изменяя постоянную времени RC-цепи с помощью подстроечного резистора R3, можно менять длительность импульсов на выходе элементов DD1.5, DD1.6, следовательно, будет меняться скважность импульсов от 0 до 2. Таким образом, регулируется мощность, подаваемая на пьезоизлучатель BQ1, и количество генерируемых отрицательных аэроионов. Так как порог открывания мощного MOSFET-транзистора VT1 около 5 В, и для быстрого открытия и закрытия транзистора нужны значительные токи, необходимо использовать усилитель. В качестве него применена микросхема DA2 IRF7105, состоящая из двух полевых транзисторов: n-канального и р-канального. Характеристики n-канального транзистора: ток стока 3,5 А, рассеиваемая мощность 2,0 Вт. Характеристики р-канального транзистора: ток стока 2,5 А, рассеиваемая мощность 2,0 Вт. Такой величины тока, при напряжении питания DA2 12 В, вполне достаточно, чтобы быстро перезаряжать входную емкость MOSFET-транзистора. При низком логическом уровне на выходе DD1.5, DD1.6 открывается р-канальный транзистор в DA2. При этом на затвор транзистора VT1 через резистор R5 подается +12 В, и транзистор VT1 открывается. При высоком логическом уровне на выходе DD1.5, DD1.6 открывается n-ка-нальный транзистор в DA2. В этом случае затвор транзистора VT1 через резистор R5 соединяется с общим выводом источника питания, и транзистор VT1 закрывается. При закрытом MOSFET-транзисторе заряжается статическая емкость пьезоэлемента BQ1 через индуктивность L1. При открытом транзисторе VT1 статическая емкость пьезоэлемента BQ1 разряжается. При этом пьезоэлемент испытывает деформацию. Колебания пьезоэлемента с ультразвуковой частотой создают в жидкости продольные упругие волны. При расположении пьезоэлемента на дне емкости и заполнении ее водой на уровень, равный фокусному размеру пьезоэлемента, с поверхности воды будет подниматься небольшой фонтан, сопровождающийся туманом - мелкодисперсными каплями воды. Эти капли воды являются носителями отрицательных аэроионов. В конструкции (рис.2) использован излучатель вогнутой формы диаметром 30 мм и фокусным расстоянием 70 мм из пьезокерамики ЦТС на частоту 1,8...2,0 МГц. В корпус из латуни 1 вклеен с помощью токопроводящего клея пьезоэлемент 2. Снизу он дополнительно прижат капролоновым кольцом 5. Корпус закреплен на дне емкости 4 с помощью латунного кольца 10 и уплотнительного резинового кольца 3. Снизу к кольцу 5 прижата капролоновой втулкой 11 массивная латунная шайба 6, служащая радиатором для транзистора 7. В шайбе имеется отверстие для проводника, соединяющего пьезоэлемент со стоком транзистора. MOSFET-транзистор закреплен на радиаторе через изолирующую прокладку. Плата с радиоэлементами 8 прижата снизу капролоновым кольцом 13. В нижней части корпуса 1, на его внешней стороне, расположена катушка индуктивности 1 2 (L1 по схеме), намотанная на каркасе из диэлектрика. Питание от выпрямителя подается по двухжильному экранированному кабелю 14 через центральное отверстие в крышке 15 корпуса 1.

Настройка электронной схемы заключается в следующем. В первую очередь, отдельно от силового транзистора настраивают генератор на частоту параллельного резонанса пьезоэлемента BQ1 с помощью резистора R2. Резистором R3 устанавливают на выходе DA2 минимальную длительность импульсов. Затем устанавливают плату в корпус и производят все соединения. В емкость с установленным корпусом наливают отстоянную воду. Уровень наполнения емкости - не выше фокусного расстояния пьезоэлемента. Подают напряжение на схему от источника с ограничением по току. Контролируя напряжение осциллографом в точке соединения L1, стока транзистора VT1 и пьезоэлемента BQ1, путем увеличения мощности резистором R3 добиваются размаха сигнала 120 В от пика до пика. Подстройкой частоты резистором R2 добиваются минимума потребления тока от источника +48 В. Как правило, при этом наблюдается образование наибольшего количества отрицательных аэроионов. Конструкция печатной платы. Радиоэлементы установлены на круглой печатной плате из двустороннего фольгированного стеклотекстолита. Монтаж произведен с обеих сторон платы. Микросхемы DD1 и DA2 в SMD-исполнении. Постоянные резисторы типоразмера 1206, можно установить вертикально резисторы типа С2-23 мощностью 0,062 Вт. Подстроечные резисторы R2, R3 типа СПЗ-19а. Постоянные конденсаторы керамические типоразмера 1206. Электролитические конденсаторы фирмы HITANO серии ЕСА. Диод VD1 любой импульсный типа КД522. MOSFET-транзистор VT1 типа IRF630S, IRF730S в корпусе D2-PACK или аналогичный, n-канальный. Катушка L1 содержит 15 витков провода ПЭВ-2 диаметром 0,8 мм.

По материалам журнала Радоаматор.


Добавил:  Павел (Admin)  
Автор:  Неизвестно 

Вас может заинтересовать:

  1. Инструкция по эксплуатации мозгового электростимулятора
  2. Электроакупунктурный стимулятор для профессионалов
  3. Датчик [мокрые пеленки]
  4. Электростимулятор биологически активных точек
  5. Устройство психоэмоциональной коррекции


    © PavKo, 2007-2018   Обратная связь   Ссылки views: 7938 -- users: 5890 -- web3   Яндекс.Метрика