Портал для радиолюбителей
   Видеоразветвители мощностий
    Главная -> Статьи -> Телевизионная техника -> Видеоразветвители мощностий


<< Назад в раздел   Распечатать Дата добавления: 2011-10-28 | Просмотров: 10732

PPP В технике кабельного телевидения (КТВ) широко используются делители мощности (сплиттеры) сигналов. Они используются для внешней и внутридомовой разводки сетей КТВ и имеют различную конфигурацию. Обычно мощность, подаваемая на вход делителя, равномерно распределяется между несколькими выходами. Однако имеется обособленный класс делителей, именуемых ответвителями, которые ответвляют часть мощности, передаваемой по магистральному кабелю.

PPP Схема на рис.1 представляет собой широкополосный делитель, равномерно распределяющий входной сигнал между N выходами. Коэффициент затухания сигнала К3 на любом выходе рассчитывается по формуле

Кз = 20*lg(N) (дБ). PPP(1)

Широкополосный делитель

Рис.1. Широкополосный делитель

PPP Как можно заметить из данной формулы, сигнал на любом выходе ослабляется. Если усилить сигнал на выходе делителя до уровня входного, то получим активный делитель, или разветвитель Конструктивно усилитель включают до делителя, а коэффициент его усиления выбирают равным коэффициенту затухания делителя (Кз). Резисторы R1...RN равны и вычисляются по формуле

Расчетная формула для делителя (рис.1) PPP(2)

PPP Сопротивления входа и выходов должны быть равными Zн (условие согласования нагрузки).

PPP В таблице1 приведены данные делителей, имеющих N выходов, работающих на нагрузку 75 Ом.

Таблица 1
R1...RN, Ом Кз, дБ
2 25 6,02
3 37,5 9,54
4 45 12,04
5 50 13,98
6 53,6 15,56
7 56,3 16,90
8 58,3 18,06
9 60 19,08
10 61,4 20
16 66,2 24,08
PZн=5 Ом P
Основным достоинством этих устройств является их широкополосность и равномерность АЧХ в полосе пропускания. На рис.2 изображена конструкция делителя с тремя выходами. Все резисторы имеют сопротивление 37,5 Ом. Делитель собирается в латунной или дюралюминиевой коробке. Входной и выходные разъемы - типа "F" или "SMA". Первые предпочтительнее, т.к. предусматривают подключение коаксиальных кабелей без использования пайки.

Конструкция делителя с тремя выходами

Рис.2. Конструкция делителя с тремя выходами

Печатная плата делителя с тремя выходами

Рис.3. Печатная плата делителя с тремя выходами

PPP Теоретически полоса пропускания такой схемы не ограничена. Однако при использовании монтажа, приведенного на рис.2, на высоких частотах (выше 800 МГц) АЧХ становится неравномерной и имеет спад (сказывается влияние паразитных емкостей и индуктивностей выводов резисторов).

PPP Для устранения данного нежелательного явления используют безвыводные резисторы, монтируемые на поверхность печатных плат. Печатная плата (рис.3) выполнена из двустороннего фольгированного стеклотекстолита марки СТНФ толщиной 1,5 мм. Ширина дорожек - 1,2 мм. Резисторы впаиваются в разрывы дорожек. Применение данного метода позволяет получать отличные результаты работы делителей на частотах вплоть до 3 ГГц. При использовании делителей на более высоких частотах, печатную плату изготавливают из фторопласта.

PPP На практике широкополосные делители используются для распределения сигналов от конвертора приемника спутниковых ТВ-программ между несколькими тюнерами (внутренними блоками). Для компенсации затухания сигнала в делителе используется компенсирующий усилитель.

PPP Принципиальная схема разветвителя сигналов первой ПЧ в приемниках СТВ-программ изображена на рис.4, а монтажная схема, выполненная по SMD-технологии - на рис.5.

Разветвитель сигналов первой ПЧ в приемниках

СТВ-программ

Рис.4. Разветвитель сигналов первой ПЧ в приемниках СТВ-программ

Монтажная схема разветвителя

Рис.5. Монтажная схема разветвителя

Крестики на чертеже платы указывают сквозные отверстия, через которые соответствующие печатные дорожки соединяются с общей шиной (второй стороной). Общая шина имеет электрический контакт с корпусом разветвителя. XS1.. .XS3 - "F"-разъемы. Все элементы (в том числе L1 и L3) - SMD-типа (можно применить обычные элементы, откусив полностью их выводы и припаяв непосредственно к печатным дорожкам). Катушка L2 - бескаркасная, с внутренним диаметром 3 мм, имеет 4 витка провода ПЭВТЛ диаметром 0,47 мм.

PPP Как можно видеть из схемы, компенсирующий усилитель питается постоянным напряжением (одновременно питающим и наружный конвертор), которое поступает от тюнера, включенного на "Выход 1". Прохождение напряжения питания от второго тюнера и колебания частотой 22 кГц блокируются развязывающей емкостью С5. Таким образом, ведущим тюнером оказывается тот, который подключен к разъему XS2 "Выход 1".

PPP На рис.6 изображена принципиальная схема делителя-ответвителя, который, в отличие от схемы на рис.1, имеет меньшее затухание. Ответвители широко используются в сетях КТВ при подъездной разводке. Сигнал от магистрального кабеля через магистральный ответвитель подается на подъездный кабель (более тонкий, чем магистральный). На каждом этаже в разрыв кабеля включаются ответвители, показанные на рис.6. При этом неважно, какой из разъемов, XS1 или XS8, является входом (выходом).

Делитель-ответвитель

Рис.6. Принципиальная схема делителя-ответвителя

PPP На последнем этаже, где оканчивается подъездный кабель, устанавливают либо ответвитель, к выходу которого подключают заглушку 75 Ом ("терминатор"), либо разветвитель, показанный на рис.7.

Разветвитель

Рис.7. Принципиальная схема разветвителя

PPP Подъездные разветвители собирают в латунных или дюралюминиевых корпусах соответствующих размеров. Все индуктивности - бескаркасные, диаметр 5 мм. L1, L4 (рис.6) и L1, L2 (рис.7) - 2,5 витка; 12, L3 (рис.6) - 6 витков, намотанных проводом ПЭВТЛ диаметр 0,8 мм, шаг намотки - 1,5 мм. Все разъемы - типа "F".

PPP Для ответвления сигналов от магистральных кабелей используют ответвители, собранные по аналогичным схемам (рис.8,9). В связи с тем, что пассивные компоненты передают в данном случае более высокую мощность, нагрузочные резисторы должны иметь допустимую рассеиваемую мощность не менее 2 Вт. Соответственно изменен тип разъемов, через которые ответвитель подключается к магистральному кабелю. В качестве XS1, XS2 используют СВЧ-разъемы типа СР-75-66ФВ. Катушки L1, L2 наматываются проводом ПЭВТЛ диаметр 1,2 мм (при настройке уточняют шаг витков).

Магистральный ответвитель

Магистральный ответвитель

Рис.8,9. Магистральные ответвители

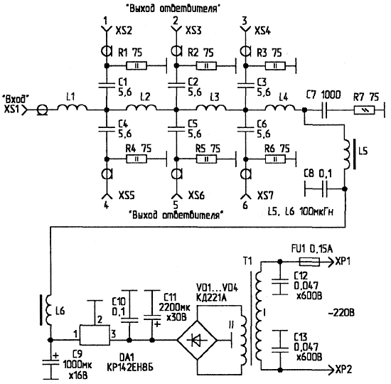
PPP В принципе, возможно изготовление магистральных ответвителей со сколь угодно большим количеством отводящих выходов, однако на практике достаточно иметь два отвода. На конце магистрального кабеля устанавливают либо ответвитель (рис.8), к выходу которого подключается 75-омный терминатор, либо разветвитель (рис.7). Описанные ответвители хорошо работают на частотах до 300 МГц и достаточно прилично - в диапазоне 300...800 МГц. Если подъездный ответвитель используется для разводки сигнала от коллективной ДМВ- или MMDS-антенны, которые имеют наружный усилитель и конвертор, на этажах устанавливают ответвители, изображенные на рис.6, а на конце кабеля - разветвитель-инжектор питания (рис.10). Индуктивности L1 ...L4 идентичны применяемым в схеме на рис.6. L5 и L6 - типа Д-0,1. В качестве Т1 используют любой малогабаритный трансформатор с выходным напряжением 15 В и допустимым током 0,5...0,7 А. Устройство собрано в дюралюминиевом корпусе; элементы блока питания отделяются от схемы разветвителя перегородкой. DA1 крепится непосредственно к корпусу, играющему роль теплоотвода.

Разветвитель-инжектор питания

Рис.10. Разветвитель-инжектор питания

PPP На рис.11 изображена типичная схема разводки сигнала от одной MMDS-антенны (2,5...2,7 ГГц) [1]. В качестве подъездного кабеля используют RG-6U, абонентского - RG-6. При отладке системы необходимо уточнить требуемое напряжение питания конвертора MMDS. Если оно отличается от 12 В, необходимо заменить DA1 (рис.10) на соответствующую (например, для Uп=15 В используется КР142ЕН8В).

Схема разводки сигнала от одной MMDS-антенны

Рис.11. Схема разводки сигнала от одной MMDS-антенны

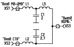
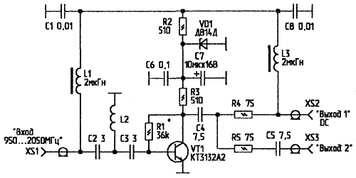
PPP Нельзя обойти вниманием класс устройств, называемый "комбайнерами-сплиттерами" СТВ/ТВ сигналов. Принцип их работы поясняется на рис.12. Комбайнер складывает сигналы ПЧ1 СТВ от конвертора (полоса частот, занимаемых сигналом - 950...2050 МГц) и усиленные антенным усилителем сигналы MB и ДМВ ТВ-программ (48...800 МГц). Результирующий сигнал по кабелю снижения подается на сплиттер-разветвитель, где снова выделяются сигналы ПЧ1 СТВ (подаются на СТВ-тюнер) и МВ/ДМВ-сигналы ТВ (подаются на антенный вход ТВ-приемника). На рис.13 приведена схема комбайнера. XS1...XS3 - "F"-разъемы. Схема монтируется в дюралюминиевом корпусе. Индуктивности - бескаркасные, d2,5 мм. Они намотаны посеребренным проводом d0,31 мм и имеют: L1 - 2 витка, L2 - 3 витка, a L3 - 2,5 витка.

Принцип работы комбайнеров-сплиттеров

Рис.12. Принцип работы комбайнеров-сплиттеров

Схема комбайнера

Рис.13. Схема комбайнера

PPP Антенный усилитель МВ/ДМВ питается от постоянного напряжения, поступающего с СТВ-тюнера. Ток потребления усилителя не должен превышать 50...70 мА.

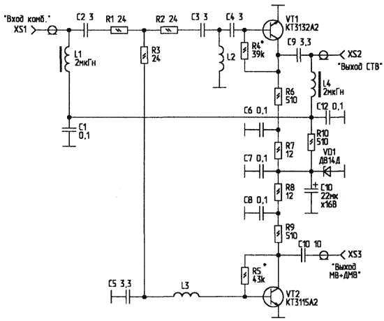
PPP На рис.14 изображена схема активного сплиттера, который разделяет сигналы, объединенные комбайнером, а также компенсирует затухание, вносимое делителем, входящим в состав сплиттера. Компенсирующий усилитель питается от СТВ-тюнера через кабель снижения. L2 и L3 - бескаркасные, d3 мм, намотаны посеребренным проводом d0,31 мм и имеют: L2 - 3,5 витка, a L3 - 3 витка соответственно. Сплиттер монтируется SMD-методом и заключается в латунный или дюралюминиевый корпус.

Схема активного сплиттера

Рис.14. Схема активного сплиттера

PPP В заключение следует отметить, что при настройке вышеописанных устройств желательно использовать ГКЧ с полосой качания от 30 до 3000 МГц. После настройки устройств необходимо снять их точные АЧХ и нанести их на верхние крышки устройств, для наглядного представления характеристик используемых схем.

PPP Во избежание поражения плавающими потенциалами необходимо предусмотреть заземление корпусов всех описанных устройств.

Источники

  1. Федоров В. Микроволновые системы распределения ТВ-программ. - Радиолюбитель, 1999, N11, С.5-7

Автор: В.ФЕДОРОВ, 398046, г.Липецк-46, а/я 1341


Добавил:  Павел (Admin)  
Автор:  Неизвестно 

Вас может заинтересовать:

  1. Передатчик видеопрограмм без проводов
  2. Простой конвертер для приема телевидения MMDS 2,5-2,7 ГГц
  3. Подавитель шумов и автоматическое выключение в телевизоре УЛПЦТ(И)-61-11
  4. Конвертер 2500-2700 МГц в 470-670 МГц с симметричным входом
  5. Видеоразветвители мощностий


    © PavKo, 2007-2018   Обратная связь   Ссылки views: 14058 -- users: 13509 -- web3   Яндекс.Метрика