Портал для радиолюбителей
   Коллекция схем умножителей напряжения
    Главная -> Статьи -> Блоки питания, зарядные устройства -> Коллекция схем умножителей напряжения


<< Назад в раздел   Распечатать Дата добавления: 2011-11-07 | Просмотров: 251685

Умножитель напряжения -  схема выпрямителя особого типа, амплитуда напряжение на выходе которой теоретически в целое число раз выше, чем на входе. То есть, с помощью удвоителя напряжения можно получить 200 В постоянного тока из 100 В переменного тока источника, а с помощью умножителя на четыре — 400 В постоянного. Это если не учитывать падение напряжения на диодах (0,7В на каждом). 

В реальных схемах любая нагрузка будет уменьшать полученное напряжение. Умножитель содержит в себе конденсаторы и диоды. Нагрузочная способность умножителя пропорциональна частоте, величине емкости входящих в его состав конденсаторов и обратно пропорциональна числу звеньев.

А теперь, к Вашему вниманию -  "экспонаты" коллекции:

  • Удвоитель напряжения Латура-Делона-Гренашера

Особенности: хорошая нагрузочная способность.

  • Несимметричный умножитель напряжения (Кокрофта-Уолтона)

Особенности: универсальность, низкая нагрузочная способность.

Генераторы Кокрофта-Уолтона применяются во многих областях техники, в частности, в лазерных системах, в источниках высокого напряжения, в системах рентгеновского излучения, подсветке жидкокристаллических экранов, лампах бегущей волны, ионных насосах, электростатических системах, ионизаторах воздуха, ускорителях частиц, копировальных аппаратах, осциллографах, телевизорах и во многих других устройствах, где необходимо одновременно высокое напряжение и постоянный ток.

  • Утроитель, 1-й вариант

Особенности: хорошая нагрузочная способность.

  • Утроитель, 2-й вариант

Особенности: хорошая нагрузочная способность.

  • Утроитель, 3-й вариант


Особенности: хорошая нагрузочная способность.

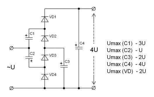
  • Умножитель на 4, 1-й вариант

Особенности: симметричная схема, хорошая нагрузочная способность.

  • Умножитель на 4, 2-й вариант

Особенности: симметричная схема, хорошая нагрузочная способность.

  • Умножитель на 4, 3-й вариант

Особенности: симметричная схема, хорошая нагрузочная способность, две полярности относительно общей точки.

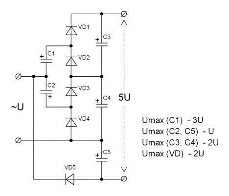
  • Умножитель на 5, 1-й вариант

Особенности: хорошая нагрузочная способность.

  • Умножитель на 6, 1-й вариант

Особенности: хорошая нагрузочная способность.

  • Умножитель на 6, 2-й вариант

Особенности: симметричная схема, хорошая нагрузочная способность, две полярности относительно общей точки.

  • Умножитель на 8, 1-й вариант

Особенности: симметричная схема, хорошая нагрузочная способность.

  • Умножитель на 8, 2-й вариант

Особенности: симметричная схема, хорошая нагрузочная способность, две полярности относительно общей точки.

  • Умножитель напряжения Шенкеля – Вилларда

Особенности: симметричная схема, превосходная нагрузочная способность, ступенчатое увеличение напряжения на каждом звене.

  • Умножитель со ступенчатой нагрузочной способностью

Особенности: нагрузочная характеристика имеет две области - область низкой мощности – в диапазоне выходных напряжений от 2U до U и область повышенной мощности – при выходном напряжении ниже U.

  • Выпрямитель с вольтодобавкой

Особенности: наличие дополнительного маломощного выхода с удвоенным напряжением питания.

  • Умножитель из диодных мостов

Особенности: хорошая нагрузочная способность. Одна из классических схем умножения напряжения в высоковольтных источниках питания для физических экспериментов. На рисунке изображен удвоитель напряжения, но число каскадов в умножителе может быть увеличено.

Источники:

http://electros.wallst.ru/index.html

http://ru.wikipedia.org/wiki/Генератор_Кокрофта-Уолтона


Автор:  Павел (Admin)  

Вас может заинтересовать:

  1. Звуковой сигнализатор перегрузки блока питания
  2. Блок питания 1...29 Вольт
  3. Устройство для автоматической подзарядки аккумуляторов в системе аварийного питания
  4. Блок питания на микросхеме LM723
  5. Простой автогенераторный ИИП мощностью 1,5 кВт для УМЗЧ


    © PavKo, 2007-2018   Обратная связь   Ссылки views: 6205 -- users: 5321 -- web3   Яндекс.Метрика