Предварительный усилитель на КМ551УД2
Номинальное входное и выходное напряжения усилителя соответственно 0,25 и 1 В, коэффициент гармоник в диапазоне частот 20...20000 Гц не более 0,02%, соотношение сигнал/шум (невзвешенное) 90дБ. Диапазон регулирования громкости и тембра (на частотах 60 и 16000 Гц) соответственно 60 и ±10 дБ, переходное затухание между каналами в диапазоне частот 100...10000Гц не менее 50 дБ. Входное и выходное сопротивления усилителя соответственно 220 и 3 кОм.
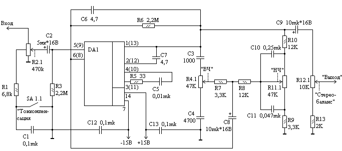
Схема собрана на микросхеме КМ551УД2. Эта ИС представляет собой сдвоенный ОУ с напряжением питания от ±5 до ±16,5 В. ИС с индексом А отличается от прибора с индексом Б вдвое меньшим (4В) входным синфазным напряжением и нормируемым приведенным к входу напряжением шумов (не более 1 мкВ при сопротивлении источника сигнала 600 Ом; у КМ551УД2Б оно не нормируется).
Мостовой регулятор тембра включен в данном случае в цепь ООС, охватывающей ОУ DA1.1 (здесь и далее в скобках указаны номера выводов второго ОУ микросхемы). На входе включен тонкомпенсированный регулятор громкости на переменном резисторе R2.1 с отводом от токопроводящего элемента. Тонкомпенсацию (подьем составляющих низших частот на малых уровнях громкости) можно отключить выключателем SA1.1. Устойчивую работу ИС КМ551УД2 (ее АЧХ имеет три перегиба) обеспечивают конденсатор С7 и цепь R5C5, номиналы которых, выбраны для коэффициента передачи Кu=10 (скорость нарастания выходного напряжения при таком усилении достигает 3...4 В/мкс).Конденсаторы С12, С13 предотвращяют взаимосвязь усилителя с другими устройствами тракта при питании от общего источника. Переменным резистором R12.1 (в другом канале R12.2) регулируют стереобаланс.
Все детали усилителя, кроме переменных резисторов R2, R7, R11 и выключателя SA1, монтируют на печатной плате, изготовленной из фольгированного стеклотекстолита. Для регулирования громкости и стереобаланса подойдут любые сдвоенные переменные резисторы группы А, для регулирования тембра - резисторы группы Б.
Налаживания усилитель не требует.
