Предварительный УЗЧ на микросхемах серии К174


Двухканальный предварительный усилитель звуковых частот с тонкомпенсированной электронной регулировкой громкости и тембра по низким и высоким частотам можно построить на специализированных малошумящих микросхемах серии К174. Несложное устройство, о котором пойдет разговор в этой статье, предназначено для модернизации стационарной промышленной аппаратуры 2-й...4-й групп сложности прежних лет выпуска или для установки в аналогичные самодельные аппараты. Применение электронных регулировок позволяет устранить прохождение сигнала через переменные резисторы, устранив тем самым свойственные им шумы, шорохи и искажения, возникающие при недостаточно хорошем контакте токосъемного контакта с резистивным слоем. Кроме того, цепи регулировки становятся нечувствительными к фоновым наводкам сетевой частоты 50 Гц, что позволяет разместить переменные резисторы в любом удобном месте аппарата.

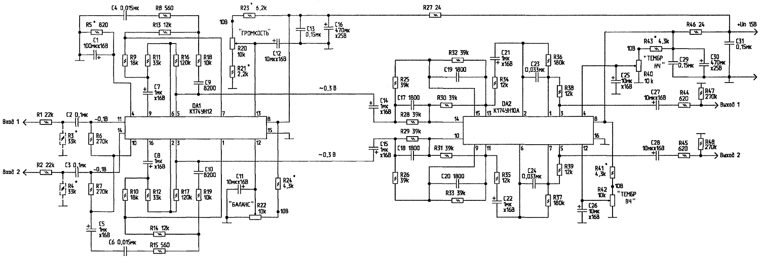
Принципиальная схема ПУЗЧ; Увеличить в новом окне

Узел регулировки баланса и регулятор громкости с тонкомпенсацией построены на микросхеме DA1 типа К174УН12 (импортный аналог - ТСА730). Переменное напряжение звуковой частоты через входные резистивные делители напряжения и разделительные конденсаторы С2, СЗ поступает на входы микросхемы DA1 (вывод 11 -вход первого канала, вывод 14 - вход второго канала). Коэффициент передачи по напряжению (-60...+18 дБ) для обоих каналов зависит от управляющего напряжения на выводе 13 DA1. Его регулировка производится резистором R20 "Громкость". Баланс каналов регулируется переменным резистором R22. Выходные напряжения при регулировке баланса изменяются на ±8 дБ.

Особенности человеческого слуха таковы, что при снижении уровня громкости чувствительность к низкочастотному и высокочастотному участкам звукового диапазона снижается. Поэтому, чтобы при уменьшении громкости частотное восприятие фонограммы не изменялось, необходимо осуществлять подъем НЧ- и ВЧ-составляющих звука. Для этого и предназначена так называемая тон-компенсация. Ее глубина зависит от значения управляющего напряжения на выводе 4 DA1.

Микросхема DA1 питается однополярным напряжением +15 В через RC-фильтр R27-C16-C13. Особенностью этой микросхемы является то, что при уменьшении напряжения питания ниже 2 В оба ее канала закрываются, что предотвращает появление искаженного, постепенно затихающего звука после отключения питания аппарата.

Электронный регулятор тембра построен на микросхеме DA2 типа К174УН10А, (импортный аналог -ТСА740). Диапазон регулировки тембра по НЧ и ВЧ для каждого канала - не менее ±15 дБ. Коэффициент передачи на частоте 1 кГц при изменении управляющего напряжения на выводах 4 и 12 в диапазоне 1...10 В изменяется не более чем на ±2 дБ. Тембр на низких частотах регулируется переменным резистором R40, на высоких - R42. Выходное напряжение первого и второго каналов снимается соответственно с выводов 3 и 5 DA2. Входное сопротивление подключаемой нагрузки должно быть не менее 22 кОм, что в большинстве случаев легко выполнимо.

Предварительный усилитель звуковой частоты питается стабилизированным напряжением +15±1,5 В и потребляет ток не более 80 мА.

Детали. Постоянные резисторы могут быть типов С2-8, С1-4, С2-14, МЛ Т. Следует учитывать, что резисторы одного типа но меньшей мощности имеют большее напряжение собственных шумов. Переменные резисторы - любого типа, например, СПЗ-30, СПЗ-33, СПЗ-4. Резистор R22 "Баланс" - обязательно с линейной характеристикой (группы "А"). Резистор регулировки громкости R20 - группы "В" или "А". Резисторы регулировки тембра R40, R42 - группы "А".

Оксидные конденсаторы можно взять типов К50-24, К50-35 или их импортные аналоги. Блокировочные конденсаторы С13, С29, С31 -керамические, типов К10-17, КМ-5, КМ-6. Остальные - К73-9, К73-2, К73-17. Конденсаторы С7, С8, С14, С15, С21, С22, по возможности, лучше взять неполярные (пленочные).

Микросхему К174УН10А можно заменить на К174УН10Б, но у последней немного больше уровень шума и гармоник.

Налаживание правильно собранного усилителя рассмотрим на примере его установки в стационарный магнитофон. Оба входа усилителя временно соединяются вместе и подключаются к выходу усилителя воспроизведения или системы шумопонижения. При отсутствии схемы магнитофона нужно найти резистор регулировки громкости и подключить входы усилителя к его движку. Если аппарат имеет цепи регулировки баланса и тембра, то их нужно исключить из схемы прохождения сигнала.

Далее, в магнитофон вставляется пленка с записанным сигналом частотой 1000 Гц и уровнем 0 дБ. Регуляторы громкости, баланса и тембра настраиваемого усилителя устанавливаются в среднее положение. При необходимости, подбирая резисторы R3, R4, на входах 11, 14 DA1 устанавливается напряжение 100...200 мВ. Измеряется напряжение на выходах усилителя. Так как технология производства микросхем не идеальна, а навесные компоненты имеют некоторый разброс, то вполне вероятно, что выходные напряжения каналов будут несколько отличаться одно от другого. Уравнять их можно дополнительным подбором сопротивления одного из резисторов R3 или R4. Установка вместо постоянных резисторов R1, R3 и R2, R4 подстроечных нежелательна, так как снижается надежность, может существенно возрасти уровень шумов. Теперь входы подсоединяются к своим каналам. Резистор R20 устанавливается в нижнее по схеме положение. Резистор R21 подбирается так, чтобы при громкости, близкой к нулевой, незначительное перемещение движка резистора R20 вверх приводило бы к увеличению громкости. Резисторами R23, R24, R41, R43 устанавливается напряжение 9...10 В в соответствующих точках, резистором R5 устанавливается желаемая величина тонкомпенсации. С уменьшением его сопротивления тонкомпенсация увеличивается. Если вместо этого резистора установить переменный сопротивлением 2,2 кОм, то можно будет регулировать глубину тонкомпенсации.

Устройство можно смонтировать на печатной плате размерами 120x50 мм из двустороннего фольгированного стеклотекстолита. Фольга со стороны установки деталей используется как общий провод. Это снижает требования к разводке сигнальных и питающих цепей, что существенно для тех, у кого опыт в конструировании и изготовлении высококачественной звуковоспроизводящей аппаратуры невелик. Если используется односторонний фольгированный материал, то слой фольги служит общим проводом, а все остальные соединения выполняются проводными перемычками.

В зависимости от обстоятельств, вовсе не обязательно собирать рассмотренный усилитель полностью. Если, к примеру, вам нужен только регулятор тембра, то можно собрать соответствующий узел на микросхеме К174УН10 с деталями ее обрамления.

Электронная регулировка режимами работы открывает пути по дальнейшему развитию конструкции. Например, вместо резисторной можно сделать псевдосенсорную кнопочную регулировку громкости и тембра.

Источники

  1. А.В.Нефедов, А.И.Аксенов. Элементы схем бытовой радиоаппаратуры. Микросхемы. Справочник. - М.: Радио и связь, 1995, С.113-118.
  2. Д.И.Атаев, В.А.Болотников. Функциональные узлы усилителей высококачественного звуковоспроизведения. — М.: Радио и связь, 1989, С.121-138.

Автор: А.БУТОВ, с.Курба


Добавил:  Павел (Admin)  webmaster@radioman-portal.ru | 

Автор:  А.БУТОВ, с.Курба  Рейтинг@Mail.ru