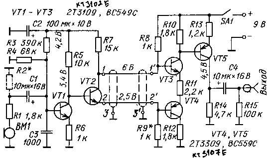
Микрофонный предусилитель
Кабели, связывающие микрофон с комплексом звуковоспроизводящих устройств, очень часто становятся источниками дополнительных шумов. Снижение уровня полезного сигнала, происходящее на соединительном кабеле большой длины, можно будет компенсировать на простом однокаскадном входном усилителе, но при этом одновременно будут усилены и шумы.
Лучшие результаты дает включение усилителя непосредственно у микрофона и передача сигнала по симметричной линии. В этом
случае шумы на уровне усиленного сигнала маскируются в большей степени.

Интересный способ включения микрофонного усилителя предложен на приводимой схеме. Сам усилитель разделяется на две части: левая по схеме часть подключается непосредственно к микрофону, правая часть — к звуковоспроизводящему комплексу, симметричная соединительная линия — между каскадами микрофонного усилителя.
Коэффициент передачи входного каскада левой части определяется (приблизительно) соотношением сопротивлений резисторов R5 и R6. Сигнал от микрофона, усиленный в 10 раз, подается на базу транзистора VT2. Соединительные линии 1 и 2 подключены к различным точкам транзистора VT2, сигнал в линиях противофазный.
Входной каскад (транзисторы VT3, VT4) правой части представляет собой сумматор со сдвигом фазы на 180°. Таким образом, противофазный сигнал складывается и образуется полезный сигнал на выходе с двойной амплитудой. А возникающие одинаковые шумы и помехи в каждой из линии взаимно уничтожаются. Суммарный сигнал подается на базу транзистора VT5. Этот каскад имеет коэффициент усиления 4. Через фильтр C4R15 усиленный сигнал подается к выходу микрофонного усилителя.
Удобство предложенного способа состоит еще и в том, что левая часть усилителя не требует автономного источника питания. Напряжение питания звуковоспроизводящего комплекса через включатель SA1 подается на вмонтированную в него правую часть микрофонного усилителя, а через резистор R8, соединительную линию 1 и резистор R7 — к левой части.
Показанный штриховой линией на схеме левой части усилителя резистор R2 служит для оптимального согласования выходного
сопротивления микрофона с входным сопротивлением усилителя. При указанных на схеме элементах R3 и R4 входное сопротивление усилителя составляет около 57 кОм. Подключение резистора R2 с сопротивлением 100 кОм снижает входное сопротивление до 36 кОм. Его можно подобрать соответственно используемому микрофону.
При монтаже устройства левую часть микрофонного усилителя следует расположить как можно ближе к головке микрофона и поместить ее в металлический экран. Правую часть усилителя располагают около смесительного пульта звукоусилительного комплекса.
В предложенных устройствах транзисторы 2Т3169 можно заменить отечественными транзисторами КТ342Б; 2Т3109, ВС549С — КТ3102Е; 2Т3309, ВС559С — КТ3107Е.