Джойстик своими руками


  В этой небольшой статье я постараюсь изложить информацию, необходимую для понимания принципа работы обычного аналогового джойстика, подключаемого к игровому порту компьютера. Стандартный игровой порт, расположенный на звуковой карте, обслуживает аналоговые сигналы X1, Y1, X2, Y2 и дискретные B1, B2, B3, B4. С помощью аналоговых сигналов передаются данные об отклонении рукоятки джойстика, с помощью дискретных - данные о нажатии кнопок джойстика. Таким образом изначально игровой порт был расчитан на подключение двух двухкнопочных джойстиков. Но как правило подключается один джойстик и дополнительные устройства. В таком случае аналоговые оси распределяются так:

X1 - перемещение рукоятки вперед-назад (тангаж)
Y1 - перемещение рукоятки влево-вправо (крен)
X2 - перемещение педалей
Y2 - перемещение рукоятки управления двигателем - РУДа (тяга)

Положении рукоятки, РУДа и педалей определяется с помощью стоомных потенциометров: минимальное сопротивление - крайнее левое (верхнее) положение, максимальное - крайнее правое (нижнее) положение. В принципе можно использовать и другие потенциометры, но тогда джойстик прийдется достаточно точно откалибровать. Кнопки замыкаются на землю. Вместо передачи данных о положении РУДа, сигнал X2 может использоваться для передачи данных о положении хата - переключателя вида. Это что касается аналоговых устройств. Так называемые цифровые игровые устройства передают данные о положении рукоятки, РУДа, педалей, хата и кнопок с помощью цифровых протоколов, используя для этого дискретные сигналы игрового порта. Наиболее распространенные расширения функций игрового порта и реализации цифровых интерфейсов будут описаны отдельно.

 Разъем DB15 мама, вид со стороны контактов
Контакт Сигнал Контакт Сигнал
1
2
3
4
5
6
7
8
+5V
B1
X1
GND
GND
Y1
B2
+5V
9
10
11
12
13
14
15
+5V
B3
X2
GND
Y2
B4
+5V

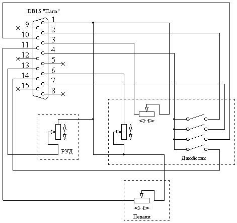
Для подключения игровых устройств служит разъем типа DB15 - "мама" на звуковой карте и "папа" на кабеле, идущем к игровым устройствам. Выше дана его распиновка (разъем DB15 "мама", вид со стороны контактов). Поскольку разъем игрового порта часто совмещают с разъемом MIDI, контакты 8, 12 и 15 могут иметь другое предназначение. Поэтому лучше брать питание и землю с 1, 9 и 4, 5 контактов разъема. Ниже приводится схема простейшего аналогового игрового устройства, состоящего из четырехкнопочного джойстика, РУДА и педалей. Вместо переменных резисторов могут использоваться оптопары - светодиод и фоторезистор. Такой джойстик называется оптическим и большинство игроков отдают предпочтение именно оптическим джойстикам.

Схема джойстика

Владимир Климус


Добавил:  Павел (Admin)  webmaster@radioman-portal.ru | 

Автор:  Владимир Климус  Рейтинг@Mail.ru