Тестер для витой пары


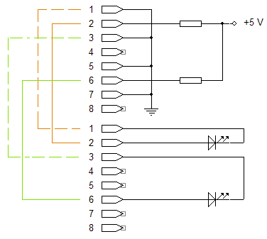
С помощью этого тестера можно проверить на обрыв сетевой кабель 10/100 мегабит.
Резистор подбирается под нормальное свечение светодиодов, примерно 1 кОм.

 Тестер для витой пары


Добавил:  Павел (Admin)  webmaster@radioman-portal.ru | 

Автор:  Неизвестно  Рейтинг@Mail.ru