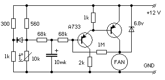
Регулятор скорости вентилятора (Вариант 1)
Предлагаемая ниже схема обеспечивает простую регулировку оборотов вентилятора без контроля оборотов. В устройстве использованы отечественные транзисторы КТ361 и КТ814. Конструктивно плата размещается непосредственно в блоке питания, на одном из радиаторов и имеет дополнительные посадочные места для подключения второго датчика (внешнего) и возможность добавить стабилитрон, ограничивающий минимальное напряжение, подаваемое на вентилятор.

