Промежуточный усилитель звуковой карты для устранения недостатков


  Необходимой частью современного компьютера является Sound Blaster. Он позволяет получить звуковое сопровождение программ. В мире в последнее время большинство звуковых карт (плат) для компьютеров семейства IBM выпускаются без мощного оконечного усилителя и рассчитаны на подключение активных колонок или любого усилительного комплекса. Это позволяет получить более высокое качество звука и исключает перегрузку внутреннего источника питания компьютера.

  Имея небольшой опыт работы на персональном компьютере, несложно приобрести и установить звуковую плату в любое свободное гнездо соответствующего разъема на материнской плате (внутри корпуса компьютера). В магазинах большой выбор звуковых карт — от укомплектованных в наборе, включающем колонки, до отдельных узлов. Покупать набор получается значительно дороже, чем то же самое по отдельности. Да и не всех комплектация набора способна удовлетворить качеством компонентов, например входящих колонок. Но приобретя все компоненты по отдельности, есть риск столкнуться с неполной совместимостью узлов. Так, купив хорошую звуковую карту фирмы "Creative" и отлично звучащие колонки SP-690 (50 Вт) фирмы "Advance", при их соединении вместе обнаружились два недостатка. Во-первых сигнал со звуковой карты недостаточен по уровню, чтобы получить от колонок максимальную мощность. Вторым недостатком явился сильный щелчок в динамиках при включении питания компьютера.

 Промежуточный усилитель звуковой карты

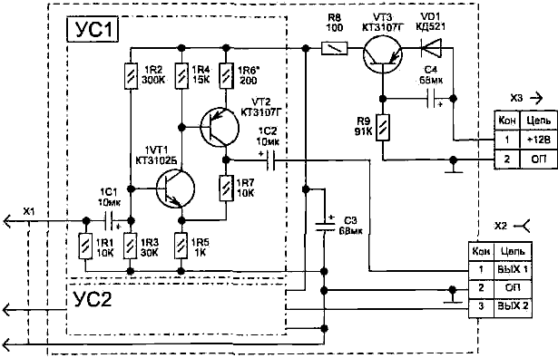
  Согласовать уровень сигнала и убрать щелчки позволяет схема, приведенная на рис. 1. Узлы усилителей УС1 и УС2 идентичны. Каждый канал обеспечивает усиление в 7,5 раз в полосе частот 20...100000 Гц. Конденсатор С4 в цепи базы транзистора VT3 дает плавное нарастание напряжения питания на усилителях — это устраняет прохождение импульсного броска от переходных процессов. Питаться промежуточный усилитель может от блока питания компьютера, для чего потребуется на задней стенке корпуса установить миниатюрный разъем ХЗ, соединенный с цепью +12 В источника питания. Ток потребления схемы не более 4, 6 мА.

 Промежуточный усилитель звуковой карты

  В схеме использованы детали: конденсаторы С1...С4 типа К53-1Б, резисторы любого типа. Штекер Х1 должен подходить к разъему звуковой карты, гнездо Х2 типа ОНП-ВГ-68-8/16, 5х14-Р или аналогичное, для подключения штекера активных колонок, ХЗ — любой малогабаритный. Топология печатной платы и расположение на ней элементов показаны на рис. 2. Настройка схемы заключается в получении одинакового усиления в каналах, подбором номинала резистора 1R6 (2R6) в пределах 200...1500 Ом (регулируется величина отрицательной обратной связи).


Добавил:  Павел (Admin)  webmaster@radioman-portal.ru | 

Автор:  Неизвестно  Рейтинг@Mail.ru