Сопряжение звуковой карты с музыкальным инструментом


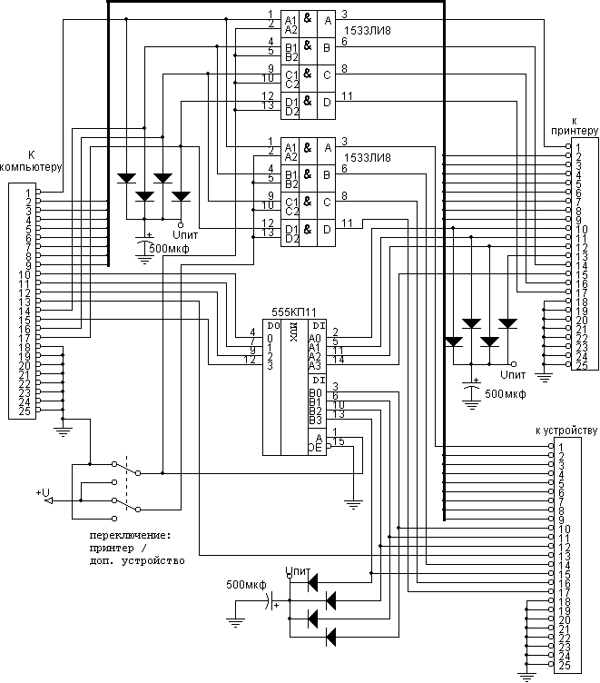
  При помощи этой схемы можно подключить к одному порту для принтера 2 устройства. Это может быть полезно, например, при соединени 2-х компьютеров через LPT порт для принтера, когда в этот порт ещё должен подключаться принтер.

 Комутатор для LPT порта


Добавил:  Павел (Admin)  webmaster@radioman-portal.ru | 

Автор:  Неизвестно  Рейтинг@Mail.ru