Применение компьютерных блоков питания


 АТ в АТХ

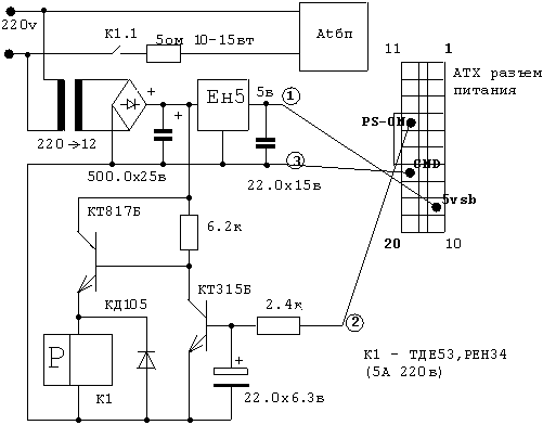
  У многих имеются старые блоки питания конструктива АТ. Предлагаемая несложная доработка блока питания вашего компьютера позволит вам получить блок конструктива АТХ. Аналогичные схемы переделки уже публиковались и это одна из таких схем. После переделки блок АТ будет содержать главную функцию - возможность отключения по окончании работы вашего компьютера и включении его, как в блоке конструктива АТХ. Вся переделка блока питания конструктива АТ хорошо видна на рисунке. Все дополнительные элементы устанавливаются в блоке питания вашего компьютера, а дополнительные соединительные провода припаиваются и выводятся из блока питания на АТХ разъем питания на материнской плате вашего компьютера.

А. Манойленко (UN9LK)


Добавил:  Павел (Admin)  webmaster@radioman-portal.ru | 

Автор:  D. Begebeger (Elektor Electronics №6, 2003, с.46-50)  Рейтинг@Mail.ru