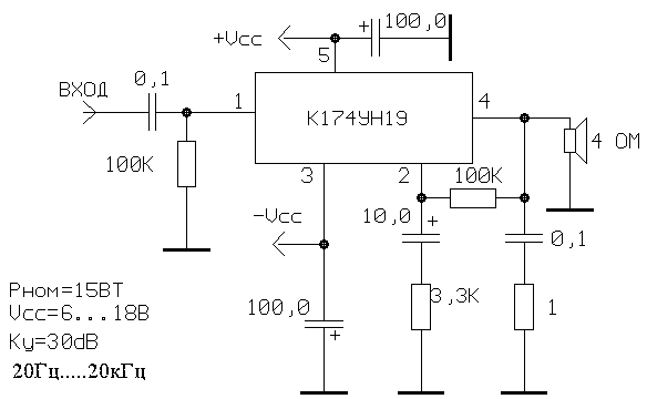
Усилитель мощности на К174УН19


тот усилитель мне понравился потому, что микросхема стоит не дорого по сравнению с импортными, а выходная мощность около 18Вт. Проверено на практике - отлично работает.

 Схема


Добавил:  Павел (Admin)  webmaster@radioman-portal.ru | 

Автор:  Сергей  Рейтинг@Mail.ru