Выходной каскад УЗЧ на К174УН19
В последнее время в качестве выходных каскадов радиолюбительских аппаратов широко применяются интегральные усилители серии К174, Наиболее подходящими для этих целей я считаю использование микросхем К174УН14 и К174УН19 (аналоги - 2003 и 2030 соответственно). Обычно микросхемы используются в типовом включении, хотя можно использовать их с большей пользой.

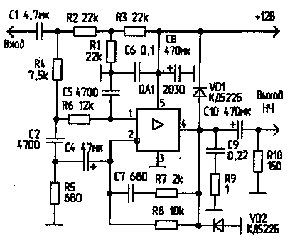
Предлагаемый усилитель на микросхеме К174УН19 был изготовлен и испытан в
трансиверном тракте RA3PEM "Роса", взамен редкостной в наше
время К174УН4, представляющей собой мощный операционный
усилитель. В усилитель введена ООС (цепочка R4, R6, С2, С5), в
результате чего АЧХ усилителя имеет завал 12 дБ/октаву на
частотах выше 2,7 кГц.
Аналогичным образом ОС можно ввести
и в УНЧ на К174УН 14.