Включение оптического индикатора
В момент точной настройки ширина тени на экране индикатора будет минимальной. Схема включения электронно-оптического индикатора в радиоприемник приведена на рис.1.

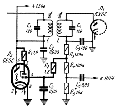
Рис.1
Диодный детектор Л1 (6Х6С) включен на выход усилителя ПЧ. Его нагрузкой является последовательно соединенные сопротивления R3R4 и R5. Сигнал на сетку индикатора подается после развязывающей (для высокой частоты) цепочки R3C5, через сопротивление R2.
В усилителе НЧ оптический индикатор также может принести
известную пользу; показывая допустимый уровень сигнала в каком-либо (обычно
в предоконечном или оконечном) каскаде усилителя он будет предупреждать о
необходимоти уменьшить напряжение, подводимое ко входу усилителя звукового
сигнала, во избежание перегрузки и появления искажений.
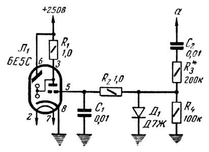
Схема индикатора уровня для усилителя НЧ приведена на
рис.2.

Рис.2
Точка "а" подключается либо к аноду лампы предоконечного
усилительного каскада, либо к дополнительной обмотке (300...500 витков
провода ПЭЛ 0,1) на выходном трансформаторе. В последнем случае конденсатор
С2 можно исключить из схемы.
Напряжение на сетку индикатора Л1 снимается с делителя, состоящего из
сопротивлений R3R4. Точные их значения зависят от индивидуальных свойств
усилителя и легко подбираются опытным путем таким образом, чтобы при
максимально допустимом сигнале теневой сектор на экране индикатора сходился
в линию.