Портал для радиолюбителей
   Двухполосный громкоговоритель
    Главная -> Статьи -> Акустические системы -> Двухполосный громкоговоритель


<< Назад в раздел   Распечатать Дата добавления: 2007-10-30 | Просмотров: 12825

Сергей Бать - автор со стажем. Его имя наверняка знакомо тем, кто во времена застоя находил отдушину в домашнем конструировании усилителей и акустических систем. Сам же Сергей заболел радиолюбительством еще раньше - будучи учеником 7-го класса, он получил в наследство подшивку журналов "Радиофронт", рассматривание которых произвело на него неизгладимое впечатление. В 1953-м он собрал свой первый ламповый радиоприемник, и с тех пор его статьи начали регулярно появляться в "Радио". А ровно десять лет назад описание АС Батя появилось в культовом американском издании "Speaker Builder". Публикуемая ниже схема является логическим продолжением этой конструкции.

Статья с описанием самодельных АС вызывает у многих аудиофилов вполне резонный вопрос: имеет ли смысл самостоятельно изготавливать громкоговорители, когда в магазинах и аудиосалонах представлен широкий выбор АС разных ценовых категорий от множества производителей?

Личный опыт автора позволяет дать на этот вопрос положительный ответ и объяснить причину, почему он именно такой. Основная причина состоит в том, что изготовление громкоговорителей является интересным и увлекательным делом. Другие представляются мне менее существенными, хотя можно произвести подсчет затрат на изготовление колонок, сравнить полученный результат с ценой фирменных АС аналогичного класса и с удовлетворением вычислить сэкономленную сумму. Или попытаться убедить себя в том, что изделий доступной ценовой категории с необходимым набором параметров нет на рынке, поэтому их придется делать самому. Например, закрытые АС с динамиками европейского производства с отделкой натуральным шпоном за $350. Но лучше отбросить напускной прагматизм и считать, что занятие творческой работой является вполне достаточным основанием, чтобы тратить время и средства. Если такое решение принято, остается выбрать проект, с которого можно начать, чтобы процесс пошел.

Для тех, кто не имеет опыта изготовления громкоговорителей, желательно начать с несложной конструкции, чтобы хватило сил и умения довести работу до конца.

Ниже приводится описание двухполосного громкоговорителя, который специально разработан для повторения в домашних условиях любителями, не имеющими высокой квалификации и специальной измерительной техники. При его разработке была сделана попытка найти приемлемый компромисс между стоимостью, трудоемкостью и воспроизводимостью электроакустических параметров.

НЧ/СЧ динамическая головка датской фирмы Peerless типа 850122 с многослойным диффузором из полипропилена и ВЧ-излучатель норвежской SEAS типа Н881 с куполом из пропитанной ткани составили комплект, отвечающий указанному условию. Выбор типа головок кроме технических соображений продиктован их относительно невысокой ценой (187 у.е. за комплект на два громкоговорителя) и наличием в продаже. В Таблице 1 приведены основные параметры динамических головок, указанные в каталоге изготовителя.

 

850122

H881

Номинальная мощность, Вт

150

80

Характеристическая чувствительность, дБ/Вт/м

86.5

91

Номинальное сопротивление, Ом

8.0

6.0

Резонансная частота, Гц

38

900

В качестве акустического оформления НЧ/СЧ-излучателя выбран закрытый корпус с полезным объемом 14 литров. Выбор закрытого акустического оформления обусловлен тем, что по сравнению с фазоинвертором он существенно менее критичен к разбросу параметров динамических головок, т.е. хорошо воспроизводится, не создавая проблем с бубнением на низких частотах. Является ли разброс параметров динамических головок проблемой?

Каков он у динамических головок для данного громкоговорителя?

Это вполне резонные вопросы, на которые нужно получить ответ прежде, чем тратить деньги на приобретение динамиков. Рассмотрим это применительно к описываемому громкоговорителю.

О разбросе параметров головок 850122 можно судить по следующим цифрам. Измеренные значения резонансной частоты (далее - р.ч.) двадцати экземпляров головок 850122 лежали в пределах от 50 до 55 Гц, в то время как в каталоге фирмы указано 38 Гц. Если полагать, что головки с "каталожными" параметрами существуют, то можно считать разброс р.ч. лежащим в пределах от 38 до 55 Гц. Учитывая связь р.ч. с другими характеристиками и проведя некоторые компьютерные расчеты, можно убедиться, что указанный разброс значений р.ч. в свободном пространстве приведет к разбросу р.ч. в корпусе объемом 14 литров в пределах от 60 до 75 Гц, но главное, что полная добротность во всех случаях оказывается не выше 0,7.

Указанное значение полной добротности динамической головки в закрытом акустическом оформлении гарантирует отсутствие бубнения.

Теперь о ВЧ-головках Н881. Измерение р.ч. десяти экземпляров из разных партий показало разброс в пределах от 550 до 600 Гц. Это разброс в "лучшую" сторону от значения 900 Гц, указанного в каталоге.

Р.ч. высокочастотника является одним из определяющих параметров при выборе частоты раздела в двухполосном громкоговорителе, и при выборе частоты раздела принималось "худшее" значение 900 Гц.

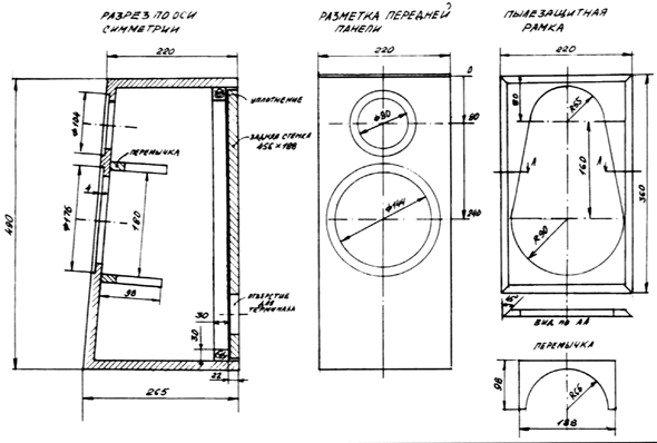
Закончив с выбором типов и разбросом параметров головок, переходим к корпусу, чертежи которого показаны на рис 1.


Рис. 1

Корпус громкоговорителя изготовлен из MDF толщиной 16 мм. Стенки корпуса скреплены на шурупах и клее ПВА. Для соединения коротких стенок используется по 4 шурупа, для длинных - по 8 - 10. Головки шурупов утоплены в цилиндрические углубления так, что они находятся на 2 - 3 мм ниже наружной поверхности корпуса. После сборки корпуса углубления заполняются шпаклевкой и зашлифовываются шкуркой. Внутри имеются две перемычки, соединяющие переднюю панель и боковые стенки. Перемычки увеличивают жесткость передней панели, которая ослаблена отверстиями под динамические головки. Задняя стенка съемная, она приворачивается на двенадцати шурупах через уплотнение из пенополиэтилена к брускам, укрепленным в корпусе. В задней стенке есть отверстие для терминала. С целью снижения вибраций стенок корпуса их внутреннюю поверхность желательно покрыть гидростеклоизолом.

Гидростеклоиэол представляет собой два слоя битума толщиной 2 мм, нанесенные с двух сторон на стеклоткань. С одной стороны на битуме имеется тонкая легко отклеивающаяся пленка, другая покрыта крошкой слюды или тальком. Для того чтобы приклеить гидростеклоизол к MDF, нужно удалить пленку, смочить поверхность битума бензином, уайтспиритом или скипидаром. Через 15 - 20 минут смоченная поверхность становится липкой. Заготовка гидростеклоизола накладывается липкой стороной на оклеиваемую поверхность, разглаживается и прижимается. В качестве антивибрационного покрытия можно использовать также герлен.

Наружная поверхность корпуса оклеена шпоном вишни.

Тем, у кого изготовление корпуса с наклонной передней панелью вызывает трудности, сообщаю, что никаких серьезных технических соображений за наклонной передней панелью не стоит. Без заметного ухудшения качества звучания можно изготовить корпус с верхней и нижней стенкой одинакового размера 245 мм. При этом не потребуется серьезной переделки конструкции. Внутренний объем корпуса заполнен синтепоном низкой плотности. В каждый корпус помещается кусок синтепона 100 х 140 см, который для удобства равномерного заполнения разрезается на четыре части.

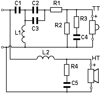
Схема кроссовера показана на рис. 2. С учетом того, что ВЧ-головка имеет р.ч. 900 Гц, частота раздела выбрана 2 кГц. Часть кроссовера, работающая на ВЧ-звено, состоит из фильтра высоких частот третьего порядка (L1, С1, С2, СЗ); делителя, выравнивающего головки по звуковому давлению (R1, R2); и цепочки, компенсирующей индуктивность звуковой катушки (R3, С4).


Рис. 2

 

Components:
 
TT:   SEAS H 881
HT:   Peerless 850122
L1:   0.36 mH
L2:   1.6 mH
C1:   4.7
mF
C2:   10.0
mF
C3:   3.3
mF
C4:   6.8
mF
C5:   10.0
mF
R1:   3.9
W
R2:   18.0
W
R3:   5.6
W
R4:   8.2
W

В цепи НЧ/СЧ-головки включена индуктивность L2, работающая в качестве фильтра нижних частот первого порядка, и цепочка для компенсации индуктивности звуковой катушки (R4.C5). Несмотря на использование фильтров разных порядков, спады АЧХ по звуковому давлению вблизи частоты раздела почти симметричны. Это происходит вследствие того, что спад АЧХ НЧ/СЧ-головки с увеличением частоты складывается со спадом фильтра низких частот, обеспечивая суммарную крутизну, близкую к крутизне фильтра третьего порядка, работающего совместно с ВЧ-головкой. Выбирать частоту раздела так, чтобы использовался спад АЧХ по звуковому давлению высокочастотника в области НЧ нельзя, так как это может привести к перегрузке ВЧ-головки низкими частотами. В связи с этим совместно с ней применяется фильтр третьего порядка, который защищает ее от перегрузки. Катушки индуктивности намотаны медным проводом диаметром 1 мм. В кроссовере желательно использовать конденсаторы с диэлектриком из полипропилена, особенно в поз. С1. С2, СЗ. Полипропиленовые конденсаторы фирмы Solen продаются в аудиосалонах.

В кроссовере применяются керамические резисторы мощностью 5 Вт.

На рис. 3 показана АЧХ по звуковому давлению громкоговорителя.

На рис. 4 мы видим зависимость модуля полного сопротивления громкоговорителя от частоты.

Подведем итоги. Затраты на комплект двух громкоговорителей, включающие стоимость динамических головок, терминалов, элементов кроссовера и материалов для корпуса, укладываются в 300 у.е. К этому нужно добавить несколько месяцев хлопот и упорного труда на изготовление корпусов и кроссовера. В результате получаются АС со следующими основными параметрами:

 

Диапазон воспроизводимых частот

45-20000 Гц

Неравномерность АЧХ по звуковому давлению в диапазоне 65-20000 Гц

5 дБ

Номинальное сопротивление

8 Ом

Характеристическая чувствительность

86.5 дБ/Вт/м

Номинальная мощность

50 Вт

 

В заключение советую трезво оценить свои возможности, прежде чем решиться на подобный трудовой подвиг, а тем, кто на это решится, - желаю успехов. Со всеми вопросами обращайтесь по адресу: sdsbatti@mtu-net.ru

От редакции:

Пара колонок, описанных выше, была прослушана нашими экспертами. Чтобы не вдаваться в излишние подробности, отметим, что их звучание вполне оправдывает затраты. Убедительный бас, приличная середина (если не считать легкой окраски на участке 1 - 2 кГц), прозрачный верх и устойчивая в пространстве сцена делают их весьма привлекательными для применения в недорогом домашнем комплексе. На выставке "Российский Hi-End 2000" AC показали очень неплохие результаты как с ламповыми, так и транзисторными усилителями.


Добавил:  Павел (Admin)  
Автор:  Сергей Бать (Салон AV 8/2000) 

Вас может заинтересовать:

  1. Смешанное подключение акустики к комбинированным усилителям (2 варианта)
  2. Магнитная экранировка акустических систем
  3. Смешанное подключение акустики к усилителю с двумя мостовыми выходами каналов (вариант 2)
  4. О применении сабвуфера в музыкальной системе
  5. Разделительные фильтры трехполосных громкоговорителей


    © PavKo, 2007-2018   Обратная связь   Ссылки views: 6402 -- users: 5481 -- web3   Яндекс.Метрика