Портал для радиолюбителей
   Фототир из лазерной указки
    Главная -> Статьи -> Бытовая электроника -> Фототир из лазерной указки


<< Назад в раздел   Распечатать Дата добавления: 2007-11-30 | Просмотров: 7574

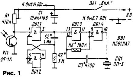
  О лазерной указке и ее применении в различных конструкциях уже рассказывалось на страницах журнала "Радио". Продолжая эту тему, предлагаю описание фототира с использованием все той же лазерной указки. Этот электронный тир состоит из двух узлов - пистолета и мишени с фотодатчиком. Мишень устроена так, что при попадании в нее луча указки раздается звуковой сигнал. Мишень (рис. 1) содержит фотодатчик на фототранзисторе VT1, ждущий одновибратор на логических элементах DD1.1, DD1.2 и генератор ЗЧ на элементах DD1.3, DD1.4. В исходном состоянии фототранзистор освещен слабо, поэтому на его коллекторе высокий логический уровень. На выходе ждущего одновибратора (вывод 3 DD1.1) низкий логический уровень, генератор ЗЧ не работает.

  Если кратковременно осветить фототранзистор лазерным лучом указки, на его коллекторе появится низкий логический уровень, ждущий одновибратор сработает - в течение примерно 2 с на его выходе (вывод 3 DD1.1) будет присутствовать высокий логический уровень. Включится генератор ЗЧ, и пьезоизлучатель BQ1 начнет издавать звуковой сигнал, свидетельствующий о попадании в цель. Затем устройство вернется в исходное состояние.

  Схема пистолета приведена на рис. 2. В его состав входит лазерная указка А1, интегральный стабилизатор напряжения DA1, накопительный конденсатор С1, кнопка-курок SB1 и батарея питания GB1. В исходном состоянии конденсатор С1 заряжен от батареи питания. При нажатии на кнопку SB1 он подключится ко входу стабилизатора напряжения, в результате чего на лазерную указку поступит питающее напряжение 5 В. Она будет излучать свет в течение короткого отрезка времени (доли секунды), пока конденсатор не разрядится. Если свет попадет в мишень, прозвучит сигнал. После отпускания кнопки-курка конденсатор снова зарядится - пистолет готов к "выстрелу". Резистор R1 ограничивает зарядный ток конденсатора. Специального выключателя питания в пистолете нет, поскольку в режиме готовности ток от батареи практически не потребляется. Большинство деталей мишени размещают на печатной плате (рис. 3) из односторонне фольгированного стеклотекстолита.

  Вариант конструкции мишени, которую использовал автор, показан на рис. 4. Для защиты от внешней засветки фототранзистор 4 размещают в пластмассовом светонепроницаемом корпусе 1, в качестве которого применена баночка из-под фотопленки. Примерно посередине размещена перегородка 2 из матового органического стекла. Для повышения чувствительности можно установить светоотражающий конус 3 из ватмана. Корпус крепят к плате 5, на которой располагают и пьезоизлучатель 6.

  Конструкция пистолета показана на рис. 5. Для него понадобится корпус-"пустышка" подходящих размеров. Внутри него устанавливают лазерную указку 1 таким образом, чтобы она "стреляла" в полном соответствии с прицелом пистолета. Указку предварительно плотно обматывают изолентой, чтобы кнопка включения была нажата. В корпусе устанавливают также кнопку 2 и батарею питания 3. Монтаж ведут навесным методом.

  В устройстве можно применить, кроме указанных на схеме, микросхему К176ЛА7, К564ЛА7, пьезоизлучатель ЗП-1; оксидные конденсаторы - К50, К52, К53, остальные - КМ-6, К10-17, любой подстроечный резистор, постоянные - МЛТ, С2-33, выключатель - любого типа, кнопка в пистолете - с самовозвратом. Налаживание пистолета сводится к подбору конденсатора С1 такой емкости, чтобы получить оптимальную длительность выстрела. В мишени резистором R1 устанавливают чувствительность, при которой она не реагирует на внешнее освещение. Саму мишень следует укрыть от прямых солнечных лучей и других источников света. Тональность и громкость звукового сигнала можно установить подбором конденсатора С3 (грубо) и резистора R3 (плавно). Продолжительность звукового сигнала устанавливают подбором конденсатора С2 и резистора R2.

И. НЕЧАЕВ, г. Курск


Добавил:  Павел (Admin)  
Автор:  И. НЕЧАЕВ, г. Курск 

Вас может заинтересовать:

  1. Доработка микрофона МКЭ-100
  2. Сварочный полуавтомат в углекислотной газовой среде с автоматической подачей сварочной проволоки
  3. Сверхъяркий светодиод в фонарике
  4. ChipCorder - устройство записи и воспроизведения речи.
  5. Сирена для модели


    © PavKo, 2007-2018   Обратная связь   Ссылки views: 5269 -- users: 4924 -- web3   Яндекс.Метрика