Портал для радиолюбителей
   Цифровой дозатор рекламы
    Главная -> Статьи -> Бытовая электроника -> Цифровой дозатор рекламы


<< Назад в раздел   Распечатать Дата добавления: 2007-12-19 | Просмотров: 8165

   Современного человека со всех сторон ежедневно окружает реклама и чем оптимальнее будет отрегулирован поток льющейся на нас со всех сторон информации, тем скорее мы сможем относиться к ней как к неизбежному источнику сведений – руководству к действию при совершении покупок или получении определённых услуг. Многие предприниматели уже почувствовали ощутимый эффект от информации, которая регулярно появляется в СМИ, рекламирующих их продукцию и услуги. Дополнительный эффект может дать «местная» реклама, встречающая клиента на пороге Вашего офиса или магазина. Это может быть краткая (1…16 секунд) аудио или видео информация, запускаемая автоматически при открывании входной двери (или двери лифта), и не повторяющаяся чаще установленного Вами отрезка времени, во избежание её надоедания. (Экономика должна быть экономной, а реклама не навязчивой).

   Цифровой дозатор рекламы (далее просто ЦДР) - устройство запуска рекламного сообщения и регламентации длительности паузы после него, во время которой повторный запуск рекламы не возможен.

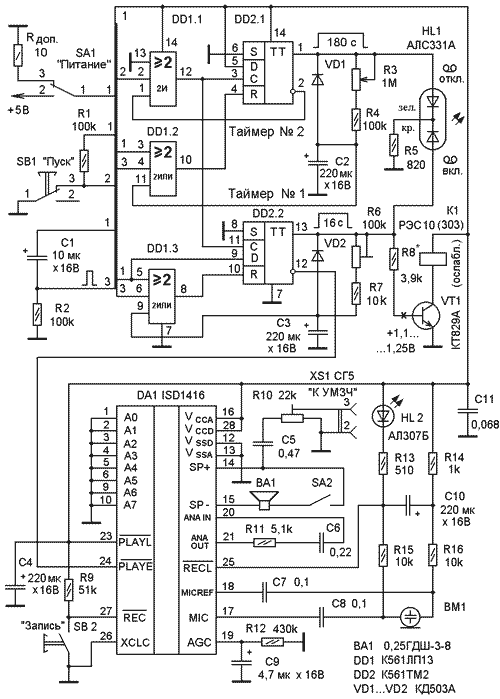
    ЦДР (см. рис. 1) включает по команде источник рекламной информации - цифровой магнитофон, и запрещает повторный запуск рекламного сообщения на время, определяемое таймером №2. Датчиком, обеспечивающим запуск ЦДР, является кнопка SB1 "Пуск". Основная нагрузка ЦДР - цифровой магнитофон - включается по отрицательному перепаду на входе "PLAYE" (вывод 24) DA1. Дополнительная нагрузка ЦДР - различные цветомузыкальные устройства или более мощный УМЗЧ (управляемый, например, по питанию или по входу "MUTE") - может включаться на время равное длительности рекламного сообщения (задаётся таймером №1) - нормально разомкнутыми контактами реле К1 (на рис. 1 не показаны), включёнными в разрыв цепи питания этих устройств.

Принципиальная схема устройства

Рис. 1
Принципиальная схема устройства

   Для записи рекламных сообщений цифровым магнитофоном следует нажать и удерживать кнопку SB2 "Запись". Запись возможна, пока светится светодиод HL1 (для микросхемы типа ISD1416 в течение 16 секунд). Затем цифровой магнитофон автоматически устанавливается в исходное положение и готов к воспроизведению или (при необходимости) к новой записи. Записывать на цифровой магнитофон можно не менее 100 000 раз, а запись сохраняется до ста лет, даже при полном снятии питания.

   Работает ЦДР следующим образом. При замыкании контактов тумблера SA1 "Питание" через резистор R2 заряжается конденсатор С1. При этом в течение всего времени нарастания напряжения питания, подаваемого с выхода адаптера, на обкладке " - " конденсатора С1 формируется неинвертированный импульс положительной полярности, обеспечивающий установку триггеров DD2.1 и DD2.2 в исходное (нулевое) состояние. Открывание входной двери вызывает размыкание контактов 1 и 3 кнопки SB1 и высокий логический уровень через резистор R1 (подавитель дребезга от контактов кнопки не нужен) поступает на вывод 2 логического элемента DD1.1. Так как у логического элемента DD1.1 вывод 13 подключён к общему проводу, DD1.1 выполняет функцию логического умножения (2И). На его вывод 1 с инвертирующего выхода (вывод 2) триггера DD2.1 подаётся логическая единица, разрешающая прохождение высокого логического уровня с вывода 2 DD1.1 на входы С (выводы 3 и 11) триггеров DD2.1 и DD2.2 соответственно. Триггеры запускаются и на их неинвертирующих выходах (выводы 1 и 13 соответственно) появляются единицы. При этом индикатор HL1 начинает светиться жёлто-красным цветом, транзистор VT1 открывается, а реле К1 срабатывает, замыкая цепь питания дополнительной нагрузки. Одновременно с этим отрицательный перепад на инвертирующем выходе (выводе 12) DD2.2, поданный на вход "PLAYE" (вывод 24) DA1, включает цифровой магнитофон DA1 на воспроизведение. Одновибраторы ("таймер №1" и "таймер №2") собраны на счётных триггерах DD2.2 и DD2.1 соответственно по одинаковым схемам и отличаются только их времязадающими цепями. Поэтому рассмотрим, как работает только таймер № 1. Появление положительного перепада на входе С (вывод 11) элемента DD2.2 перезаписывает информацию (логическую 1) с входа D на неинвертирующий выход (вывод 13) триггера. При этом диод VD2 закрыт, а конденсатор С3 медленно начинает заряжаться через резисторы R6 и R7. Когда С3 зарядится до половины напряжения источника питания, на выходе (вывод 8) логического элемента DD1.3, выполняющего функцию "2ИЛИ", появляется логическая 1. Эта логическая 1, поданная на вход "Reset" (Сброс) - вывод 10 триггера DD2.2, возвращает "взведённый" триггер в исходное состояние. То есть на выводе 13 DD2.2 установится логический 0. Конденсатор С3 быстро разряжается через диод VD2, индикатор HL1 меняет цвет свечения на зелёный, реле К1 отпускает, а цифровой магнитофон так же заканчивает цикл воспроизведения и устанавливается в начальное состояние. При этом таймер №2 собранный на триггере DD2.1 продолжает работать. Уровень логического нуля на выводе 2 триггера DD2.1 продолжает удерживать в закрытом состоянии элемент DD1.1. Элемент DD1.1 выполняет функцию "2И" и логический ноль на его выводе 1 запрещает повторный запуск кнопкой SB1 отработавшего таймера №1 до окончания работы таймера №2.

   По окончании работы таймера №2 индикатор HL1, ранее светившийся зелёным цветом, погасает, указывая на то, что время запрета повторного запуска рекламного сообщения истекло и цифровой магнитофон снова включится, если нажать на кнопку SB1.

   В качестве цифрового магнитофона применена микросхема ISD1416 -однопрограммное записывающе - воспроизводящее устройство с ПЗУ, сохраняющим во времени записанную информацию даже при выключенном напряжении питания. Объем ПЗУ зависит от примененного типа микросхемы DA1 - две последние цифры в её обозначении указывают на соответствующий объём (в секундах). Приведенная на рисунке 1 микросхема цифрового магнитофона DA1 имеет ПЗУ для записи в течение 16 секунд; ток потребления в режиме выборки кристалла (при записи и воспроизведении) не более 15 мА; потребляемый ток в дежурном режиме - 0,5 мкА.

   Порядок работы с ЦДР следующий: 1). Включается питание тумблером SA1. 2). Для записи рекламного сообщения микрофон устанавливается на расстоянии 5 … 50 сантиметров от источника звука, нажимается (и удерживается нажатой всё время записи) кнопка SB2 "Запись". 3). В течение необходимого времени (1 … 16 секунд) производится запись. Погасание светодиода HL2 (при удерживаемой кнопке SB2) говорит о том, что время записи истекло. 4). Затем питание можно отключить, чтобы убедиться, что записанное сохраняется при полностью выключённом питании. 5). Для воспроизведения записанного рекламного сообщения, включают питание, кратковременно нажимают кнопку SB1 "Пуск", и прослушивают рекламное сообщение на встроенную головку динамическую BA1. По окончании воспроизведения кратковременно вспыхивает светодиод HL2. 6) Время (30 … 150 секунд), в течение которого невозможен повторный запуск рекламного сообщения, устанавливается по желанию рекламодателя потенциометром R3. Настройка ЦДР заключается в следующем: Подстроечным резистором R6 устанавливают длительность импульса положительной полярности на выходе одновибратора (вывод 13) DD2.2 равную 16 секундам. Это необходимо только для синхронной (с цифровым магнитофоном) работы дополнительных устройств, коммутируемых при помощи реле К1. Цифровой же магнитофон включается и до конца воспроизводит записанное по отрицательному перепаду (а не при наличии низкого уровня) на входе "PLAYE"(вывод 24 DA1). Для работы с внешним УМЗЧ подстроечным резистором R10 устанавливается необходимый для "раскачки" УМЗЧ уровень выходного сигнала цифрового магнитофона. Контрольный динамик BA1 при необходимости отключается тумблером SA2. Максимальное время запрета повторного включения рекламного сообщения можно повысить, увеличив номинал конденсатора С2. После этого желаемое минимальное время запрета повторного включения (30 секунд) можно уточнить резистором R4*, сопротивление которого допустимо уменьшать до 10 килоом. Шкала R3 градуируется с дискретностью в 30 секунд.

   В ЦДР использованы постоянные резисторы типа ОМЛТ 0,125, переменный резистор R3 типа СП3-23а (ползунковый); R6, R10 - подстроечные СП3-38б, конденсаторы С1, С4, С9, С10 типа К50-35; С2, С3 - К50 - 29 или подобные зарубежного производства; С5 - С8, С11 КМ6 или любые керамические; кнопки SB1, SB2 КМ1-I. Диоды VD1 … VD2 можно заменить любыми кремниевыми, например КД510, КД520 - КД522. Реле К1 РЭС10 - (РС4.529.031-04) с ослаблением пружин или другое, срабатывающее при напряжении не более 3,5 Вольт и допускающее коммутацию сетевого напряжения. Транзистор VT1 можно заменить подобным составным транзистором КТ972Б(А). Микросхемы DD1, DD2 - серии 564 или К561. Цифровой магнитофон DA1 может быть типа ISD1416, или аналогичный (с временем записи-воспроизведения 20 секунд - ISD1420). Двухцветный светодиодный индикатор HL1 допустимо заменить двумя единичными, например АЛ307Е (жёлтый) и FYL-5013UBC. (синий цвет свечения). BA1 - любого типа с импедансом 16 … 50 Ом, например 0,25 ГДШ-2; 0,25 ГДШ-3-8; 1ГДШ-1. Микрофон ВМ1 - электретный, например NMC. При отсутствии микросхемы К561ЛП13 (три логических элемента "мажоритарность") логические элементы (2И, 2ИЛИ), созданные на её базе, заменяют эквивалентными схемами на диодах и резисторах в соответствии с рисунком 2.

Эквивалентная схема при отсутствии микросхем

Рис. 2
Эквивалентная схема при отсутствии микросхем

   В качестве источника постоянного тока для ЦДР можно применить блок питания, изображённый на рисунке 3. Подойдёт также любой портативный "адаптер", например встроенный в вилку, обеспечивающий выходное стабилизированное напряжение + 5 Вольт и ток не менее 100 - 200 мА. В авторском варианте использован самодельный блок питания, состоящий из широко распространённого трансформатора ТВК-110, применяемого в ламповых телевизорах, диодного моста КЦ405А, оксидного конденсатора фильтра 1000 мкФ ? 16В и стабилизатора напряжения [1]. Во вторичной обмотке ТВК-110, имеющей выходное напряжение ~ 14 Вольт и рассчитанной на ток до 1 Ампера сделан отвод для получения напряжения ~ 7,5 … ~10 Вольт. Разбирать трансформатор для этого не потребовалось. 14-вольтовая обмотка намотана поверх остальных, поэтому достаточно слегка надрезать защитную пропитанную бумажную оболочку и пинцетом "выщипнуть" сбоку крайний виток из второго или третьего (считая сверху) слоя обмотки. К выбранному витку (из двух - трёх "выщипнутых") аккуратно, чтобы не сделать межвитковых замыканий, припаивается отвод из монтажного многожильного провода. (Лаковая изоляция обмоточного провода счищается скальпелем на длину 5…10 мм, провод смачивается жидкой канифолью, облуживается и только затем производится пайка).

Источник постоянного тока

Рис. 3
Источник постоянного тока

   Желая использовать дополнительный УМЗЧ и, при этом, обойтись одним общим источником питания +5 Вольт, автор для работы с ЦДР применил ранее изготовленный УМЗЧ, изображённый на рисунке 4. Основные параметры УМЗЧ при работе в диапазоне рабочих напряжений +5 … +15 Вольт приведены в таблице 1. В принципе этот УМЗЧ может работать при напряжении + 25В, отдавая в четырёхомную нагрузку мощность 40 Ватт.

УМЗЧ

Рис. 4
УМЗЧ

Таблица 1

Напряжение питания +5В +6В +8В +9В +12В +13,5В +15В
Параметры  
И вх.(размах) 0,028В 0,04В 0,057В 0,076В 0,106В 0,12В 0,14В
Ивых.(размах) 1,8 2,8 3,8 5 7,6 8,4 9,4
I потр., А 0,16 0,18 0,32 0,45 0,67 0,78 0,87
I покоя, А 0,025 0,028 0,04 0,045 0,06 0,08 0,11

   Большинство элементов ЦДР установлены на ПП (печатной плате) (рисунки 5, 6, 7) из двусторонне фольгированного стеклотекстолита (гетинакса) размером 53,5 х 61 х 2 мм. Исключение составляет реле К1, которое устанавливают у розетки, предназначенной для подключения дополнительной (~ 220 В) коммутируемой нагрузки. (Длинные провода коммутируемой сети ~ 220 в, проходящие вблизи элементов ПП, могут давать наводки в цепь микрофонного усилителя ЦДР). Кроме того, установка К1 вне ПП позволяет "отвязаться" от рисунка ПП и применить в качестве К1 реле других типов.

Печатная плата устройства

Рис. 5
Печатная плата устройства

Печатная плата устройства

Рис. 6
Печатная плата устройства

Печатная плата устройства

Рис. 7
Печатная плата устройства (низ)

Печатная плата устройства

Рис. 8
Печатная плата устройства

Печатная плата устройства

Рис. 9
Печатная плата устройства (отражение)

   Если нет возможности изготовить ПП с металлизированными отверстиями, то для удобства пайки радиодетали устанавливаются на плату с зазором около 5 мм. На ПП устанавливается 1 проволочная перемычка в изоляции, 1 перемычка - имитатор металлизированных отверстий, и в десяти точках выводы радиоэлектронных компонентов пропаиваются с обеих сторон ПП. Конструктивно ПП крепится (через слой электрокартона) четырьмя винтами М2,5 к стенке корпуса, обклеенной листом медной фольги размером 53,5 х 61 мм. Фольга служит экраном и электрически соединяется с общим проводом ЦДР. При отсутствии тонкой фольги можно применить листовые материалы (медь, латунь…) и слой электрокартона, исключающий КЗ между экраном и ПП. Винты крепления ПП являются общими для крепления экрана и слоя электрокартона. При наличии "бонок" [полых цилиндров с резьбой, приклёпываемых (или развальцовываемых) к стенке корпуса], экран и слой электрокартона рекомендуется приклепать к стенке корпуса. Элементы SA1, SA2, SB2, R3, ВА1 устанавливаются на передней стенке корпуса. Выводы светодиодов HL1 и HL2 удлиняются до размеров, приблизительно равных толщине корпуса ЦДР или крепятся на передней стенке корпуса и подпаиваются к ПП гибкими монтажными проводниками. Отводы от датчика - кнопки SB1 выполнены витой парой или экранированным проводом для исключения ложных включений ЦДР.

   При отсутствии необходимости коммутировать дополнительную нагрузку элементы К1, R7, VT1 можно исключить. Нормально замкнутый контакт тумблера SA1 "Питание" рекомендуется подключить к общему проводу через резистор R доп. типа ОМЛТ 0,25 с сопротивлением 10 … 22 Ома для быстрого разряда конденсатора С4. Это необходимо на тот случай, если питание ЦДР в режиме воспроизведения выключается тумблером SA1, а затем снова сразу же должно быть включено. Без R доп. не полностью разряженный конденсатор С4 в течение нескольких секунд не позволяет цифровому магнитофону DA1 (при моментальном повторном включении) установиться в исходное положение ("остановиться и перемотать плёнку").

Примечания:

  • применённый автором экземпляр микросхемы ISD1416 имел при указанных на рис.1 номиналах 18 (а не 16) секунд записи - воспроизведения.
  • Файлы - чертежи ПП, помеченные буквой t - для плат с термопереносом рисунка трассировки.

   

Источник

  1. "Радио" 1989, №11, С.68. Ответы на "??": "Радио" 1990, № 6, С.93.
  2. О микросхемах CheepCorder - адрес в Интернете http://www.winbond-usa.com/products/isd_products/chipcorder/ - файл ISD1400 .pdf.

Автор: Ознобихин А. И.
aiozn@rol.ru


Добавил:  Павел (Admin)  
Автор:  Ознобихин А. И. aiozn@rol.ru 

Вас может заинтересовать:

  1. Плавное зажигание освещения
  2. Простой домофон
  3. Трехфазный электронный счетчик электроэнергии Меркурий-230
  4. Ретранслятор ИК сигналов для домашней телесети
  5. Электрошоковое средство защиты


    © PavKo, 2007-2018   Обратная связь   Ссылки views: 14058 -- users: 13509 -- web3   Яндекс.Метрика