Портал для радиолюбителей
   Фотовспышка с лампой накаливания
    Главная -> Статьи -> Бытовая электроника -> Фотовспышка с лампой накаливания


<< Назад в раздел   Распечатать Дата добавления: 2007-12-19 | Просмотров: 7918


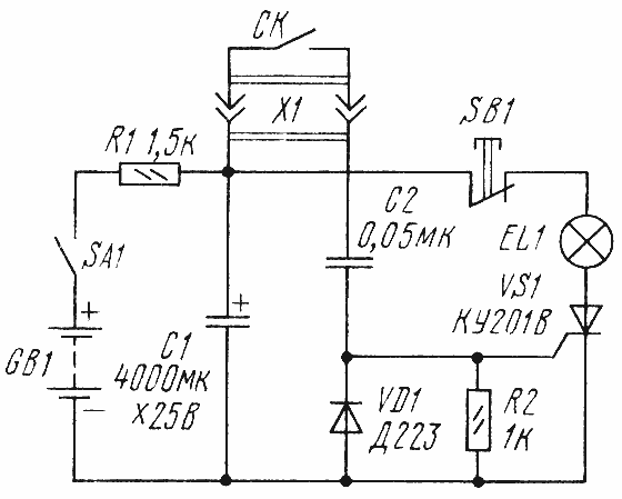
    При съемке с близкого расстояния фоторепродукций, выставочных экспонатов энергия промышленных "блицев" часто оказывается излишне велика и, кроме того, пользование ими беспокоит окружающих. В таких случаях будет полезна подсветка снимаемого объекта фотовспышкой с лампой накаливания (рис.1), которую нетрудно без существенных затрат изготовить самим.
   Приступая к съемке, выключателем SA1 подают на фотовспышку питание. Конденсатор С1 заряжается от батареи GB1 до ее напряжения. Резистор R1 ограничивает ток зарядки, который длится около 12 с. При спуске затвора фотоаппарата синхроконтакт СК через конденсатор C2 подает импульс напряжения на управляющий электрод тринистора VS1. Тринистор мгновенно замыкает цепь лампы накаливания EL1, на которую разряжается конденсатор С1. Длительность вспышки составляет приблизительно 1/50 с, что позволяет вести съемку с рук. Чтобы это было возможно, напряжение на заряженном конденсаторе должно примерно втрое превышать рабочее напряжение лампы накаливания. Причиной тому служат тепловая инерция нити лампы и крутопадающая характеристика разрядного напряжения конденсатора. Начальный пик тока разрядки расходуется на разогрев нити, после чего возникает кратковременное яркое свечение в режиме перекала. Чтобы выключить тринистор после срабатывания и дать возможность конденсатору вновь зарядиться для съемки следующего кадра, достаточно нажать и тут же отпустить кнопку выключателя SB1.

Рис. 1

   Сравнительно продолжительная зарядка конденсатора небольшим током позволяет использовать для фотовспышки весьма небольшой источник питания GB1. Так, с лампой мощностью 15...20 Вт от фильмоскопа, рассчитанной на напряжение 6 В, его можно составить из двух-трех батарей "Корунд", соединенных последовательно.
   В самодельной фотовспышке может быть использован любой тринистор серии КУ201, любой диод (кроме указанного на схеме) серии Д226. Конденсатор С1 - К50-6, С2- МБМ, КЛС, КМ, резисторы - МЛТ или МТ мощностью не менее 0,125 Вт. Разъем для подключения к синхроконтакту можно изготовить самим из отрезка изолированного полихлорвинилом одножильного провода подходящего диаметра и насаженной поверх изоляции тонкостенной металлической трубки.
   Все устройство размещают в готовом либо самодельном корпусе, снабженным зажимом для крепления в обойме фотоаппарата. Рефлектор - отражатель (например, крупная столовая ложка) с лампой могут быть утоплены внутрь корпуса вспышки, вокруг них на плате располагают детали и источник питания. Взаимное расположение деталей не играет роли и определяется только компоновочными соображениями. Патрон для лампы можно использовать от старого автомобильного фонаря-переноски или соорудить его самим.
   Аккуратно собранная фотовспышка не требует налаживания. Поскольку работа в импульсно-перекальном режиме способна сокращать срок службы лампы, желательно предусмотреть возможность простой ее замены.
   Ведя съемку с таким осветителем, используйте выдержку не короче 1/30 с и по возможности, замедленную синхронизацию F-типа. У камер со шторным затвором с моментальной синхронизацией X-типа возможна некоторая неравномерность освещения кадра при установке лампы над оптической осью камеры. Для исправления такого эффекта вспышку лучше установить на кронштейне с соответствующей стороны аппарата либо вести съемку с выдержкой 1/10 с.

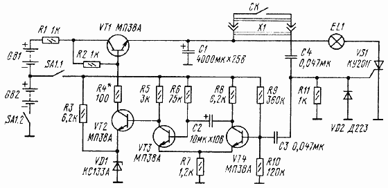
Рис. 2

   Описанный вариант фотовспышки прост, но обладает недостатком - после каждой вспышки нужно выключать тринистор. Эту операцию можно поручить автоматике (рис.2). Исходный вариант дополнен электронным ключом на транзисторе VT1, который управляется одновибратором, выполненным на транзисторах VT3, VT4, и выходным каскадом на транзисторе VT2.
   Запускается мультивибратор по команде синхроконтакта СК одновременно с включением тринистора VS1 и лампы EL1. Закрывающийся при этом транзистор VT3 открывает VT2, что заставляет ключ VT1 прервать остаточный ток (ток удержания) сработавшего тринистора. Примерно через 0,5 с устройство вернется в исходное состояние и начнется новая зарядка конденсатора C1.
   Чувствительность одновибратора к запускающим импульсам можно регулировать подбором резистора R9, надежность закрывания транзистора VT1 - подбором резистора R4. Поскольку питание автоматики, во избежание перегрузки транзисторов, ведется от батареи GB2 ("Корунд"), следует время от времени менять батареи местами для более равномерного использования их емкости.
   Кроме указанных на схеме, в узле автоматики могут быть использованы транзисторы МП37Б, МП38. Конденсаторы - оксидный К50-6 (C1) и КЛС (остальные), резисторы - МЛТ либо МТ мощностью рассеивания не менее 0,125 Вт.

Ю.ПРОКОПЦЕВ, г.Москва, Радио №2, 1994 г., стр. 28


Добавил:  Павел (Admin)  
Автор:  Ю.ПРОКОПЦЕВ, г.Москва, Радио №2, 1994 г., стр. 28 

Вас может заинтересовать:

  1. Телемеханика по телефону
  2. Сигнализатор уровня сред
  3. Схема включения трехфазного электродвигателя в однофазную сеть
  4. Сварочный полуавтомат в углекислотной газовой среде с автоматической подачей сварочной проволоки
  5. Плавное зажигание освещения


    © PavKo, 2007-2018   Обратная связь   Ссылки views: 183 -- users: 179 -- web3   Яндекс.Метрика