Портал для радиолюбителей
   Сенсорный выключатель на AT90S2313
    Главная -> Статьи -> Бытовая электроника -> Сенсорный выключатель на AT90S2313


<< Назад в раздел   Распечатать Дата добавления: 2007-12-20 | Просмотров: 7706

Сенсорный выключатель-регулятор яркости. Предназначен для установки вместо обычных выключателей или совместно с ночником или светильником. Обеспечивает плавное включение-выключение лампы накаливания и позволяет отрегулировать необходимую яркость лампы.

Рис.1 Cенсорный выключатель-регулятор яркости.

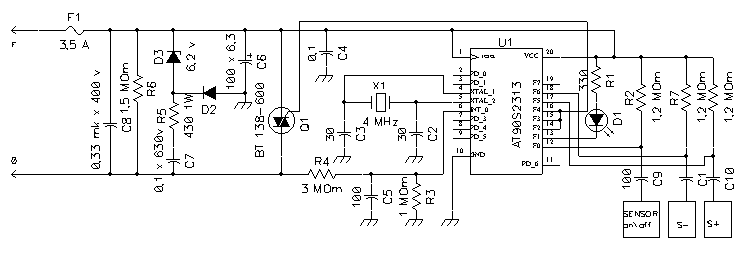
Рис.2 Схема сенсорного выключателя-регулятора яркости.



Рис.3 Печатная плата сенсорного выключателя-регулятора яркости.

Источник:msevm.com


Добавил:  Павел (Admin)  
Автор:  Неизвестно 

Вас может заинтересовать:

  1. Дверной звонок "Патриот"
  2. Сварочный полуавтомат в углекислотной газовой среде с автоматической подачей сварочной проволоки
  3. Индикатор присутствия
  4. Преобразователь напряжения для ЛДС
  5. Бесстартерная схема включения ламп дневного света


    © PavKo, 2007-2018   Обратная связь   Ссылки views: 15086 -- users: 14116 -- web3   Яндекс.Метрика