Портал для радиолюбителей
   CDROM - автономный аудиоплеер
    Главная -> Статьи -> Компьютерная электроника -> CDROM - автономный аудиоплеер


<< Назад в раздел   Распечатать Дата добавления: 2008-01-27 | Просмотров: 8701

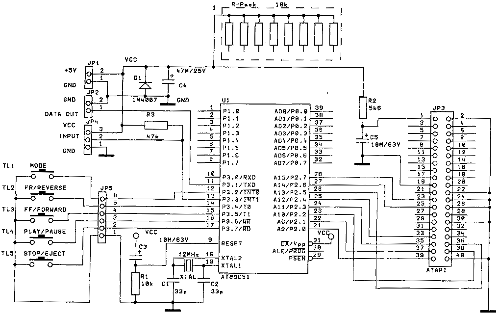
Контроллер позволяет превратить компьютерный CDROM в автономный аудиоплеер. Кнопками TL1-TL5 можно включать привычные для плеера режимы, которые формируются микроконтроллером U1 Atmel АТ89С51 и передаются в CDROM по стандартному ATAPI/ IDE кабелю с разъема JP3. К разъему JP4 можно подключить модуль приемника ИК ДУ (автор применил SFH508 от ТВ OVP Orava), выдающего коды стандартного протокола RC-5.

Cxema

Прошивки контроллеров можно скачать основной контроллер и контроллеры дисплея и ДУ.

Работа устройства проверена с Acer 52x 52BE, Cyberdrive 24x 240SD, Lite-On 52x CCD52x, Teac 24x CD-524.


Добавил:  Павел (Admin)  
Автор:  Ян Калак («Prakticka elektronika A Radio» N 10/2004, с.25-28) 

Вас может заинтересовать:

  1. ATX-совместимый блок питания компьютера для автомобиля
  2. Связь на IRDA(для подключения к материнке)
  3. Промежуточный усилитель звуковой карты для устранения недостатков
  4. Регулятор скорости вентилятора (Вариант 4)
  5. Подключение USB-мыши к PS/2 разъёму компьютера


    © PavKo, 2007-2018   Обратная связь   Ссылки views: 6097 -- users: 4322 -- web3   Яндекс.Метрика