Портал для радиолюбителей
   Универсальный УКВ ЧМ приемник (70-150МГц)
    Главная -> Статьи -> Радиоприемники -> Универсальный УКВ ЧМ приемник (70-150МГц)


<< Назад в раздел   Распечатать Дата добавления: 2008-02-19 | Просмотров: 20187

Предистория

Несколько лет назад перед автором встала задача создать миниатюрный мобильный одноканальный приемник, способный перестраиваться в широком диапазоне частот и принимать как широкополосную, так и узкополосную ЧМ, либо путем переключения, либо, в крайнем случае, с минимальными переделками.

Изучение технических описаний и эксперименты с однокристальными ЧМ приемниками на базе К174ХА34 и ей подобными, показали полную несостоятельность последних для применения в серьезных конструкциях - низкая чуствительность и избирательность, невозможность регулирования полосы пропускания, проблематичность применения внешнего стабильного гетеродина и т.д.

Затем автор просмотрел практически все журналы "Радио" и "Радиолюбитель", за предшествующие годы, надеясь найти что-то готовое. К сожалению, как и ожидалось, ничего готового найти не удалось. Однако наибольший интерес вызвали конструкции [5,8,9]. Причем наиболее оптимальной выглядела конструкция следующего вида - ВЧ и преобразователь от [9], ПЧ и детектор от [5], а ФВЧ и УНЧ от [8]. При этом конструкция получалась достаточно громоздкой.

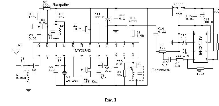
Следующим этапом поиска был обзор интернет-сайтов производителей микросхем. Именно здесь, на сайте MOTOROLA автор обнаружил [13] схему приемника, которая фактически включала все идеи вышеназванных конструкций. Схема этого приемника, с незначительными дорисовками и исключенными явными "ляпами" приведена на рис.1.

 

Творчески поработав над приведенной схемой, автор реализовал следующий ее вариант (Рис. 2). Схема приемника построена с учетом рекомендаций [13] и других конструкций перечисленных и не перечисленных в списке литературы, а так же теории изложенной в [1].

Стоит заметить, что понятие универсальный, наверное, не совсем правильное. Скорее приемник можно назвать базовым, т.к. конструкция позволяет легко добавить синтезатор частот и второе преобразование частоты, превратив его в приличный связной приемник. Для более детального ознакомления с этими вопросами предлагаю скачать с сайта MOTOROLA необходимую документацию [11,12,13]. Попутно замечу, что сделать приемник узкополосным можно и не прибегая ко второму преобразованию частоты, о чем будет сказано далее.

Приемник может быть перестроен в диапазоне от 70 до 150 Мгц, без изменения номиналов подстроечных элементов. Реальная чувствительность приемника около 0.3 мкв. Напряжение питания - 9 вольт. Следует заметить, что напряжение питания МС3362 - от 2 до 7 вольт, а МС34119 от 2 до 12 вольт. Поэтому МС3362 питается через стабилизатор напряжения 78L06, в выходным напряжением 6 вольт.

Схема приемника.

Входной каскад приемника выполнен по традиционной резонансной схеме. Сигнал с антенны А1 через катушку связи L1, поступает во входной контур L2. Индуктивная связь с антенной выполнена не случайно, т.к. это единственный способ обеспечить нормальное согласование с различными антеннами и в широком диапазоне частот [1,6,7]. В качестве усилительного элемента используется полевой транзистор КП307Г. Указанный транзистор имеет высокую крутизну характеристики и приемлемые шумовые показатели. Такие же характеристики имеет двухзатворный КП350, но он сильно боится статического электричества. Вообще-то в качестве усилителя ВЧ можно применить любую схему, на любом транзисторе, которую вы уже использовали и уверены в ее работоспособности, а так же имеете опыт ее монтажа и настройки.

Можно использовать КП327, не боящийся статического электричества, а еще лучше двухзатворный полевой транзистор BF998, применяемый в блоках СКМ современных телевизоров. Частота до 1 ГГц, коэффициент шума 0.6 дб. (Но здесь вероятно не обошлось без лукавства. Например КТ368 с частотой 900Мгц имеет коэффициент шума 3 Дб, но на частоте 60 Мгц. А что будет на 900-х никому не ведомо.)

Попутно замечу, что R1 и С2 можно исключить из схемы, т.к. они являются дополнительными источниками тепловых шумов. [1]

Усиленный сигнал выделяется на контуре L3, который для повышения устойчивости усилителя имеет неполное включение. С контура L3, через катушку связи L4 сигнал поступает в смеситель. Такая схема обеспечивает минимальное взаимное влияние УВЧ и смесителя, повышает избирательность, и обеспечивает максимальное согласование с входным каскадом смесителя, выполненного по дифференциальной схеме.

От внутреннего гетеродина в смеситель поступает опорная частота. Опорными элементами гетеродина являются C7L5 и встроенная варикапная матрица, изменяя напряжение на которой резистором R6, можно осуществлять незначительную перестройку по частоте. Резистор R5 предназначен для создания "растяжки".

В принципе R5,R6 и C6 можно исключить, соединение 23 ножку MC3362 с положительным проводом, а перестройку осуществлять элементами C7 и L5.

С 20 ножки сигнал гетеродина может быть подан на синтезатор частот (или цифровую шкалу-частотомер), а управляющее напряжение должно подаваться в таком случае на 23 ножку.

Сигнал разностной частоты в 6,5 Мгц (но может быть и 10,7 Мгц и 5,5 Мгц, это проверялось) подается на пьезокерамический фильтр Z1 и далее, минуя первый УПЧ и второй преобразователь, на второй УПЧ, усилитель-ограничитель и фазовый детектор.

С фазового детектора, через ФВЧ на С13R9, обеспечивающий срез частот выше 5 Кгц [2,3], сигнал поступает на усилитель НЧ, выполненный по мостовой схеме, на микросхеме MC34119. В отличие от 174 серии этот усилитель имеет значительное усиление, высокую устойчивость к самовозбуждению, низкий уровень собственных шумов, очень высокий КПД и малое количество навесных элементов. Выходная мощность на нагрузке 20 Ом составляет около 0,2 Вт.

Если приемник планируется использовать как широкополосный вещательный, то рекомендую изменить значения C13R9 на основе рекомендаций [2,3], либо исключить эту цепь вообще.

Детали и конструкция.

К сожалению, вариант приемника не был доведен до "коробочного" варианта. Во-первых этого и не требовалось, а во-вторых, автору гораздо интереснее процесс "познания и созидания", нежели "причесывания и вылизывания". Поэтому печатную плату, желающим повторить данную конструкцию, придется разводить самим. Кстати сказать, это приходится делать даже и при наличие рисунка, т.к. зачастую нет тех элементов, которые использовал автор. Да и схема достаточно проста, поэтому трудностей с этим быть не должно.

Макетная плата которую использовал автор имеет размеры 100х30 мм и выполнена из двухстороннего фольгированного стеклотекстолита, толщиной 1,5 мм. Все детали расположены со стороны печатных проводников (благо отверстия сверлить не надо), а вторая сторона используется в качестве экрана. На сколько это хорошо, сказать не берусь. У меня есть подозрение, что это способствует появлению поразитных емкостей. Если посмотреть промышленные УКВ и ДМВ блоки, то все они почему-то выполнены на одностороннем фольгировании, либо вообще навесным монтажем.

Резисторы, конденсаторы и электролитические конденсаторы могут быть любого типа.

Подстроечные конденсаторы типа КПК, но могут быть и другие. В более позднем варианте я использовал КПВ 2-35пф. И размеры меньше и перекрытие больше.

Резистор R6 желательно использовать многооборотный.

Контур LC фазового детектора взят от импортного приемника (китайского) и должен быть с зеленой или синей раскраской. Емкость такого контура на частоте 10,7 Мгц составляет 90 пф. Следовательно для частоты 6,5 Мгц необходима дополнительная емкость Ca, в 150 пф, а для частоты 5,5 Мгц - 250 пф.[14]

Пьзокерамический фильтр Z1 может быть любого типа. Хотя микросхема расчитана на выходной импеданс 300 ом (для 10,7 Мгц) и 1,5 ком на входной (455 Кгц). Тем не менее все фильтры работают нормально. Необходимо лишь заметить, что фильтры бывают разные даже для одной частоты и имеют разные полосы пропускания, где-то 10-20% от рабочей частоты, а следовательно и избирательность будет отличатся. Кроме того на частоты 6,5 Мгц и 5,5 Мгц, кроме полосовых выпускаются еще и режекторные (подавляющие) фильтры. Они маркируются обычно одной точкой, а полосовой - двумя.

Катушки индуктивности L2, L3, L5 имеют одинаковую конструкцию. Они намотаны на каркасах диаметром 5 мм (такие каркасы используются в СКМ и СКД телевизоров 3 и 4 поколений), посеребренным проводом 0.7 мм и имеют по 5 витков. Длина намотки 6 мм. Катушки расположены вертикально. Внутри катушек находится сердечник. Латунный для работы в верхней части диапазона (140 Мгц), или ферромагнитный для работы в нижней части диапазона (70 Мгц).

Катушка связи L1 имеет 4 витка (виток к витку) проводом ПЭЛ 0,3 у верхнего вывода L2.

Катушка связи L4 имеет 2 витка (виток к витку) проводом ПЭЛ 0,3 у верхнего вывода L3.

Отвод у L2 и L3 сделан от середины.

Все контура рассчитывались с помощью [14], исходя из следующих соображений. Длина намотки - 6 мм, количество витков 5 + 1 ( дополнительный виток учитывает длину отводов и индуктивность дорожек.), диаметр намотки 5.5 мм (0.5 мм учитывают неплотность намотки). После расчета получаем L=0.13 мкгн.

Для настройки на частоту 108 Мгц, емкости конденсаторов должны быть следующими C1=С4=17 пф.

Гетеродин работает ниже принимаемой частоты, и к контуру дополнительно подключена варикапная матрица с минимальной емкостью около 5 пф, отсюда С5=19-5=14 пф.

Расчетные результаты практически идеально совпали с практикой при учете емкости монтажа 2-3 пф и емкости исток-сток в 2 пф. (17 - 3 - 2 = 12 пф. Именно эту емкость и показывали С1 и С4.)

Предельная частота гетеродина - 140 Мгц, а с учетом латунного сердечника - 150 Мгц.

Для тех, кто желает использовать приемник на 144 Мгц или выше, рекомендую уменьшить число витков катушек L2, L3, L5 до 4.

Настройка

Настройка УНЧ не требуется. Возможно, потребуется подобрать значение R12 для оптимального значения усиления и полосы пропускания НЧ как рекомендовано в [4].

Для настройки ФД, пьезофильтр отсоединяется от 19 ножки и на него подается частотно-модулированный сигнал с частотой выбранной ПЧ. Я, например, использовал обычный кварцевый генератор по схеме трехточки, с варикапом включенным последовательно кварцу, модулируя его обычным генератором ЗЧ на одном транзисторе из [2].

Для настройки гетеродина в заданный диапазон, я использовал тот же ВЧ генератор, переделав его в LC генератор, и тот же однотранзисторный ЗЧ. Генератор располагается рядом с приемником, у которого отключается УВЧ (отпаивается резистор R4) и конденсатором С7 производится настройка на частоту генератора. Затем подключается УВЧ, емкость С1 устанавливается минимальной, а L3 подстраивается конденсатором C4 по максимальной громкости сигнала. Затем подключается антенна (кусок провода 50-100 см) и проводится настройка контура L2 конденсатором С1. Окончательная точная настройка контуров производится подстроечными сердечниками. Если УВЧ начнет возбуждаться при точной настройке L2, рекомендую оставить ее несколько расстроенной, выше принимаемой частоты, либо "поднять" отвод у L2, либо применить "нейтрализацию" перепаяв "земляной" конец C3 в точку соединения R3R4C5.

Несколько замечаний по "поводу".

Указанный приемник можно переделать в узкополосный вариант. Это можно сделать несколькими способами.

1) Включить второе преобразование. Это нетрудно сделать, посмотрев схему изображенную на рис.1.

Кварц необходимо выбирать на 465 Кгц выше или ниже первой ПЧ. Желательно первую ПЧ сделать 10,7 Мгц для повышения избирательности по зеркальному каналу. Контур LC необходимо использовать от ПЧ российских транзисторных СВ-ДВ-KB приемников. Использование контуров от импортных (китайских) приемников с желтой раскраской - проблематично, т.к. они имеют частоту настройки 455 Кгц, и дотянуть ее до 465 Кгц не всегда удается. В качестве фильтра Z2 (рис. 1) можно применить ФП1П-024, ФП1П1-60.1 либо что-то аналогичное.

2) узполосным приемник можно сделать если использовать и однократное преобразование заменив Z1 (рис. 2) на готовый кварцевый фильтр ФП1П1-307-18 с частотой 10,7 Мгц и полосой пропускания 18 Кгц и очень большими размерами, либо на MCF-10,7-15 c той же частотой и полосой пропускания 15 Кгц. Размеры этого фильтра значительно меньше 15х10х10 мм.

Однако при таком варианте есть и серьезные проблемы. Суть которых в том, что выходное НЧ напряжение частотного (фазового) детектора, тем меньше, чем шире полоса контура ЧД и меньше девиация частоты. (Это дополнительно поясняет, почему при узкополосной ЧМ используется низкая ПЧ). Поэтому для получения достаточной громкости необходимо сузить полосу пропускания контура LC (что очень сложно), либо перед УНЧ ставить дополнительный усилитель. А это шумы!

Есть еще один вариант. Вместо LC использовать кварцевый резонатор на 10,7 Мгц, как это реализовано в [5]. Однако МС3362 не разрабатывалась для такого применения и автор это не испытывал. Для желающих это проделать рекомендую использовать практически аналогичную микросхему МС13136, но разработанную под кварцевый резонатор в ЧД, вместо LC.

Кроме того, оба варианта имеют общий недостаток. При узкой полосе пропускания становятся очень заметными колебания частоты гетеродина, т.е. требуется либо синтезатор, либо кварцевая стабилизация.

Еще одно наблюдение. В приемнике (рис. 2) автор выполнил двойное преобразование, сделав первую ПЧ 10,7 Мгц, а вторую 6,5 Мгц. Результат был удручающим. Приемник едва принимал радиостанцию с мощностью в 1,5 Квт находящуюся на расстоянии 2-3 км. Замена микросхемы результатов не дала, дальнейшее разбирательство я не проводил.

Для желающих еще больше уменьшить размеры приемника рекомендую использовать МС3363, которая имеет встроенный в корпус транзистор для УВЧ, а также систему шумоподавления. Но она выпускается только в планарном корпусе, что осложняет ее монтаж, и стоит значительно дороже, около 200-250 рублей, против 25 рублей МС3362. Столько же стоит и МС34119.

Некоторые попутные выводы

Экспериментируя с приведенным приемником, а так же с ВЧ и ПЧ блоками китайского приемника, Урал-Авто, Мелодия-106, т.е. использую ВЧ от разработанного приемника, а ПЧ от другого и наоборот, автор сделал следующие несколько выводов, возможно уже известных.

1) качество приемника (чувствительность и избирательность) в основном определяется качеством ПЧ-ЧД блока и практически не зависит от ВЧ блока.

2) фильтры сосредоточенной селекции (ФСС) в блоках ПЧ имеют значительно лучшие показатели, чем пьезокерамические и даже кварцевые, т.к. выделяют сигнал в полосе частот, а не вырезают всю полосу, вместе с шумами.

3) а лучше всего применять 4-5 каскадов двухконтурных полосовых усилителей и дробный детектор вместо ФД и ЧД. [7]

Литература.

1. Баркан В.Ф., Жданов В.К. Радиоприемные устройства.1972г.
2. Бунимович С.Г., Яйленко Л.П. Техника любительской однополосной связи., 1970г.
3. Муравин В. Слуховые аппараты. В помощь радиолюбителю. Выпуск 93, с.42.
4. Григорьев Б. УЗЧ транзисторного приемника В помощь радиолюбителю, Выпуск 93, с.73.
5. Беседин В. Радиолюбительский телефон. Радио № 10, 1993г., с. 29.
6. Кирик О. Мелодия-106-стерео. Радио №3, 1979г., с.31.
7. Хмарцев В. Всеволновый приемник радиокомплеса. Радио №8, 1974г., с.31.
8. Стасенко В. Автомобильная радиостанция диапазона 144-146Мгц. Радиолюбитель №2, 1992г., с.20
9. Фролов Е., Доломанов В., Березкин Н. УКВ ЧМ приемник на 145 Мгц. Радио №3 1991г., с.22
10. Поляков В. УКВ ЧМ радиостанция. Радио №10, 1989г., с.30
11. Техническое описание микросхемы МС3363. Интернет->сайт Motorola.(www.mot.com)
12. Техническое описание микросхемы МС336. Интернет-сайт Motorola.
13. Дополнительные замечания по применению МС3362, МС3363. (AN980.PDF) Интернет-сайт Motorola.
14. Strange D. Программа по расчету контуров.


Добавил:  Павел (Admin)  
Автор:  Алексей Большаков 

Вас может заинтересовать:

  1. УКВ сверхрегенератор с рамочной антенной
  2. УКВ блок автомагнитолы Yamaha YX-9500
  3. ЭЛЕКТРОННАЯ ШКАЛА ДЛЯ РАДИОПРИЁМНИКОВ
  4. ЭКСПЕРИМЕНТЫ С СИНХРОННЫМ ДЕТЕКТИРОВАНИЕМ
  5. УКВ ЧМ приемник на К174ХА34 (конструкция 2)


    © PavKo, 2007-2018   Обратная связь   Ссылки views: 1029 -- users: 896 -- web3   Яндекс.Метрика