Портал для радиолюбителей
   Цифровой FM стерео приемник 60-110 МГц с микропроцессорным управлением (конструкция 2)
    Главная -> Статьи -> Радиоприемники -> Цифровой FM стерео приемник 60-110 МГц с микропроцессорным управлением (конструкция 2)


<< Назад в раздел   Распечатать Дата добавления: 2008-02-23 | Просмотров: 15597

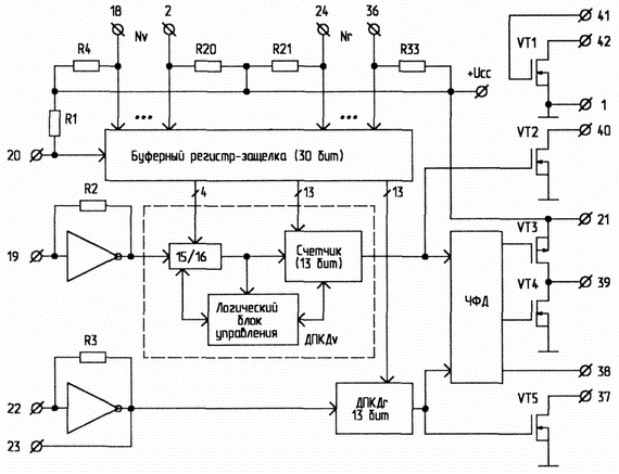
    В настоящее время повысились требования к стабильности частоты гетеродинов приемников, работающих в диапазоне ультракоротких радиоволн. К сожалению, публикаций о таких устройствах мало. Но зато появилась замечательная микросхема КН1015ПЛ5, пригодная для создания синтезатора частоты, используемого в качестве гетеродина УКВ. Структурная схема ИМС приведена на рис.1, основные параметры - в таблице1.

Структурная схема ИМС

Рис.1. Структурная схема ИМС

    Блок-схема синтезатора приведена на рис.2. В синтезаторе имеется генератор, управляемый напряжением (ГУН), с выхода которого напряжение нужной частоты подается на смеситель приемника. Перестройка частоты ГУН производится путем подачи постоянного напряжения различной величины на реактивный элемент (РЭ) - обычно варикап.

Блок-схема синтезатора

Рис.2. Блок-схема синтезатора

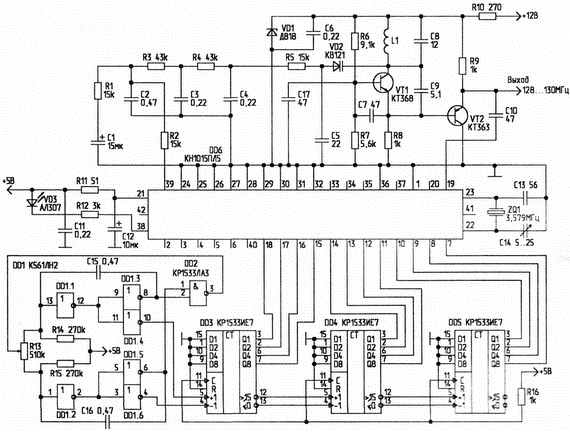
Напряжение с ГУН поступает на управляемый делитель частоты (УДЧ), коэффициент деления которого устанавливается с помощью регистра установки коэффициента деления (РУКД). Состояние этого регистра (код) изменяется с помощью генератора настройки (ГН). Сигнал ГУН после деления его в УДЧ подается на частотно-фазовый детектор (ЧФД), где он сравнивается с частотой опорного генератора, которая образуется путем деления частоты кварцевого генератора (КГ) в соответствующем делителе частоты (ДЧ). С выхода ЧФД сигнал ошибки установки частоты подается через фильтр нижних частот (ФНЧ) на РЭ. Таким образом осуществляется частотно-фазовая подстройка частоты ГУН. Частота на выходе ГУН поддерживается со стабильностью КГ. Как видно из принципиальной схемы (рис.3), ГУН выполнен на транзисторе VT1. В его контур включен варикап VD2. Через эмиттерный повторитель VT2 сигнал подается на выход. Питание ГУН стабилизировано VD1. Управляемый делитель, КГ, ДЧ, ЧФД выполнены на микросхеме DD6 (КН1015ПЛ5). Установка коэффициента деления производится подачей "0" или "1" на входы 7...18 DD6 с РУКД, выполненного на микросхемах DD3...DD5. Он представляет собой реверсивный счетчик, который управляется генератором на микросхемах DD1, DD2.

Принципиальная схема синтезатора; Увеличить в новом окне

Рис.3. Принципиальная схема синтезатора

    Частота генератора изменяется потенциометром R13. Когда его подвижный контакт находится в среднем положении - генератор не работает. Если переместить его вверх (по схеме), начинается генерация на верхних трех элементах DD1. При этом с вывода 10 DD1.4 сигнал поступает на вход 5 DD3, и начинается пошаговое переключение регистра с увеличением хранящегося в нем числа, а значит, начинается увеличение коэффициента деления ДПКД. Частота ГУН с каждым импульсом увеличивается на 1 кГц. Частота импульсов ГН зависит от того, до какой степени переместить движок R13 вверх, и может меняться от 0,5 Гц (медленная пошаговая перестройка) до 1000 Гц (быстрая перестройка), т.е. чем дальше перемещен движок R13 вверх - тем быстрее перестройка. Для уменьшения частоты движок R13 перемещается вниз. Тогда заработает генератор на трех нижних по схеме элементах DD1, и регистр пойдет на "уменьшение". Так осуществляется настройка. Это немного нетрадиционный способ, но к нему быстро привыкаешь. Для точной подстройки частоты кварцевого генератора, собранного на DD6, ZQ1, служит С14.

Таблица 1
Параметр Обозначение Значение параметра Единица измеренияПримечания
Диапазоны коэффициентов деления ДПКДv (шаг 1) Nv 225...131071 МГц Вывод 40
Диапазон коэффициентов деления ДПКДг (шаг 1) 3...8191
100...900
20...800
МГц Вывод 37
Группа "А"
Группа "Б"
Диапазон рабочей частоты ДПКДv fiv 5...600
20...900
10...800
МГц Группа "В"
Группа "А"
Группа "Б"
Диапазон рабочей частоты ДПКДг f 0,1. ..80 МГц Группа "А"
Максимальная входная частота ЧДФ Fг max 5 МГц  
Чувствительность по ВЧ-входу ДПКДv Sv 0,2...0,8 В Вывод 19
Чувствительность по входу ОГ 0,1 ...0,15 В Вывод 22,
fir=10 МГц
Максимальное напряжение стока NMOS-транзистора Umax 12 B Вывод 42,
Ids=0,1 мА
Максимальное остаточное напряжение стока NMOS-транзистора, не более Uds min 0,1 B Ids=10 мА
Крутизна NMOS-транзистора, не менее S 40 мА/В  
Выходное сопротивление ЧФД, не более R0 600 Ом Вывод 39
Входные токи низкого уровня, не менее IiL -5
-15
мкА Выводы 2..18, 20, 24..36
Выводы 19, 22
Входные токи высокого уровня, не более IiH 0,1
15
мкА Выводы 2..18, 20, 24..36
Выводы 19,22
Ток потребления максимальный (группа "А") Icc max 17 мА Ucc=5,5 В; fi=900МГц; Nг=400; fг=10 МГц; Nv=225
Ток потребления типовой Icc 5 мА Ucc=3,5 В; fi=500МГц; Nr=400;fr=10MГц;Nv=22
Масса, не более   2,0 г Шаг выводов - 1 мм
Диапазон рабочих температур T -60...+85 °С  

    Синтезатор выполнен на плате размерами 95x65 мм (рис.4). На ней с помощью алюминиевого уголка закреплены R13 и С14. Катушка индуктивности не критична к параметрам, и можно применить любую диаметром 6...8 мм. Она содержит 3 витка провода ПЭШО диаметром 0,3 мм. Подстройка средней частоты ГУН производится латунным сердечником. Потенциометр R13 - лучше типа СП-1, как наиболее надежный, но можно применить и движковый.

Печатная плата синтезатора

Рис.4. Печатная плата синтезатора

Микросхемы DD2...DD5 желательно использовать серии 1533, немного хуже - 555, еще хуже - 155, т.к. возрастает потребление по питанию 5 В с 50 до 250 мА. Выводы 2, 3, 6, 7 микросхем DD3...DD5 с выводами 7...18 DD6 соединены тонкими изолированными проводниками (навесной монтаж) - так проще, и получается вполне нормально. В качестве ZQ1 можно использовать любой кварц с частотой 1 ...8 МГц, подобрав коэффициент деления КД (соответствующим подключением выводов 24...36 DD6), чтобы частота на выводе 37 была равна 1 кГц (в зависимости от нужной частоты ГУН и шага перестройки). Настройка производится в следующей последовательности:

  • проверьте правильность монтажа, отсутствие коротких замыканий и обрывов в плате;
  • проверьте работу ГН. В среднем положении движка R13 генерация на выводах DD1 должна отсутствовать. При повороте движка вправо или влево частота генерации на вы водах DD1 должна плавно возрастать. Это достигается подбором R14 и R15;
  • убедитесь в нормальной работе кварцевого генератора с помощью осциллографа с высокоомным входом. Между шиной 5 В и выводом 37 DD6 подключите резистор 1 кОм и проконтролируйте работу ДЧ - частота на выводе 37 должна быть около 1 кГц;
  • работу ГУН проверьте осциллографом на эмиттере VT2. Между шиной 5 В и выводом 40 DD6 включите резистор 1 кОм. Частота на выводе 40 должна быть примерно равна 1 кГц. Она устанавливается подстройкой сердечника L1, а если нужно - и подбором С8;
  • измерьте постоянную составляющую напряжения в точке соединения R1...R3, С2 с помощью осциллографа или высокоомного вольтметра. Она должна быть в пределах 1...8 В и плавно изменяться при настройке с помощью R13. Устанавите среднюю частоту диапазона с помощью R13 и, вращая латунный сердечник катушки, выставите это напряжение в пределах 4...5 В. Настройка на этом закончена.

    Синтезатор изготовлен автором на частоту 127...131 МГц. Средний коэффициент деления УДЧ при этом - 129000, а ДЧ - 3584. Можно изготовить синтезатор и на другую частоту и с другими кварцами, при этом коэффициент деления ДЧ Кд определяется так:

где fкв - частота кварца; fг.cp. - средняя частота гетеродина.

    Разумеется, можно изготовить подобный синтезатор и для диапазона 430...440 МГц - КН1015ПЛ5 это позволяет, но тогда нужен более высокочастотный ГУН. Автор изготовил синтезатор и на КВ-диапазоны, аналогичный опубликованному в [1]. При этом количество корпусов микросхем и габариты сократились вдвое. Там вместо DD7...DD12, DD14...DD16 установлена КН1015ПЛ5.

Источники

  1. Л.Риваненков. Синтезатор частоты. - Радиолюбитель KB и УКВ, 2000, N6, С.24.
  2. Валкодер из мыши. - Радио, 2002, N9, С.64.

Автор: Л.РИВАНЕНКОВ, г.Смоленск


Добавил:  Павел (Admin)  
Автор:  Л.РИВАНЕНКОВ, г.Смоленск 

Вас может заинтересовать:

  1. УКВ сверхрегенератор с рамочной антенной
  2. Высокая чувствительность приемника, простыми методами
  3. УКВ ЧМ ПРИЁМНИК С ОБЪЁМНЫМ РЕЗОНАТОРОМ
  4. Цифровой FM стерео приемник 60-110 МГц с микропроцессорным управлением (конструкция 2)
  5. Частотный детектор


    © PavKo, 2007-2018   Обратная связь   Ссылки views: 2374 -- users: 2303 -- web3   Яндекс.Метрика