Урок №5: Собственно приёмник
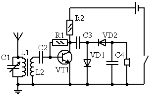
Итак, преступим к практике... :-). Вот
схема твоего первого приемника:

Тут для
тебя нет ничего нового, может только поясню насчет катушек. Если ты видишь
на схеме две катушки с линией между ними, то это значит, что эти катушки
имеют индуктивную связь. Если мы расположим рядом две
катушки индуктивности и в одной из них начнем изменять ток, то во второй
катушки появится ЭДС.
Индуктивная связь между катушками L1 и L2 нужна для связи контура с
остальной частью приемника. Связь бывает индуктивная,
кондуктивная и
емкостная.
Индукт. Кондукт. Емк.

Анализ.Сигнал
радиостанции выделенный колебательным контуром, с катушки L2 через
конденсатор С1 попадает на базу транзистора, и тут все как в усилителе из
урока 3, разница лишь в том, что транзистор нагружен не на наушники, а на
резистор R2. С резистора R2 сигнал поступает на детектор с удвоением
напряжения. Он работает так: в первый полупериод сигнала конденсатор С2
заряжается через диод VD1, а во второй полупериод разряжается через диод
VD2.
Ладно, еще дозу теории ты получил, теперь конструкция. Катушку, как я
уже сказал, надо наматывать на ферритовом стержне длиной около 10 см, она
должна содержать 70-80 витков медного изолированного провода диаметорм 0.2
мм, это провод марки ПЭВ 0,2. (для особо умных поясняю, что проводом я
называю проволоку. :)) Конденсатор С1 любой переменный конденсатор с
максимальной емкостью не менее 100 пФ. Резисторы: R1 - 100 кОм, R2 - 3,3
кОм. Конденсаторы постоянные все 0,01 мкф. Транзистор любой маломощный
высокой чатоты например КТ315 с любым буквенным индексом, можно
использовать транзистор структуры p-n-p, только поменяй полярность
включения батарейки и диодов. Диоды - Д9В. Наушники высокоомные например
ТОН-2 или "Гамма".
Добавил: Павел (Admin) webmaster@radioman-portal.ru |
Автор: http://www.cxem.net/