Портал для радиолюбителей
   Доработка S-90
    Главная -> Статьи -> Акустические системы -> Доработка S-90


<< Назад в раздел   Распечатать Дата добавления: 2007-10-05 | Просмотров: 11321

Акустические системы АС-35(S-90) известны, как одни из лучших акустических систем доперестроечных времен. Они выпускались разными заводами и в несколько отличной комплектации, не меняясь по сути. Для модификации были использованы системы 35АС-012 ГОСТ 23262-88 Брянского электромеханического завода, выпущенные в январе 1990 года. Они содержат динамики 75ГДН-3-4, 20ГДС-3-4, 10ГДВ-2-16 и рассчитаны на частотный диапазон 40-25000 гц (сопротивление 4 Ом). Доработка позволила уменьшить неравномерность АЧХ на средних частотах и избавиться от свойственного им "цыканья" и резкости на высоких частотах путем замены высокочастотной головки и демпфирования среднечастотной. Для переделки использовались ВЧ динамики фирмы Peerless 100 DT 26 72 SF FF WA 8 ( ном. по каталогу 811827). Вполне удачный вариант, особенно, если вас не смущает перспектива потратить на них около 53$, что сопостовимо со стоимостью самих S-90.

Итак, в процессе работ были сделаны следуюшие изменения:

  • Замена ВЧ головки на импортную.
  • Установка изолирующего бокса для ВЧ головки.
  • Демпфирование СЧ головки.
  • Изменение частоты раздела кроссовера.
  • Замена клеммных колодок на винтовые разьемы с возможностью бивайринга.
  • Замена внутренней проводки АС, герметизация корпуса, установка распорок.
  • Установка АС на шипы

В результате этих изменений звук АС изменился в лучшую сторону. Исчезли "цыканья", свист и пришепетывания на высоких частотах. Расширилась звуковая сцена, приобретя большую глубину и прозрачность. Низкие частоты зазвучали более упруго и чисто. Звучание АС стало более естественным и натуральным.

Для замены была выбрана головка фирмы Peerless 811827 с магнитной жидкостью в зазоре. Максимальная мощность 130 Вт, импеданс 8 Ом, резонансная частота 1130 Гц и чувствительностью 92 дБ. Внешние габариты этой головки несколько меньше, чем штатной, и импеданс в два раза ниже. Это и повлекло необходимость в изготовлении для нее изолированного бокса и изменения номиналов элементов в схеме кроссовера.

Бокс был выполнен из двух квадратов (11х11см) из 10мм фанеры. В одном из квадратов было вырезано отверстие, диаметром 90 мм, и сделана небольшая выборка в торце, для сигнальной проводки. Во втором квадрате делается 4 отверстия под винты крепления головки или намечаются точки крепления для шурупов. Квадраты, после укладки провода, скрепляются 4 мелкими шурупами с промазкой поверхности стыка пластилином для герметизации, и с промазкой пластилином устанавливаются соосно отверстию для ВЧ головки АС изнутри. В полученный бокс диаметром 90мм и глубиной 30мм и устанавливается ВЧ головка. Головка устанавливается через тонкую резиновую прокладку на 4 винта или шурупа (длиной не менее 50мм). Эти винты окончательно стягивают и фиксируют весь "пакет". Через штатную резиновую прокладку поверх устанавливается защитная сетка и ее крепление.

Демпфирование СЧ головки заключалось в заклейке окон в ее корзине полоской тонкой белой бязи. Полоска бязи шириной 15см склеивается в трубу и приклеивается к основанию и ребрам корзины клеем момент. Второе отверстие трубы собирается и завязывается как кисет.

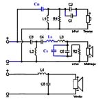
Кроссовер состоит из трех полос. Переделка низкочастотной части состоит только в отделении ее от остальных двух фильтров и подключении на отдельные клеммы новой колодки. Штатное отверстие в задней стенке увеличивается до размеров, необходимых для установки новой клеммной панели.

Частоту раздела СЧ - ВЧ снижаем в 2 раза. Это означает увеличение в 2 раза соответствующих индуктивностей и емкостей. В СЧ фильтре это L3 и С5. У меня были детали от аналогичных кроссоверов, поэтому я не стал менять индуктивность L3 на вдвое большую, а просто подключил еще одну, такую же (Ls), последовательно. Емкость конденсатора С5 составляла 4 мкф, для ее увеличения параллельно была подключена емкость Сs, состоящая из двух конденсаторов МБГО-2 2мкфх160в. В ВЧ фильтре просто двойного увеличения номиналов не достаточно. Учитывая, что импеданс ВЧ головки уменьшился вдвое, емкость нужно в 2 раза увеличить, а индуктивность в 2 раза уменьшить. Итого индуктивность остается без изменения, а емкость увеличивается в 4 раза. В исходном варианте они составляли 2мкф (С1) и 1мкф (С2). Расчетные 2,25мкф и 0,75мкф, новые значения выбраны 10мкф и 3мкф. Вместо С1 установлен конденсатор МБГО-2 10мкфх160в (Cn), а С1 подключен параллельно С2, образуя суммарную с ним емкость 3мкф.

Частота раздела снизилась в 2 раза до 2500гц, что более чем в 2 раза превышает резонансную частоту ВЧ головки, и с учетом фильтра третьего порядка в кроссовере это делает ненужным установку режекторного фильтра на резонансную частоту.

О замене внутренней проводки, герметизации корпуса, установке распорок и шипов написано и так уже немало, это все стандартные приемы. Хочу только добавить, что в конечной конструкции использовалась не только мраморная плита под шипами, но и вторая плита с размерами верхней плоскости АС, приклеенная к ней сверху.

Статья взята с сайта: http://www.audiohi-fi.ru/



Добавил:  Павел (Admin)  
Автор:   

Вас может заинтересовать:

  1. Смешанное подключение акустики к магнитолам с усилителями разной мощности
  2. Би-ампинг для магнитолы
  3. Акустическая система для самостоятельного изготовления
  4. Самостоятельная сборка аккустической системы
  5. Установка АС


    © PavKo, 2007-2018   Обратная связь   Ссылки views: 14438 -- users: 13475 -- web3   Яндекс.Метрика