Портал для радиолюбителей
   "Лофтин" из ТВ деталей
    Главная -> Статьи -> Ламповые усилители низкой частоты -> "Лофтин" из ТВ деталей


<< Назад в раздел   Распечатать Дата добавления: 2008-03-17 | Просмотров: 23011

Поводом для разработки этого усилителя послужило пожелание одного из моих друзей разработать простой усилитель -“Лофтин-Уайт” с неплохим звучанием и применением доступных многим деталей от ч/б ламповых ТВ, которые можно найти без труда на радиорынках.
По этой схеме был переделан серийный ламповый “Маг – 3,5” его хозяин отметил значительное улучшение звучания.

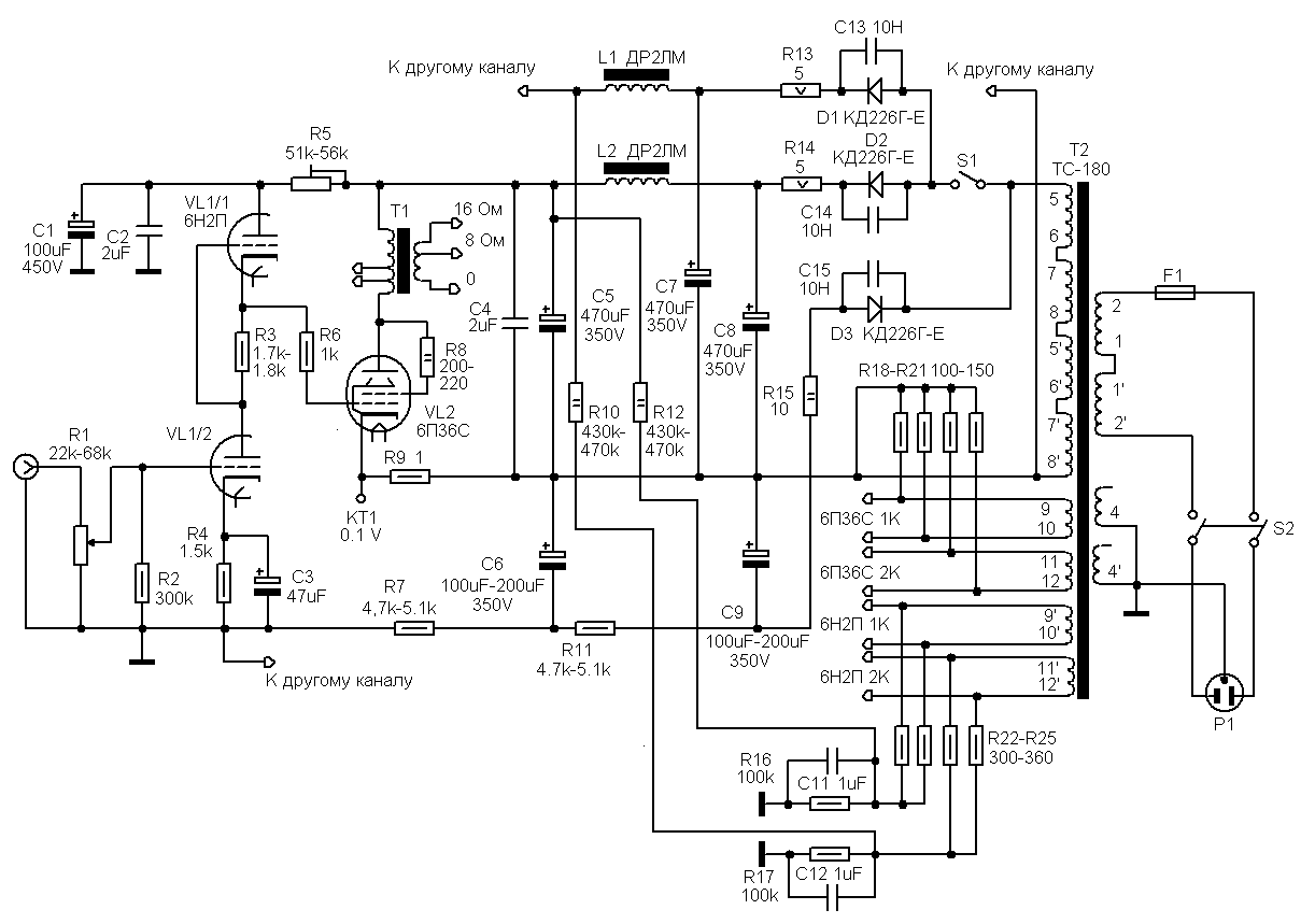
Усилитель собран на лампах 6Н2П и 6П36С



Усилитель собран на лампах 6Н2П и 6П36С.
Первый каскад выполнен по схеме с динамической нагрузкой(SRPP) для получения высокого коэффициента усиления и малого выходного сопротивления каскада. Управляющая сетка лампы выходного каскада 6П36С подключена к катоду верхней половины лампы 6Н2П.
Лампа 6П36С включена триодом.
Сигнал с входного разъёма проходит через регулятор громкости, усиливается первым каскадом, далее через “aнтизвонный” резистор R6 поступает на сетку второго каскада, усиливается им и через выходной трансформатор поступает в нагрузку.

Поскольку было поставлено условие о применении в блоке питания силового трансформатора ТС-180 без перемотки, исходя из этого условия сконструирован БП с однополупериодным выпрямлением для питания выходного каскада и удвоением напряжения для питания первого каскада, поскольку напряжение на управляющей сетке лампы второго каскада
должно быть отрицательным относительно её катода.
Поэтому в качестве сглаживающих пульсации анодного напряжения были применены электролитические конденсаторы ёмкостью 470мкФ.
В питании накалов ламп применено решение - “искусственная средная точка”. Для выранивания напряжения относительно катодов половин лампы 6Н2П применены делители напряжения R10-R17, R12-R16.

Режим ламы выходного каскада настраивается с подстроечным резистором R5, первоначально без выходной лампы, на панельке на клемме управляющей сетки нужно выставить -60В относительно контрольной точки КТ1.
Потом при выключенном питании вставить в панельку лампу 6П36С (не забудьте подключить анод) включить, прогреть усилитель в течение 5-7минут, подать анодное напряжение и выставить тем же резистором R5 падение напряжения на резисторе R9 0,08В, что соответствует току через лампу 80мА. Примерно через полчаса вывести падение напряжения на резисторе R9 до 0,1В, что соответствует току 100мА, и усилитель готов к работе.

В усилителе применены резисторы МЛТ, R13, R14 - С5-37, R2, R3, R6 – БЛП, регуляторы громкости – СП-1В 0,5Вт 47к. Электролитические конденсаторы – “TREC”. Электролитические конденсаторы нужно шунтировать бумажными или плёночными К73, К78 от 1мкФ и более.
С моей точки зрения, лампу 6Н2П лучше заменить на 6Н9С.


Выходные трансформаторы на железе ТС-180, первичная обмотка 2640 витков, провод 0,35, 6 секций, по 3 секции 440 витков на каждой катушке, секции в 2 слоя, в слое 220 витков. Вторичная обмотка 6 секций 190 витков, провод 0,38, соединены параллельно для нагрузки 8 Ом, для нагрузки 16 Ом 2секции по 90витков провод 0,7, включаемых параллельно между собой и последовательно с обмоткой 8 Ом.
Чередование слоёв на катушке:
II-I-II-I-II-I-III
I – первичная обмотка 440 витков(2слоя 220Витков).
II – вторичная обмотка 190 витков(один слой) для 8 Ом.
III – вторичная обмотка 90 витков(один слой) для 16 Ом.
Отсчёт от сердечника.
В качестве межслойной изоляции – конденсаторная бумага из конденсатора КБГ – МН, 6мкФ х 600В, межсекционной - та же в два слоя. Зазор сердечника – 0,2мМ

Выходная мощность усилителя – 6Вт при КНИ до 1,2-1.5%, в зависимости от выходной лампы, если взять б/у то до 2,5%. Частотный диапазон 20Гц-20кГц.

Удачи и хорошего звука!


Добавил:  Павел (Admin)  
Автор:  А.И. Манаков (ака Гэгэн) 

Вас может заинтересовать:

  1. Двухтактный усилитель на 6П3С со встроенным микшером
  2. Источники питания для ламповой High-End аудио аппаратуры
  3. Однотактный ламповый усилитель мощности 6Ж1П,6П1П
  4. Усилитель для старшего сына
  5. Карманный усилитель с некарманной мощностью


    © PavKo, 2007-2018   Обратная связь   Ссылки views: 20680 -- users: 19575 -- web3   Яндекс.Метрика