Портал для радиолюбителей
   Методика проверки трансформаторов (3 способа)
    Главная -> Статьи -> Измерительная техника -> Методика проверки трансформаторов (3 способа)

Степлеры разновидности описание - виды строительных степлеров na-zapade.ru.

<< Назад в раздел   Распечатать Дата добавления: 2008-05-02 | Просмотров: 10783

Способ 1

Частотный диапазон "прогонки":
Трансформаторов питания НЧ: 40-60 Гц.
Трансформаторов питания импульсного блока питания: 8-40 кГц.
Трансформаторов разделительных, ТДКС: 13-17 кГц.
Трансформаторов разделительных, ТДКС мониторов (для ПЭВМ):
CGA: 13-17 кГц.
EGA: 13-25 кГц.
VGA: 25-50 кГц.

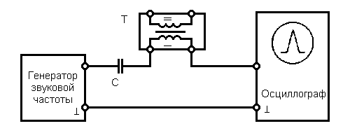
Если взять импульсный трансформатор питания, например разделительный трансформатор строчной развертки, подключить его согласно рис. 1, подать на I обмотку U = 5 - 10В F = 10 - 100 кГц синусоиду через С = 0.1 - 1.0 мкФ, то на II обмотке с помощью осциллографа наблюдаем форму выходного напряжения.

Рис. 1. Схема подключения для способа 1

"Прогнав" на частотах от 10 кГц до 100 кГц генератор ЗЧ, нужно, чтобы на каком-то участке Вы получили чистую синусоиду (рис. 2 слева) без выбросов и "горбов" (рис. 2 в центре). Наличие эпюр во всем диапазоне (рис. 2. справа) говорит о межвитковых замыканиях в обмотках и т.д. и т.п.

Данная методика с определенной степенью вероятности позволяет отбраковывать трансформаторы питания, различные разделительные трансформаторы, частично строчные трансформаторы. Важно лишь подобрать частотный диапазон.

Рис. 2. Формы наблюдаемых сигналов

Способ 2

Необходимое оборудование: Генератор НЧ, Осциллограф.

Принцип работы:

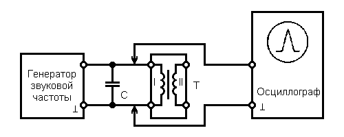
Принцип работы основан на явлении резонанса. Увеличение (от 2-х раз и выше) амплитуды колебаний с генератора НЧ указывает, что частота внешнего генератора соответствует частоте внутренних колебаний LC-контура.

Для проверки закоротите обмотку II трансформатора. Колебания в контуре LC исчезнут. Из этого следует, что короткозамкнутые витки срывают резонансные явления в LC контуре, чего мы и добивались.

Наличие короткозамкнутых витков в катушке также приведет к невозможности наблюдать резонансные явления в LC контуре.

Рис. 3. Схема подключения для способа 2

Добавим, что для проверки импульсных трансформаторов блоков питания конденсатор С имел номинал 0,01мкФ-1 мкФ, Частота генерации подбирается опытным путем.

Способ 3

Необходимое оборудование: Генератор НЧ, Осциллограф.

Принцип работы:

Принцип работы тот же, что и во втором случае, только используется вариант последовательного колебательного контура.

Рис. 4. Схема подключения для способа 3

Отсутствие (срыв) колебаний (достаточно резкий) при изменении частоты генератора НЧ указывает на резонанс контура LC. Все остальное, как и во втором способе, не приводит к резкому срыву колебаний на контрольном устройстве (осциллограф, милливольтметр переменного тока).

Источник - сайт Мир Электроника


Добавил:  Павел (Admin)  
Автор:  Неизвестно 

Вас может заинтересовать:

  1. Доработка программаторов для гарантированного программирования микросхем PCF8582
  2. Счетчик витков для намотки трансформатора с применением компьтерного LPT-порта
  3. Таблица быстрого перевода dBm в вольты и ватты на нагрузке 50 ОМ
  4. Обоснование выбора современного электронного осциллографа
  5. Коаксиальный эквивалент нагрузки


    © PavKo, 2007-2018   Обратная связь   Ссылки views: 7405 -- users: 6996 -- web3   Яндекс.Метрика