Портал для радиолюбителей
   Пробник электроцепей с применением компьтерного LPT-порта
    Главная -> Статьи -> Измерительная техника -> Пробник электроцепей с применением компьтерного LPT-порта


<< Назад в раздел   Распечатать Дата добавления: 2008-05-02 | Просмотров: 6977

Пробник с применением компьтерного LPT-порта

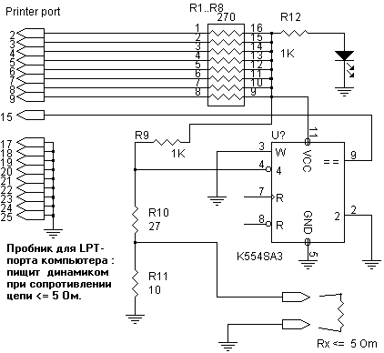
Rimas из Литвы пользуется такой схемой пробника. Пишет, что при ее помощи удобно проверять дорожки на платах и соединения холодной пайкой, а вот, собственно и программа для данного девайса (4 кБ).


Добавил:  Павел (Admin)  
Автор:  Неизвестно 

Вас может заинтересовать:

  1. Цифровой генератор шума для акустических измерений
  2. Таблица быстрого перевода dBm в вольты и ватты на нагрузке 50 ОМ
  3. Методика проверки трансформаторов (3 способа)
  4. Пробник оксидных конденсаторов
  5. Приставка-измеритель LC к цифровому вольтметру


    © PavKo, 2007-2018   Обратная связь   Ссылки views: 1331 -- users: 1315 -- web3   Яндекс.Метрика