Портал для радиолюбителей
   Audio Note Conquest (300B)
    Главная -> Статьи -> Ламповые усилители низкой частоты -> Audio Note Conquest (300B)


<< Назад в раздел   Распечатать Дата добавления: 2008-05-13 | Просмотров: 19455

Audio Note Conquest Power amp. with 300B

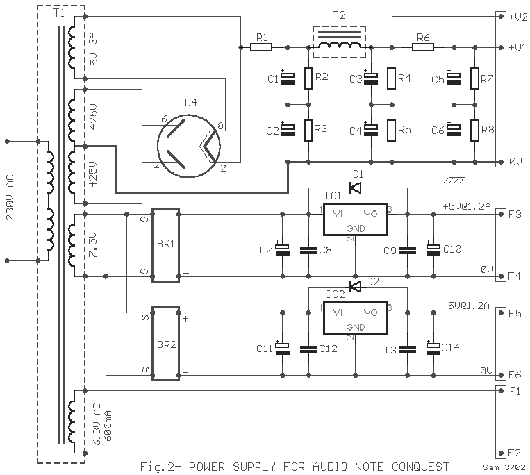
Audio_Note_conquest_300B_1.gif (17427 bytes)

Part List

R1=200Kohms R7=220Kohms C4-5-6-7=220uF 63V
R2=64Kohms R8-9-14-15=150ohms U1=6SN7
R3=320Kohms R10-11-12-13=1.5Kohms U2-3=300B
R4=1Kohms C1-2=100uF 63V MT1=Audio transf. 1K2 /0-4-8ohms 50W
R5-6=19.5Kohms C3=330nF 630V MKT

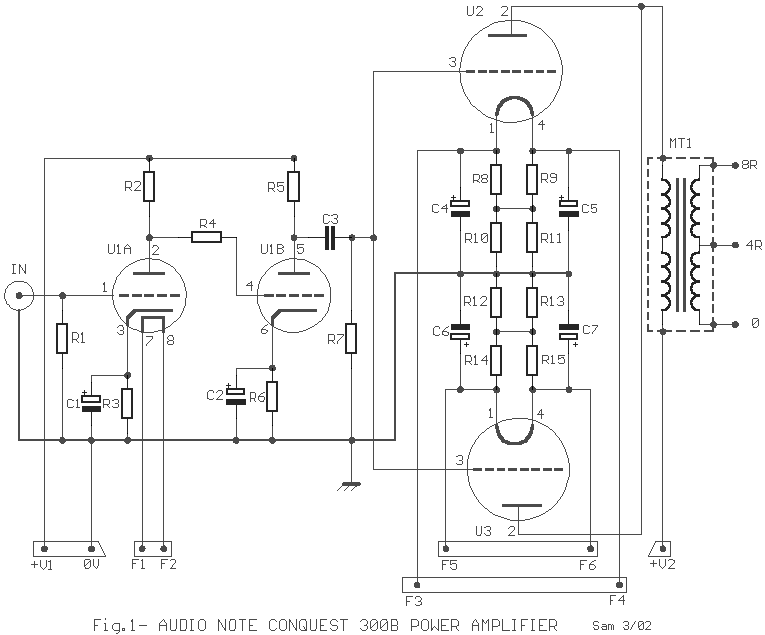
Audio_Note_conquest_300B_2.gif (19363 bytes)

Part List Power Supply


Добавил:  Павел (Admin)  
Автор:  Radio Note Co. UK. Ltd 

Вас может заинтересовать:

  1. Однотактный ламповый усилитель из доступных деталей
  2. СИЛОВЫЕ ТРАНСФОРМАТОРЫ НА ВСЕ СЛУЧАИ ЖИЗНИ
  3. Вариант усилителя для высококачественного воспроизведения
  4. Корректор с разделенной коррекцией
  5. Оконечные каскады усилителей НЧ


    © PavKo, 2007-2018   Обратная связь   Ссылки views: 12719 -- users: 10482 -- web3   Яндекс.Метрика