| |||||||||||||||||||||||||||||||||||||||||||||||||||||||||||||||||
|
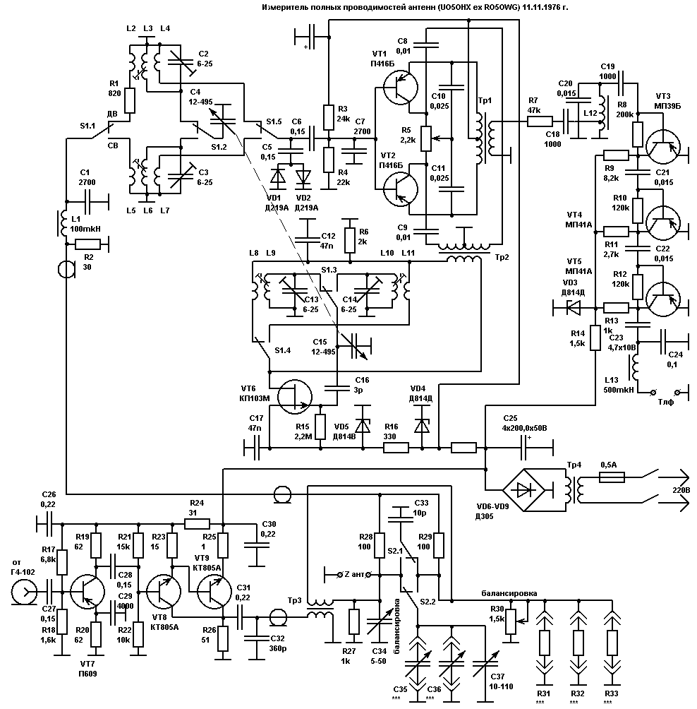
Измеритель полных проводимостей радиовещательных антенн диапазонов ДВ и СВ Главная -> Статьи -> Измерительная техника -> Измеритель полных проводимостей радиовещательных антенн диапазонов ДВ и СВ
| |||||||||||||||||||||||||||||||||||||||||||||||||||||||||||||||||
|
|
Этот прибор предназначен для измерения полных проводимостей (активной и реактивной) радиовещательных антенн ДВ и СВ диапазонов. Диапазон измерения активной проводимости в мМо от 0,1 до 111, а реактивной в пФ от 10 до 11100 в диапазоне частот от 0,15 до 2 МГц. В полевых условиях получена точность 5% а в лабораторных 2%. Прибор представляет из себя несимметричный мост на который от ГСС Г4-102 через усилитель мощности подается рабочая частота антенны. Баланс моста контролируется встроенным приемником состоящим из гетеродина, балансного смесителя, селективного телефонного усилителя. Мост без антенны балансируется по минимуму уровня тона биений сигнала ГСС и гетеродина с помощью элементов C34 и R30, а с подключенной антенной с помощью наборов сопротивлений R31,R32,R33 и конденсаторов C35,C36. Калиброванные сопротивления и конденсаторы распаяны на 11-ти позиционных галетных переключателях. В случае если реактивная проводимость антенны носит индуктивных характер, то набор емкостей с помощью переключателя S2 подключают к антенному плечу моста и продолжают балансировку. Применение прибора позволяет производить настройку антенно-фидерного тракта, и точно расчитывать (с применением в.ч. киловольтметра) мощность подводимую к антенне. В отличие от инструкций для радиолюбителей, на радиоцентрах измеряют подводимую мощность к антенне, а не к передатчику. 11.11.1976 г.
|
||||||||||||||||||||||||||||||||||||||||||||||||||||||||||||||||
Источник: www.shustikov.by.ru

Вас может заинтересовать:
| © PavKo, 2007-2018 Обратная связь Ссылки |