Портал для радиолюбителей
Статьи
Программы
Справочник
Соревнования
Журналы
История
Форум
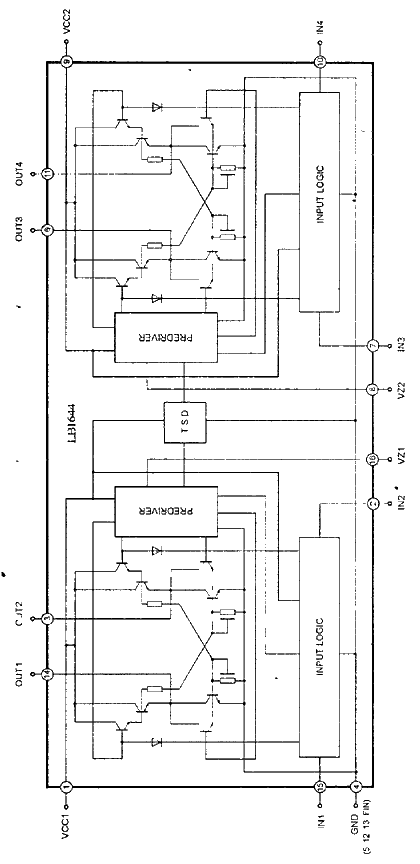
LB1644
LB1644
Микросхема управления двигателем
© PavKo, 2007-2018
Обратная связь
Ссылки
views: 6578 -- users: 2318 -- web3